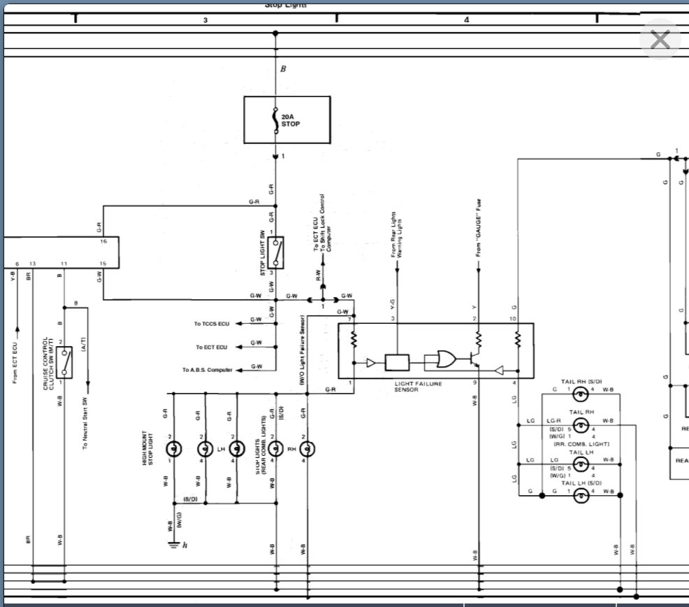
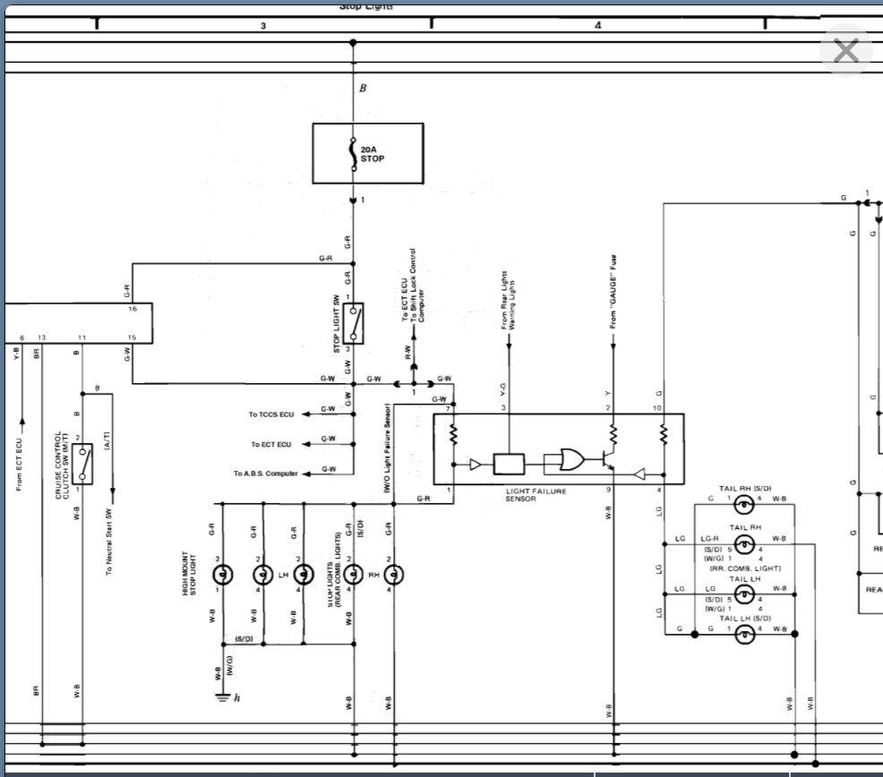
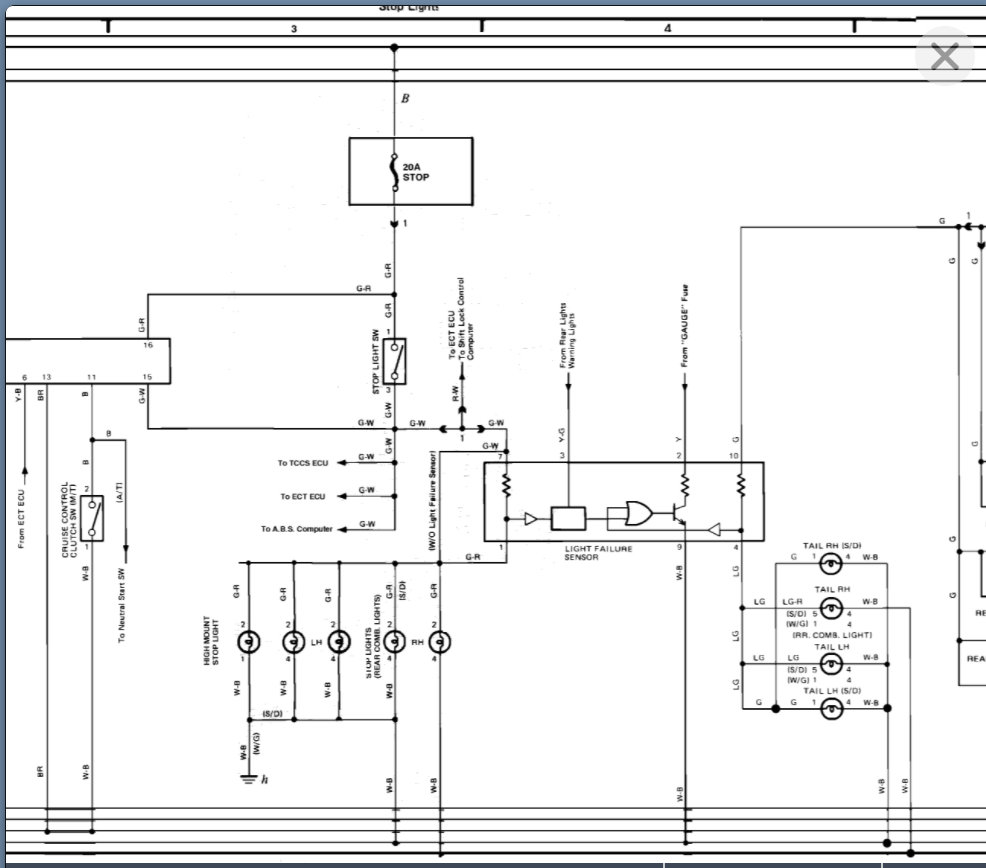
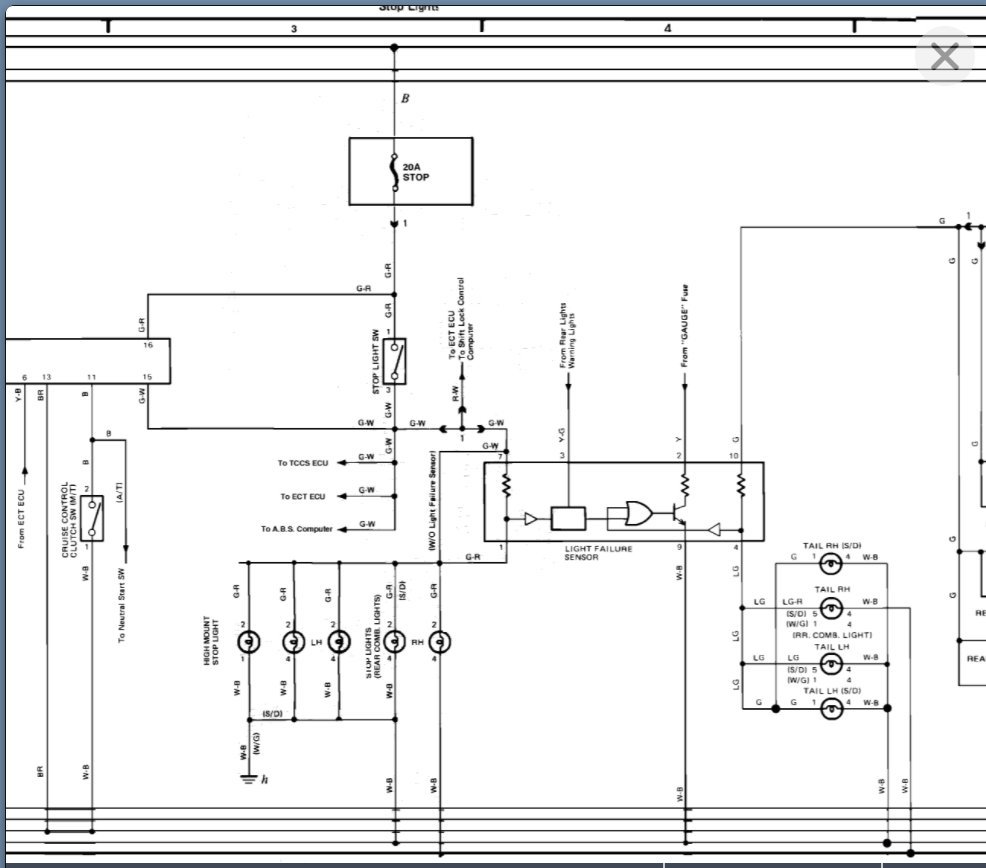
Thursday, October 30th, 2008 AT 10:52 PM
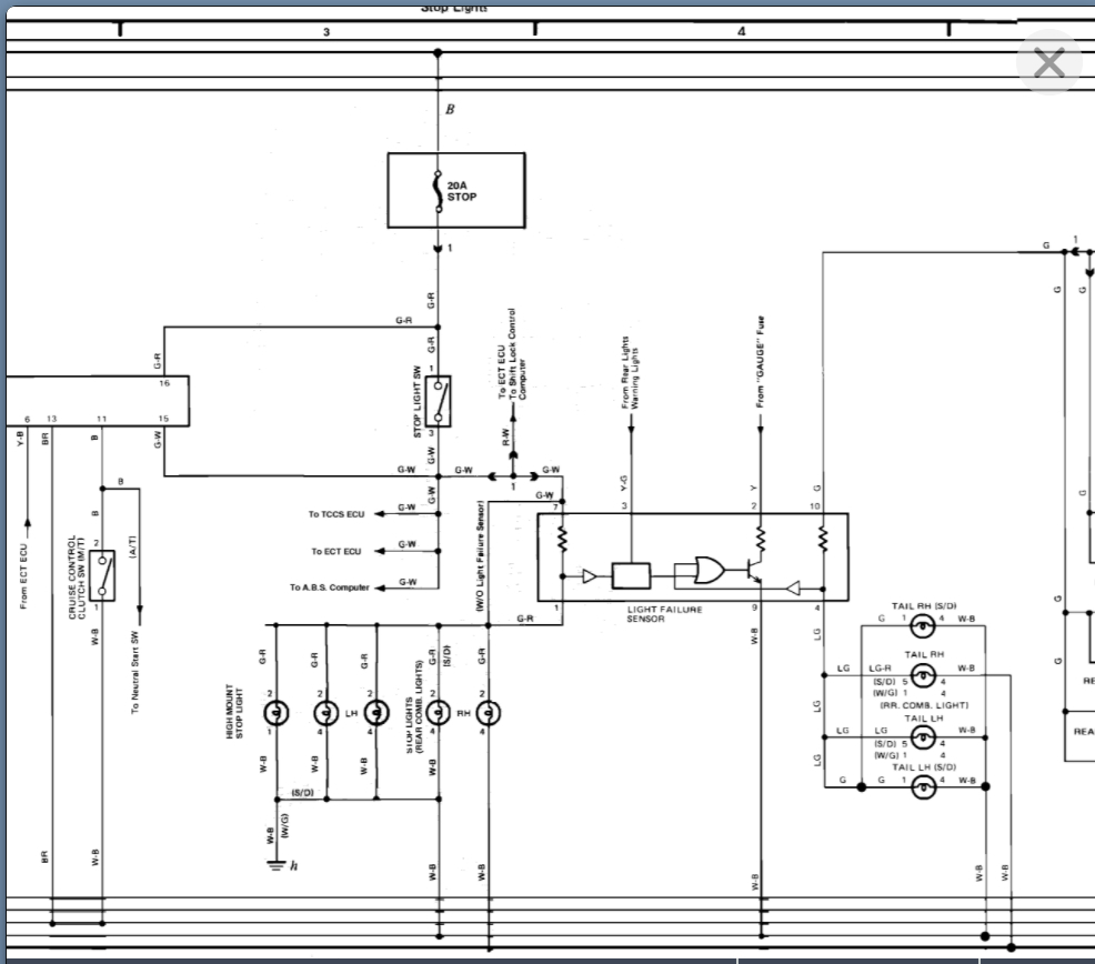
My warning light keeps coming on. To warn me theres a light out. But theres no lights out. I notice it only comes on when I step on brake pedel. Restart the motor it goes out, comes back on hit brake pedel. Some times it go off for a few weeks then come back on.



