Engine random misfire?

Tiny
CAMPBELL ADENODI
  • MEMBER
  • 1998 TOYOTA 4RUNNER
  • 6 CYL
  • 4WD
  • AUTOMATIC
  • 71,475 MILES
At first instance using SCANTOOL - OBD2 it displayed "RANDOM MISFIRE DETECTED" and all the 6(Six) plugs were replaced and firing was regular with optimum speed attained.

Thanks guys.
Friday, December 11th, 2009 AT 3:30 AM

1 Reply

Tiny
SQM
  • MECHANIC
  • 6,383 POSTS
Hello,

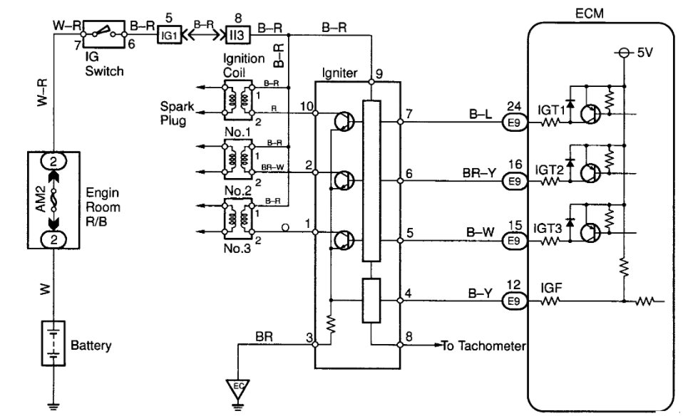
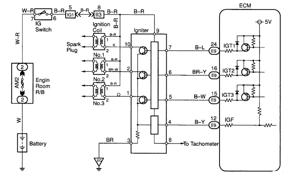
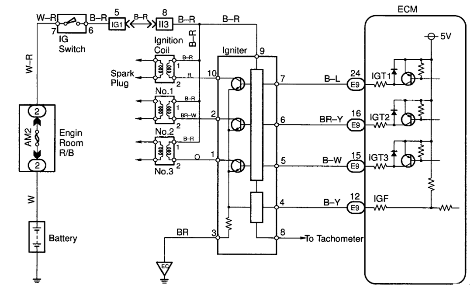
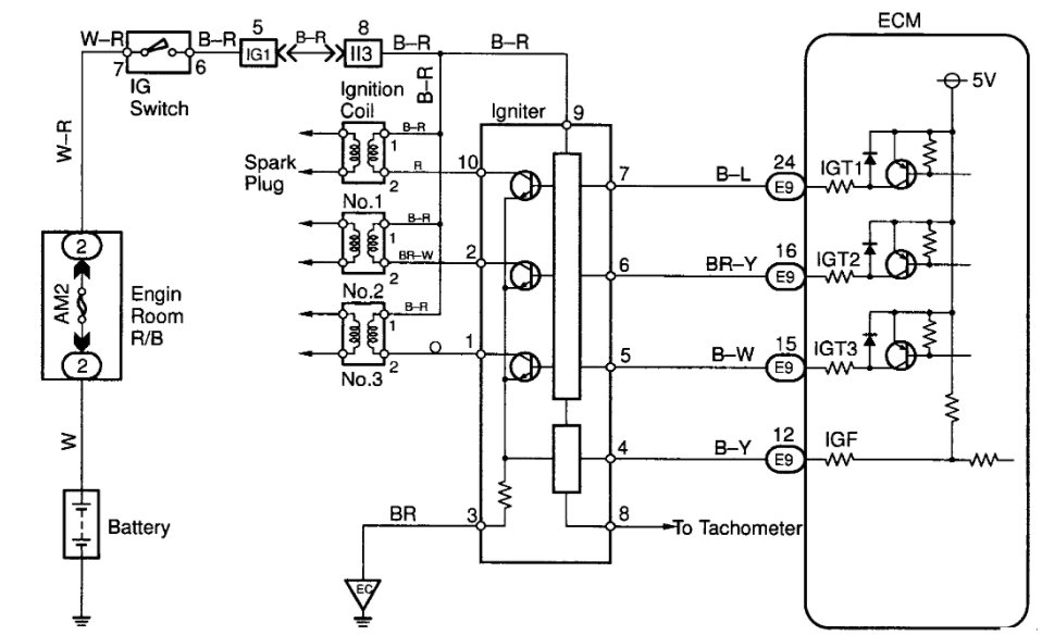
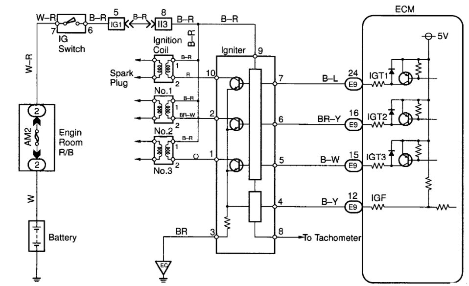
Sometimes random misfire happens when there is an issue with either coils or ignition control module. I have attached ignition coil testing and few other info you might find helpful.

https://www.2carpros.com/articles/engine-misfires-or-runs-rough

Let me know of any questions.

Thank you.
Was this
answer
helpful?
Yes
No
Thursday, July 15th, 2021 AT 6:32 AM

Please login or register to post a reply.