How to replace a fuse box?

Tiny
ROBERTYSLAS
  • MEMBER
  • 1995 TOYOTA 4RUNNER
  • 6 CYL
  • FWD
  • AUTOMATIC
  • 200,000 MILES
I am in process of replacing a fuse box. I took box out to take wires out and put fuse back in. There was an extra white wire with two bolts to it that I can't figure out where it goes.

Thank you. Bob
Sunday, May 3rd, 2009 AT 5:25 PM

1 Reply

Tiny
SQM
  • MECHANIC
  • 6,383 POSTS
Hello,

The white wire is possibly the fusible link. It will have a spot for it in the fuse block.
The fusible link typically the main power source that goes into the block. Typically will come form the battery or alternator.

https://www.2carpros.com/articles/how-to-check-wiring
https://www.2carpros.com/articles/how-to-check-a-car-fuse

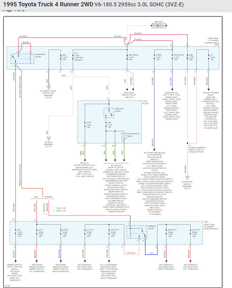
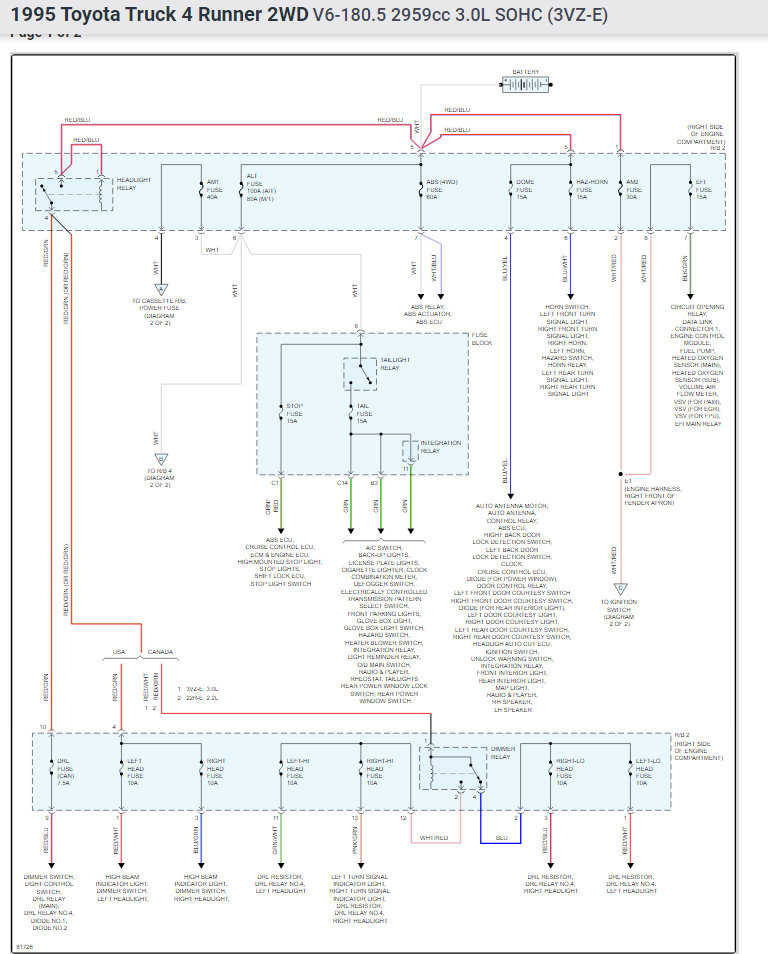
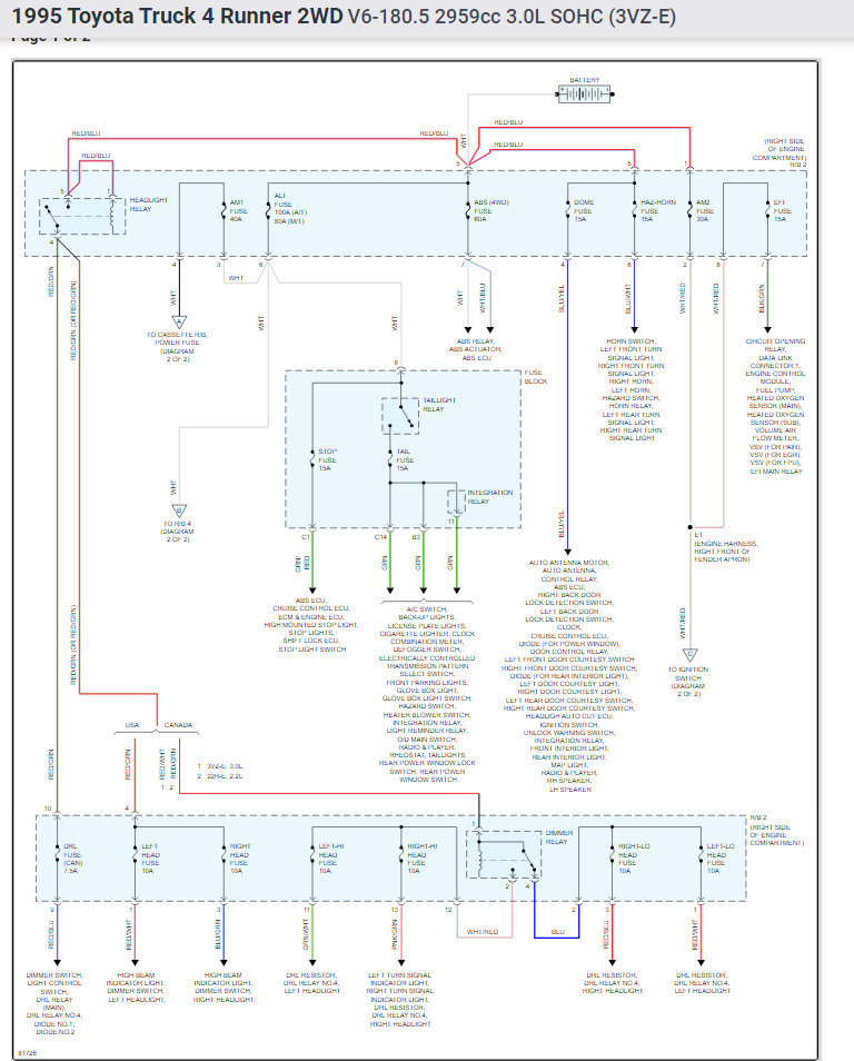
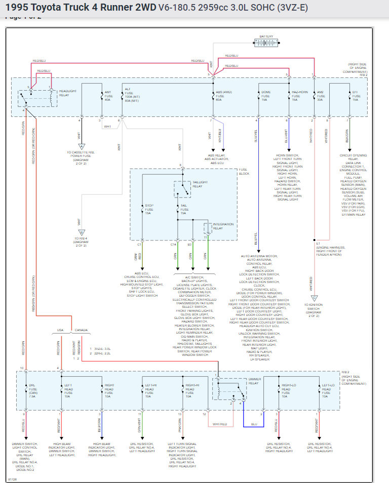
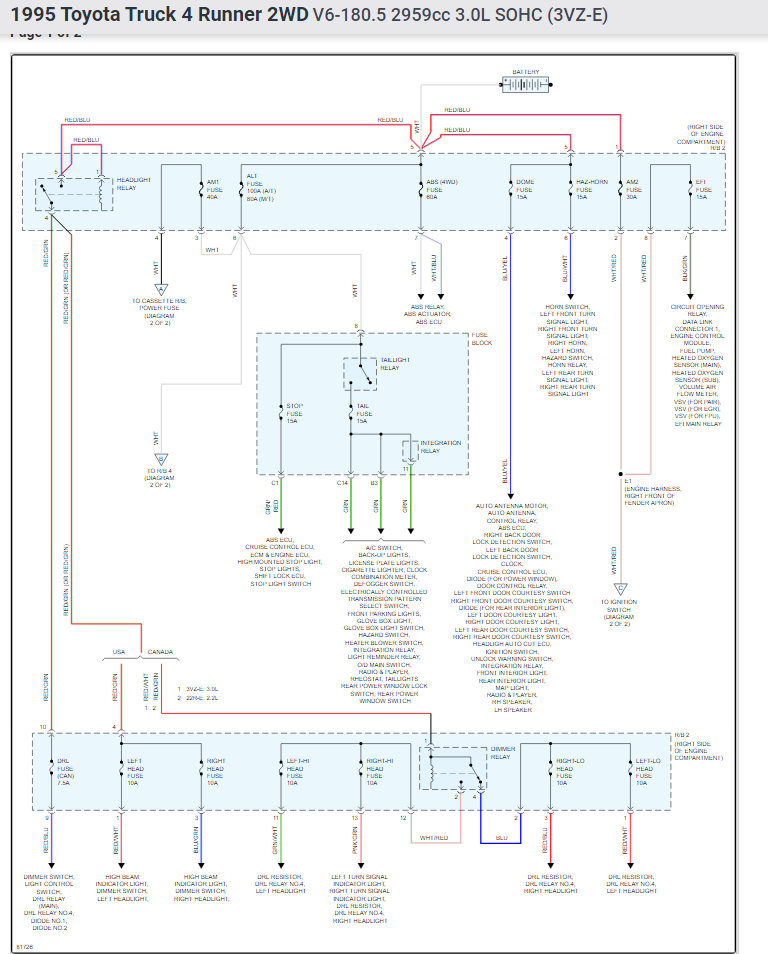
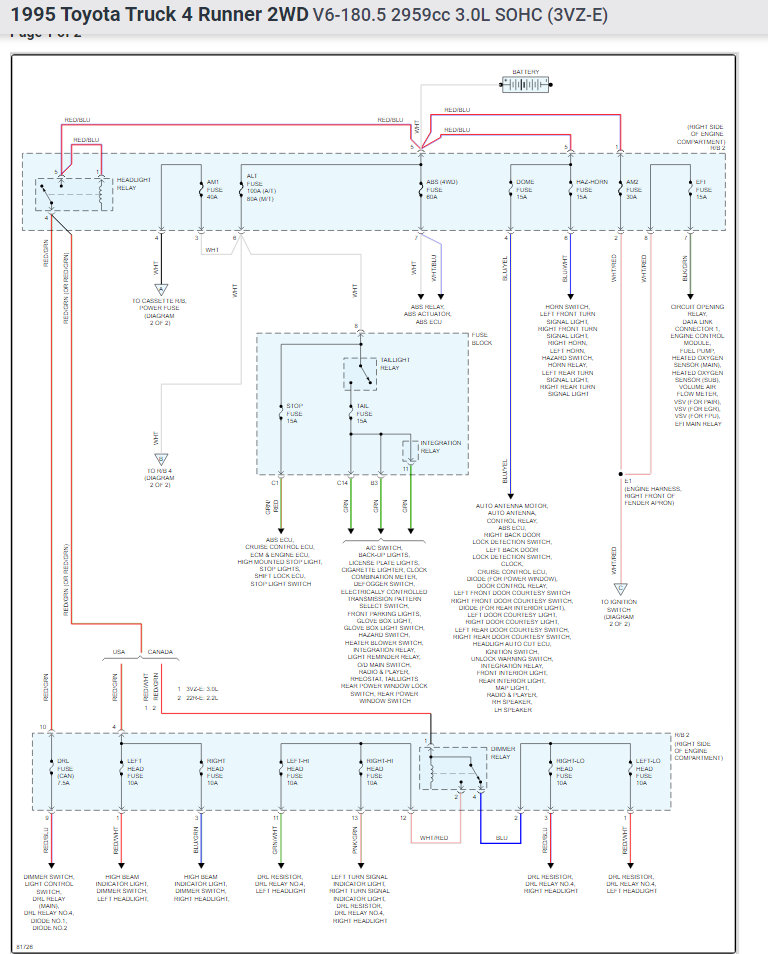
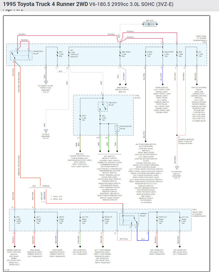
See attached for the wiring schematics for the fuse box.

Please let me know of any questions.

Thank you.
Was this
answer
helpful?
Yes
No
Thursday, August 26th, 2021 AT 12:50 PM

Please login or register to post a reply.