Engine wiring diagrams please?

Tiny
WIZARDKHALIFA
  • MEMBER
  • 2003 CHEVROLET TAHOE
  • 5.3L
  • V8
  • 4WD
  • AUTOMATIC
  • 180,000 MILES
So my AT tire rubbed a couple of wires just out of my PCM when I made a sharp right turn. Two dark blue with white stripe and one orange wire. The truck stalled out and I repaired the wires and now when I turn the key to on, everything works, when I try to start the display goes black and I do not get any power to the starter.

So far I have checked all fuses. All of the relays will engage when I jump them off the battery, and I jumped my starter off the terminal to the battery and I get power to the starter but it will not crank/run.

I am out of ideas. What do I need to do?
Saturday, December 1st, 2018 AT 4:13 PM

4 Replies

Tiny
ASEMASTER6371
  • MECHANIC
  • 52,796 POSTS
Good evening,

Can you post a picture of the wires that were rubbed?

Did you check the battery voltage to be sure it is good.

https://www.2carpros.com/articles/car-cranks-but-wont-start

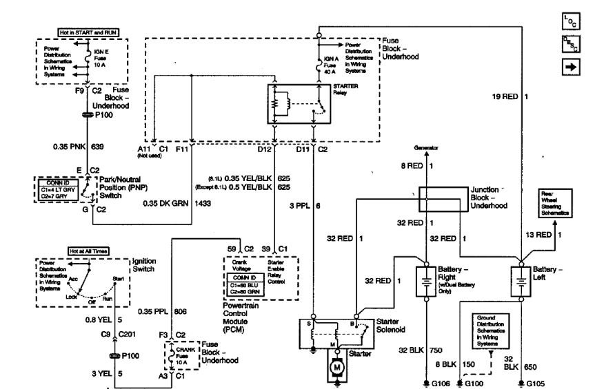
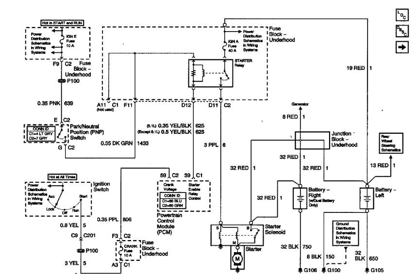
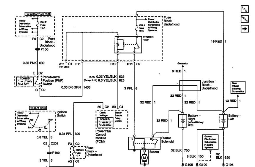
I will attach a wiring diagram for you to view. You will need to verify power from the ignition switch to the fuse to the relay and the PCM.

Roy
Was this
answer
helpful?
Yes
No
Saturday, June 5th, 2021 AT 2:48 PM
Tiny
WIZARDKHALIFA
  • MEMBER
  • 3 POSTS
I cannot get a picture at the moment but both come out of the bottom of the PCM and were a dark blue with white line, there was a yellow/orange wire that was slightly exposed and I reattached then taped and retaped the group. The only one getting power with the car on was one of the blue/white wires and it had a strong reading.
Was this
answer
helpful?
Yes
No
Saturday, June 5th, 2021 AT 2:48 PM
Tiny
KEN L
  • MASTER CERTIFIED MECHANIC
  • 55,158 POSTS
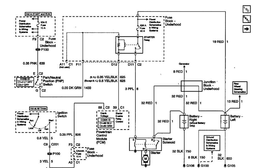
Is the security light flashing? Here is the complete wiring diagrams for the PCM so you can check your work. Let us know what you find
Was this
answer
helpful?
Yes
No
Saturday, June 5th, 2021 AT 2:48 PM
Tiny
WIZARDKHALIFA
  • MEMBER
  • 3 POSTS
Okay, I did have a chance at work today to check my relay grounds today while I was at work (truck is at the office) I fixed the problem (bad PCM ground) thank you.
Was this
answer
helpful?
Yes
No
Saturday, June 5th, 2021 AT 2:48 PM

Please login or register to post a reply.