Thursday, October 13th, 2022 AT 2:48 PM
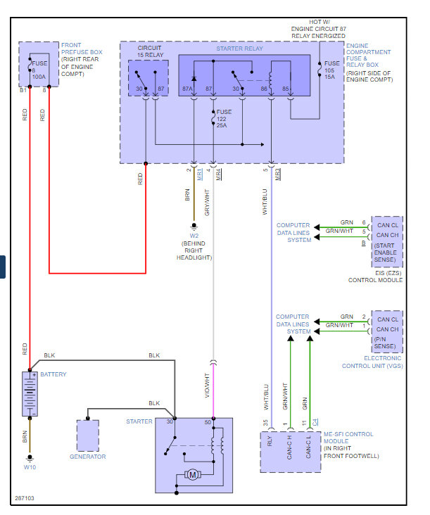
This vehicle cannot start from ignition switch. When you turn on the ignition switch, you will hear a click sound on the starter motor as if the starter wants to engage. When you turn and hold the key, the ignition light will be turned off and comes on again but cannot start, and also there was no power to dlc terminal 16. What's the cause of this no crank? And also, how do I locate circuit 15?






