Sunday, June 13th, 2021 AT 3:41 AM
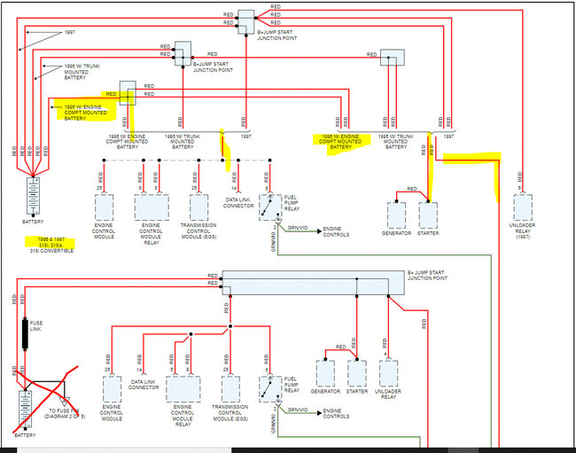
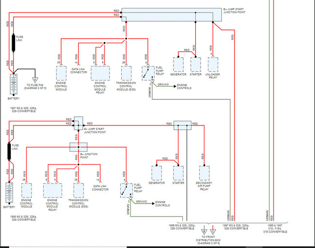
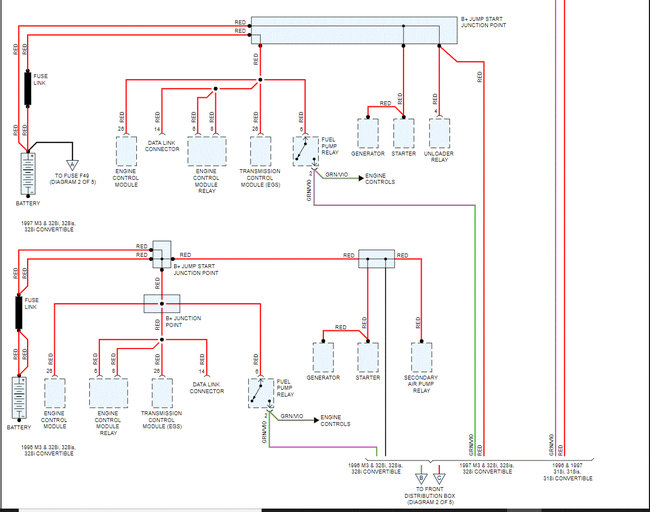
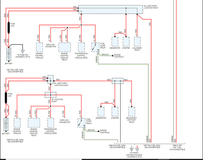
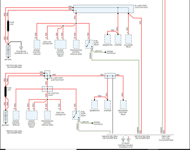
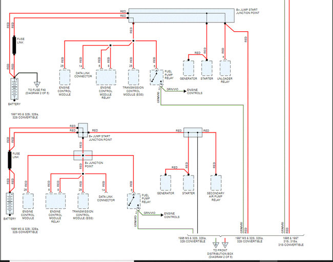
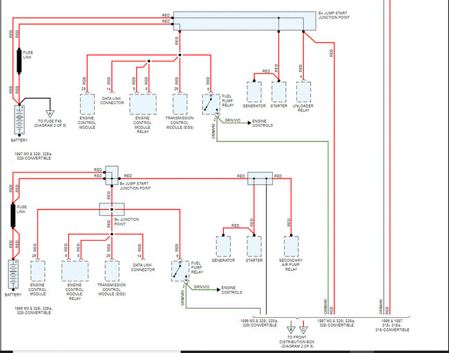
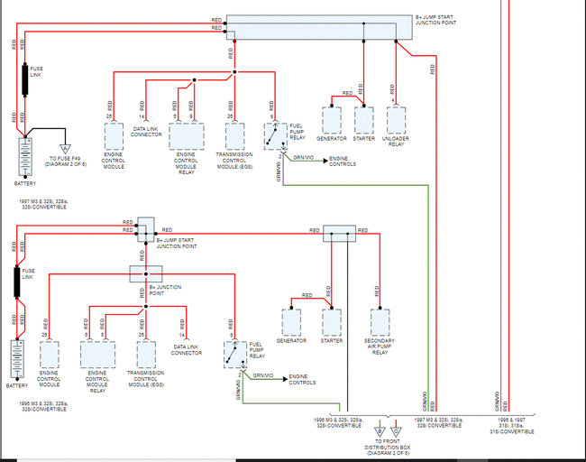
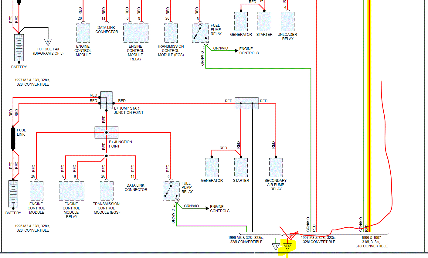
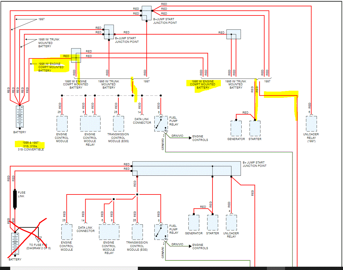
Car listed above is 318i E36. When I used to connect the battery on my car the central door locks would make clicking/resetting sound telling me that my battery was connected!Everything working fine up to then. So I recently decided to lay my car up for a few months by disconnecting the battery etc. When I came back to the car a few months later and reconnect the battery I didn't hear the normal clicking/reset sounds telling me that the battery had been connected nothing. Is this a faulty Engine Control Module relay/fuse causing the central door relay switches not to work? PS. Even though I have replaced the battery with a new new one, there is no power getting to car?
















