Theft system?

Tiny
PATTY8788
  • MEMBER
  • 1998 CADILLAC DEVILLE
  • V8
  • FWD
  • AUTOMATIC
  • 68,937 MILES
"theft system problem car may not restart" this message flashes on dash, how can I clear this message?
Friday, April 8th, 2016 AT 7:34 PM

25 Replies

Tiny
HMAC300
  • MECHANIC
  • 48,601 POSTS
Try resetting theft system by using this guide

https://www.2carpros.com/articles/how-to-reset-a-security-system

Please run down this guide and report back.

Was this
answer
helpful?
Yes
No
-2
Saturday, April 9th, 2016 AT 6:40 AM
Tiny
MISSY127
  • MEMBER
  • 1 POST
  • 1998 CADILLAC DEVILLE
  • 110,000 MILES
I have codes cycling anti theft system problem airbag service coolant p r d 1 2 3 light is blinking. When the codes come on it disables the radio heat/air seat controls and something is draining my battery. Please help I am lost.
Was this
answer
helpful?
Yes
No
Saturday, August 29th, 2020 AT 1:58 PM (Merged)
Tiny
KEN L
  • MASTER CERTIFIED MECHANIC
  • 55,291 POSTS
Hello,

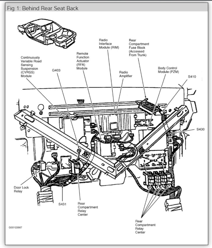
It sounds like you have a BCM that is out or a bad ground or power supply to the BCM. Here is a wiring diagram and the BCM location so you can test for power and ground. If okay then it looks like the BCM will need to be replaced.

There are 5 fuses that run the system they all must be checked before you begin. They are listed in the wiring diagram below.

https://www.2carpros.com/articles/how-to-check-a-car-fuse

and

https://www.2carpros.com/articles/how-to-check-wiring

and

https://www.2carpros.com/articles/how-to-use-a-test-light-circuit-tester

(Check out the diagrams below) If the BCM is bad you will need to have it programmed to the car before it will work.

Please let us know what you find. We are interested to see what it is.

Cheers, Ken
Was this
answer
helpful?
Yes
No
Saturday, August 29th, 2020 AT 1:58 PM (Merged)
Tiny
JOE LANEY
  • MEMBER
  • 1 POST
  • 1998 CADILLAC DEVILLE
  • V8
  • 2WD
  • AUTOMATIC
  • 144,000 MILES
Hi, My passive security system goes off every time I stop. The horn bloes and the head lights flash for about a minute.
Was this
answer
helpful?
Yes
No
Saturday, August 29th, 2020 AT 1:58 PM (Merged)
Tiny
FACTORYJACK
  • MECHANIC
  • 4,159 POSTS
Is this when you stop and the vehicle is shut off? It should not be armed if the vehicle has an ignition input. If it happens when the vehicle is stationary, locked with key off, you could have a trunk tamper or door lock cylinder switch that is faulty.
Was this
answer
helpful?
Yes
No
+1
Saturday, August 29th, 2020 AT 1:58 PM (Merged)
Tiny
RED99CAMARO
  • MEMBER
  • 1 POST
  • 1998 CADILLAC DEVILLE
  • V8
  • FWD
  • AUTOMATIC
  • 85,050 MILES
My 1998 Cadillac DeVille, with 89,050 miles, was just purchased by me a week ago. I have had no problems at all until this morning. When I approached the car and pushed the unlock button, nothing happened. Tried all buttons on the remote and nothing worked. Unlocked car with key and noticed no interior lights. Turned key and started car, started fine, but the horn was blowing like it was just broken into. Shut off car and the entire dash was blinking on and off for about 2 minutes. Finally quit flashing but continues to do same thing everytime I start it. I figure it is and electrical problem but not sure where to start.
Was this
answer
helpful?
Yes
No
+1
Saturday, August 29th, 2020 AT 1:58 PM (Merged)
Tiny
DR LOOT
  • MECHANIC
  • 2,311 POSTS
Whenever an electrical problem occurs, the first thing to do is check your battery terminals make sure they are clean and make sure they are tight, have you replaced the battery in your remote? Checkout both things and get back to me, and I will lead you in a different direction.
Was this
answer
helpful?
Yes
No
-1
Saturday, August 29th, 2020 AT 1:59 PM (Merged)
Tiny
BILL-JEANNE
  • MEMBER
  • 1 POST
The battery is new and terminals are cleaned and tight. The dash says security system problem. The car started but died when the gas pedal is engaged. We bought new batteries for both of our remotes. However, the remotes do not work. The car will not start at all now.
Was this
answer
helpful?
Yes
No
+8
Saturday, August 29th, 2020 AT 1:59 PM (Merged)
Tiny
RONNIE BUTLER
  • MEMBER
  • 2 POSTS
  • 1998 CADILLAC DEVILLE
  • V8
  • FWD
  • AUTOMATIC
  • 200,000 MILES
It reads a message theft system car may not restart
and also service air bag it done this once before and I un hooked battery and it done nothing for it until a month later it was just fine all the suden now the same thing has happen again want to know if the computer has a way to hold power for a while or if it has a reset the radio wont work the trunk button or fuel door nothing in the dash the seats wont either but the windows do and it starts and will only run for a few seconds. Any ideas I have a chip key and it and the wires in the ignition have been checked they are fine it does start an rin for about 8 seconds
Was this
answer
helpful?
Yes
No
Saturday, August 29th, 2020 AT 1:59 PM (Merged)
Tiny
BMRFIXIT
  • MECHANIC
  • 19,053 POSTS
Security system
have to be fixed or bypassed

do you have a chip on your key?
Was this
answer
helpful?
Yes
No
+2
Saturday, August 29th, 2020 AT 1:59 PM (Merged)
Tiny
RONNIE BUTLER
  • MEMBER
  • 2 POSTS
The wires in the ignition are good the key is good and it reads no codes I tried to relearn I dont know if im doing that right it startsbut only runs for a few seconds then dies displays no fuel level are none of the diplars they just have 2 lines ecept the gear indictors light up and flash it says theft system problem car may not re start and flashes to service air bag and head lamps sugessted radio does not work tunk will not pop seats will not move climate control buttons do not work im lost help last time I charged my battery all night hooked it up and it fixed self after it set for a month I cant have that now it is only wheels now
Was this
answer
helpful?
Yes
No
-1
Saturday, August 29th, 2020 AT 1:59 PM (Merged)
Tiny
BMRFIXIT
  • MECHANIC
  • 19,053 POSTS
This video explain the security system
http://www.youtube.com/watch?v=15wqbUJ9FxE&feature=related
Was this
answer
helpful?
Yes
No
Saturday, August 29th, 2020 AT 1:59 PM (Merged)
Tiny
FACTORYJACK
  • MECHANIC
  • 4,159 POSTS
You do not have a security system issue. What you probably are experiencing is a Class 2 communications system fault, short to power or ground. Every module on the vehicle is class 2, it could be a result of a faulty module, or a circuit problem.
Was this
answer
helpful?
Yes
No
Saturday, August 29th, 2020 AT 1:59 PM (Merged)
Tiny
SHALOAH
  • MEMBER
  • 3 POSTS
  • 1998 CADILLAC DEVILLE
Hi, Im having trouble with my 98 cadillac deville. One morning I got in my car and got the warning "theft system problem car may not restart" Iv replaced my key and lock. I do have a dead short that iv traced back to my comfort fuse in the rear hatch. Iv tried to pull codes several times but there's none to pull. It just reads pcm? Icm? And so forth. Wondering if I may have a pcm. Would that be causing the short back to my battery.
Was this
answer
helpful?
Yes
No
Saturday, August 29th, 2020 AT 1:59 PM (Merged)
Tiny
FACTORYJACK
  • MECHANIC
  • 4,159 POSTS
The PCM would not relate to a short on the comfort fuse circuit. Is the fuse blowing, or the battery going dead? When you press and hold off and warmer, it should display any codes for each module, or no XXX codes if there are no codes in the respective module. When it says PCM, and you press fan up, it should select PCM, and fan down will scroll options like PCM override, PCM codes, PCM data, etc. Highlight PCM codes and press fan up again, it should display codes. Or, scroll to VTD codes, and perform the same procedure.
Was this
answer
helpful?
Yes
No
-3
Saturday, August 29th, 2020 AT 1:59 PM (Merged)
Tiny
SHALOAH
  • MEMBER
  • 3 POSTS
The fuse dosnt blow it just runs the battery down. When I run the codes it just cycles through saying "no xxx codes" on all counts.
Was this
answer
helpful?
Yes
No
-1
Saturday, August 29th, 2020 AT 1:59 PM (Merged)
Tiny
FACTORYJACK
  • MECHANIC
  • 4,159 POSTS
So after you replaced the ignition lock and key, you have no theft message, it sounds like you have no codes, so your concern is a battery drain that goes away when the comfort fuse is removed?
Was this
answer
helpful?
Yes
No
Saturday, August 29th, 2020 AT 1:59 PM (Merged)
Tiny
SHALOAH
  • MEMBER
  • 3 POSTS
The drain with the fuse started the same time the theft messages started. It starts for about 2 seconds and dies. I replaced the key and lock but it still does the same thing. It will start for a few seconds and die. The air and radio doesnt come on ither. I originaly tracked the drain to the Body 3 fuse on the forward fuse panel and then further to the comfort fuse in the rear. Also I have a slight drain from the pull down fuse in the rear compartment. All these problems started at the same time.
Was this
answer
helpful?
Yes
No
+1
Saturday, August 29th, 2020 AT 1:59 PM (Merged)
Tiny
FACTORYJACK
  • MECHANIC
  • 4,159 POSTS
You mention drains and slight drains, but give no specifics. On the slight drain from the pull down fuse, what is slight? Some is acceptable, around 20-30 mA. By pulling the comfort fuse, you are affecting several circuits. It supplies power to the CD changer, remote function actuation(keyless), heater and a/c programmer, and platform zone module(body control). It also powers the control side of what is called the controlled power relay. This relay is grounded by the PZM. The pull down fuse just supplies power to the pull down motor. First thing I would do, is with all circuits intact, pull the controlled power relay that is in the rear electronics bay in relay center #1. If the draw goes away, something is keeping the PZM awake. This could be somewhat complex to locate without a scan tool. Does this vehicle have aftermarket stuff installed in it, by chance. That is a major contributor to electrical problems on these vehicles.
Was this
answer
helpful?
Yes
No
Saturday, August 29th, 2020 AT 1:59 PM (Merged)
Tiny
A1P9A6C7K
  • MEMBER
  • 1 POST
  • 1998 CADILLAC DEVILLE
  • V8
  • 2WD
  • AUTOMATIC
  • 120,000 MILES
The message comes up when I try ti start the car " starter disabled due to anti theft " how can this be disabled I can not start the car?
Was this
answer
helpful?
Yes
No
+1
Saturday, August 29th, 2020 AT 1:59 PM (Merged)

Please login or register to post a reply.

Related Security Content