Friday, December 15th, 2017 AT 2:05 PM
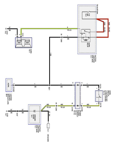
Had to replace some vent actuators and the heater core. After do that, started the car and the horn started to continuously blow with the ignition key on or off, I do not know what it could possibly be I tried everything. Do think this bracket could have something to do with it.




