The heating and radio system not turning on

Tiny
PAUL SHO
  • MEMBER
  • 2012 CHEVROLET CAPRICE
  • 1.8L
  • AUTOMATIC
  • 72,000 MILES
Can use the drive wheel to adjust the radio but cannot turn it on.
Friday, May 28th, 2021 AT 2:52 AM

3 Replies

Tiny
JACOBANDNICKOLAS
  • MECHANIC
  • 110,192 POSTS
Hi,

If the radio isn't turning on, the first thing we need to check is if it is receiving power. There is a fuse in the rear luggage compartment fuse box (left side) that powers the radio. I need you to check it.

In addition to checking the fuse, make sure there is power to and from it. Here is a link you may find helpful:

https://www.2carpros.com/articles/how-to-check-a-car-fuse

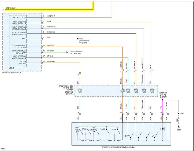
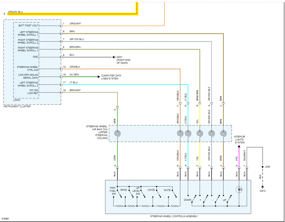
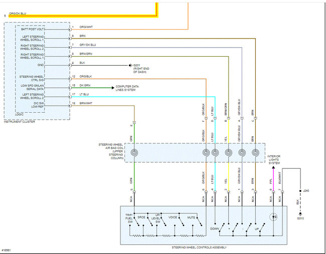
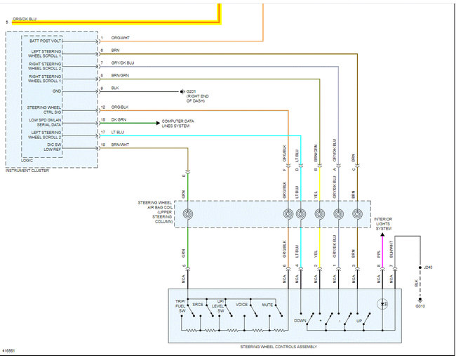
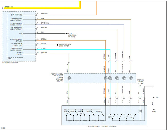
If you look below at the first 4 pics, I included the entire wiring schematic for the audio system. I had to cut the pics in half to make them readable, but I did overlap them so you can follow from one to the next. Pic 3 shows the fuse. Pic 5 shows the fuse location in the box. They are very poorly labeled. The box is above the battery and the fuse is 25 amp.

Let me know what you find or if you have other questions.

Take care,

Joe

See pics below.

Was this
answer
helpful?
Yes
No
Friday, May 28th, 2021 AT 8:21 PM
Tiny
PAUL SHO
  • MEMBER
  • 2 POSTS
Thank you Joe. My car is Chevrolet Orlando 2012 Automatic 1.8. When I start the car, the heating stay on high and not turning on or off, is same with radio also.
Please, what can I do?
Was this
answer
helpful?
Yes
No
Saturday, May 29th, 2021 AT 2:00 PM
Tiny
JACOBANDNICKOLAS
  • MECHANIC
  • 110,192 POSTS
Hi,

The Orlando isn't offered in the US, so I don't have the specifics on it. However, I will try my best to help.

Do me a favor. Locate and remove the radio fuse. It should be under the dash in a fuse panel. Let me know if that turns off the radio.

Do the same with the blower motor. The blower motor fuse may be under the hood but check both places.

Only remove one fuse at a time to see if there is one of them that turns things off. If there is, then we know that circuit is causing the problem with a short to power.

If you do narrow it down to one of the circuits, check the wiring from that fuse to see if there is damage under the fuse box or even the connectors in the fuse box. Here is a link you may find helpful:

https://www.2carpros.com/articles/how-to-check-wiring

Let me know what you find or if you have other questions.

Take care,

Joe
Was this
answer
helpful?
Yes
No
Saturday, May 29th, 2021 AT 6:44 PM

Please login or register to post a reply.