Wednesday, April 29th, 2020 AT 5:44 PM
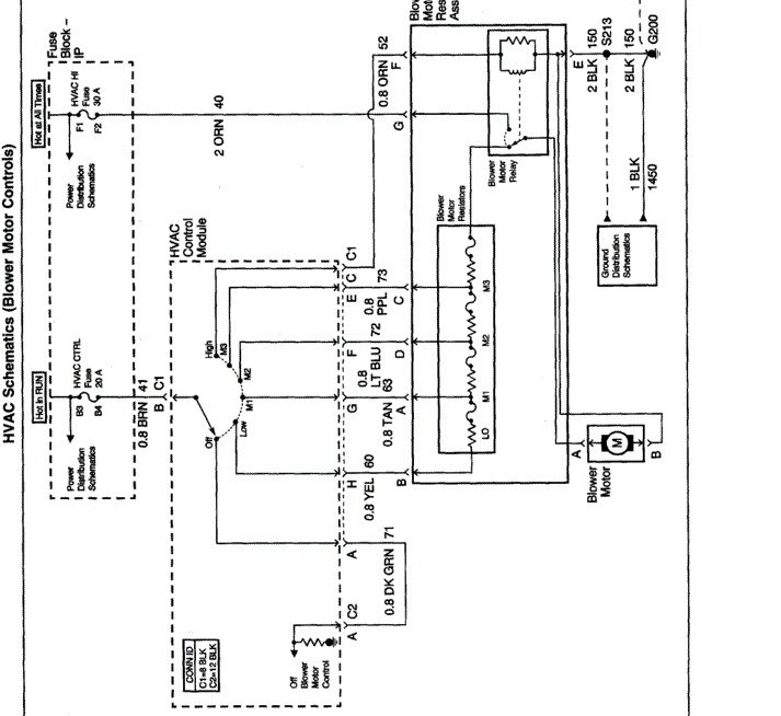
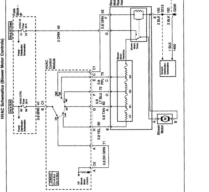
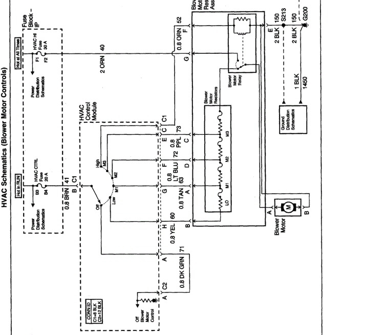
I placed voltmeter at pin A of the blower motor when the switch is in position 5 (Hi) and there is 12v present. And then moved it to pin B of the blower motor and 12v is present at this point too. That is what I do not understand why both wiring reads 12 volts?








