The A/C will not turn off

Tiny
BEOROBOL
  • MEMBER
  • 2009 NISSAN TITAN
  • 5.6L
  • V8
  • 2WD
  • AUTOMATIC
  • 126,000 MILES
The A/C will not turn off. When you turn it off it blows down on your feet.
Saturday, September 8th, 2018 AT 5:58 PM

1 Reply

Tiny
KEN L
  • MASTER CERTIFIED MECHANIC
  • 55,535 POSTS
Hello,

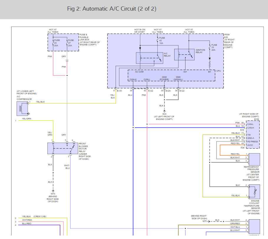
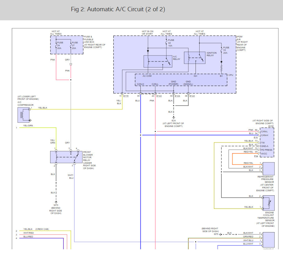
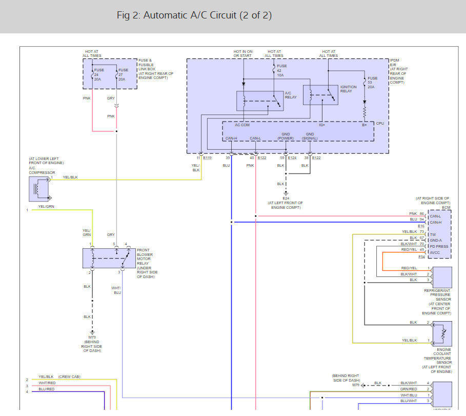
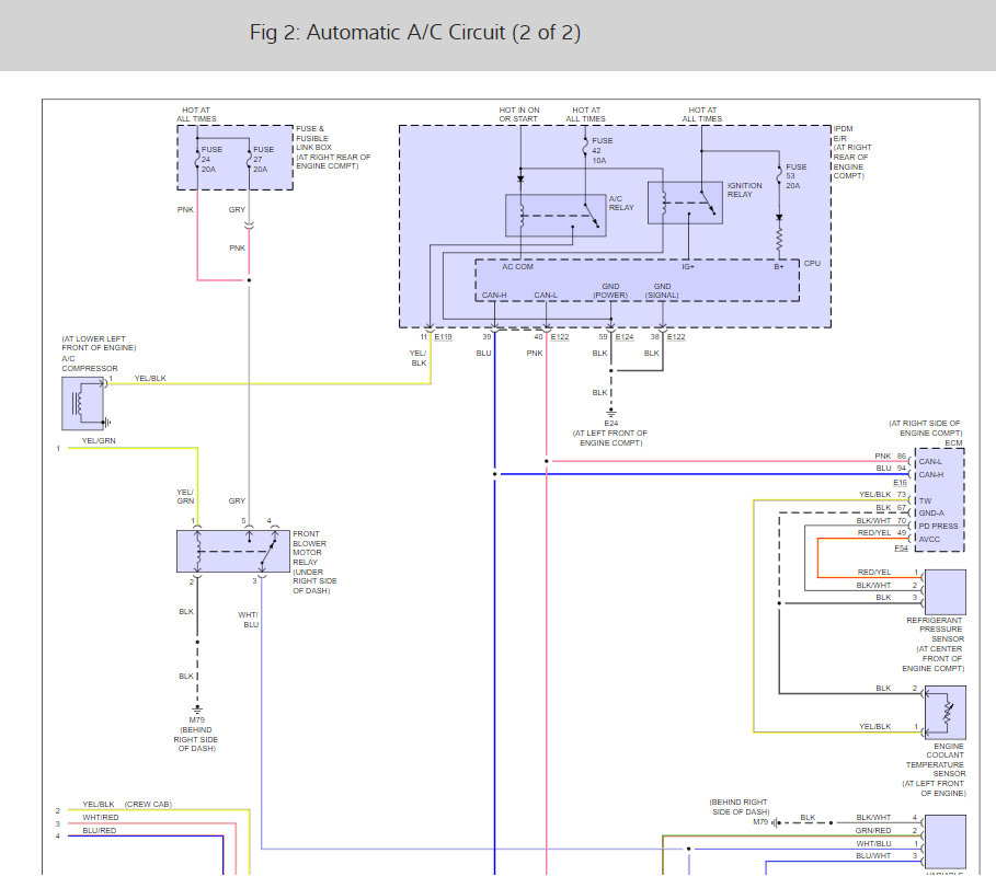
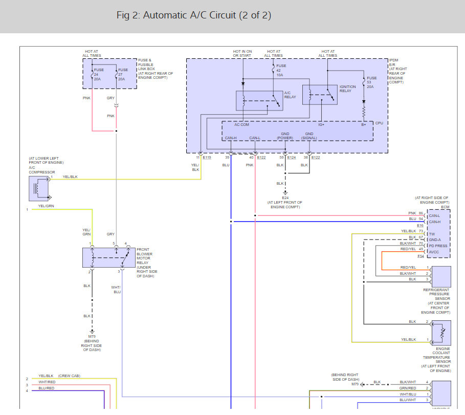
It sounds like you have a blower motor relay that is stuck on which happens. Here is a guide to help you confirm the issue with the replace location and the blower motor wiring diagrams so you can see how the system works:

https://www.2carpros.com/articles/how-to-check-an-electrical-relay-and-wiring-control-circuit

Front Blower Motor Relay (M107).

Check out the diagrams (below). Please let us know what you find.

Cheers, Ken
Was this
answer
helpful?
Yes
No
Monday, September 10th, 2018 AT 12:15 PM

Please login or register to post a reply.