Sunday, December 27th, 2020 AT 12:06 PM
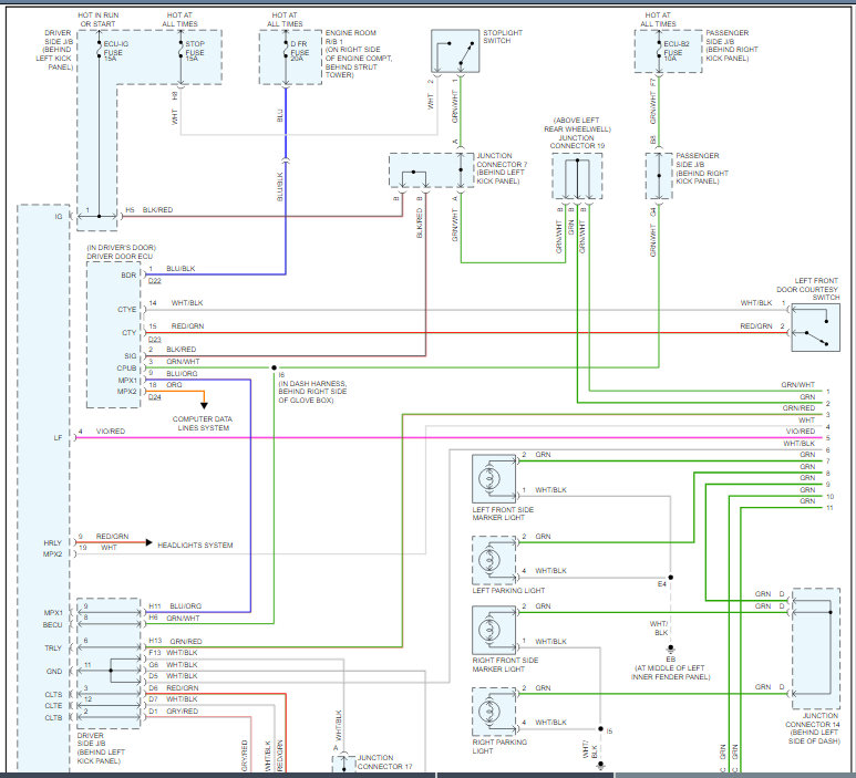
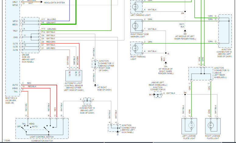
I’m not getting any power to the parking lamps. License plate lights. Or side marker lights. The brake lights and reverse and turn signal lights still work. I checked the fuse box and noticed 3 fuses that are not getting power. Or they are not active. Not sure if they are supposed to be powered at all times or not. But using my test light it shows they are not working. They are labeled DRL #1. HL r. HL l There are 3 fuses. The car does have aftermarket tail lights which are LED. I’m replacing those with OEM bulbs again. All my other lights work; headlights, fog lights, so on. I need my running lights and license plate/parking lights to work so I can pass the brake light inspection. Please help. I’ve looked online for any information on this. Maybe one of you can help. Thanks.







