Tail lights do not work when I have my headlights on

Tiny
JANICE RATH
  • MEMBER
  • 2008 CHRYSLER PT CRUISER
  • 2.1L
  • 6 CYL
  • 2WD
  • AUTOMATIC
  • 167,786 MILES
My brake lights work fine. Is there a fuse for my tail lights?
Friday, January 4th, 2019 AT 3:21 PM

1 Reply

Tiny
KASEKENNY
  • MECHANIC
  • 18,907 POSTS
There is a a fuse for these lamps but it is also for the license plate lamp so if that is out as well then the fuse is the issue. Here is a guide that will help with this:

https://www.2carpros.com/articles/how-to-check-a-car-fuse

Also, here is a guide that will help with testing the voltage as that is what we need to do in order to figure out what the issue is:

https://www.2carpros.com/articles/how-to-check-wiring

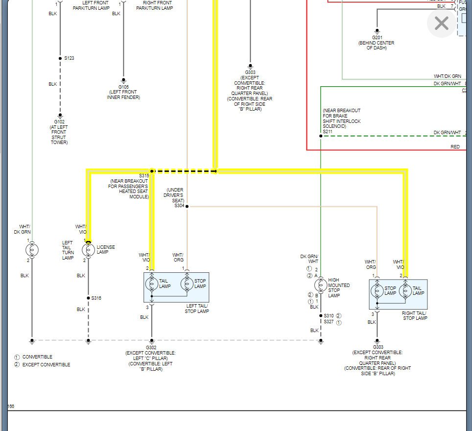
Below is the wiring diagrams from the manual that will help with this in order to figure out what the possible issue is. However, I suspect you will find the fuse is the issue if the plate light is out as well.

Please let us know if you have other questions. Thanks
Was this
answer
helpful?
Yes
No
Thursday, June 10th, 2021 AT 3:28 PM

Please login or register to post a reply.