Tail lights

Tiny
TOMMYTUPPENCE74
  • MEMBER
  • 2005 HYUNDAI ELANTRA
  • 4 CYL
  • 2WD
  • AUTOMATIC
  • 101,000 MILES
When I shut my car off tonight the tail lights stayed on. The headlights are off, there are no warning lights or any other problem. I restarted and turned off the car and lights a few times, they are still on after four hours.
Friday, February 23rd, 2018 AT 10:46 PM

3 Replies

Tiny
MIKE H R
  • MECHANIC
  • 3,094 POSTS
Check the positioning switch, it keeps the tail lights on when the switch is turned on in case of a brake down on the road.
Was this
answer
helpful?
Yes
No
Monday, February 26th, 2018 AT 8:56 AM
Tiny
TOMMYTUPPENCE74
  • MEMBER
  • 1 POST
I don't know what the positioning switch is or where it's located. I also don't understand what "a break down on the road" means.
Was this
answer
helpful?
Yes
No
Tuesday, February 27th, 2018 AT 10:01 AM
Tiny
KEN L
  • MASTER CERTIFIED MECHANIC
  • 55,499 POSTS
Hello,

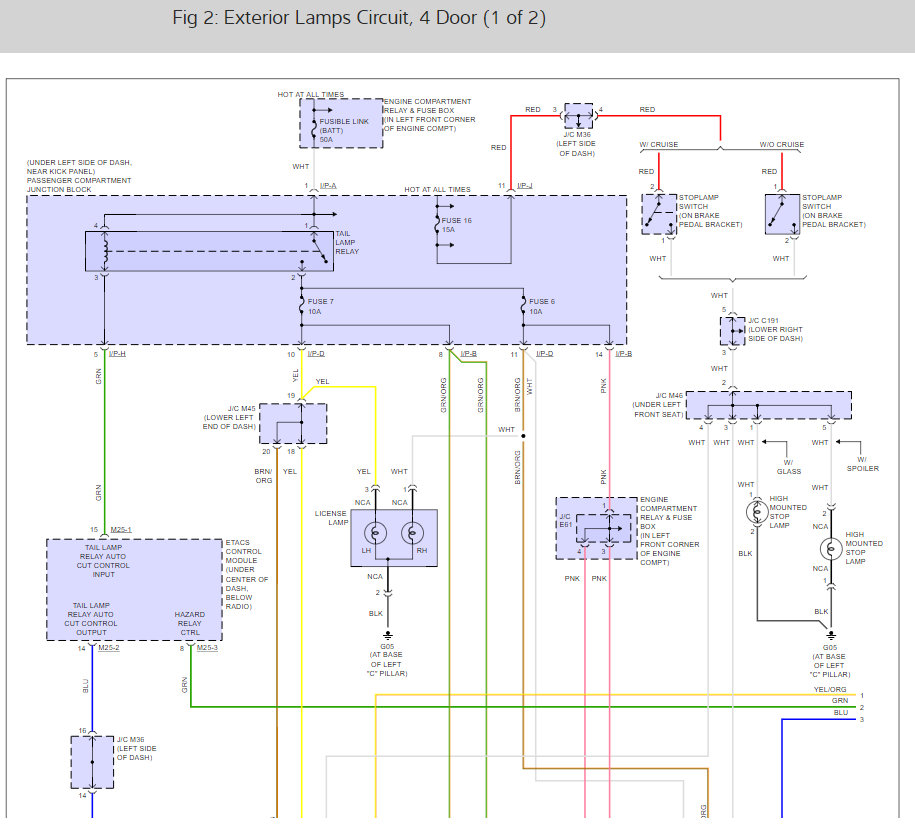
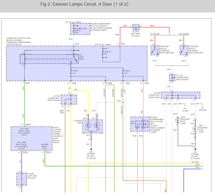
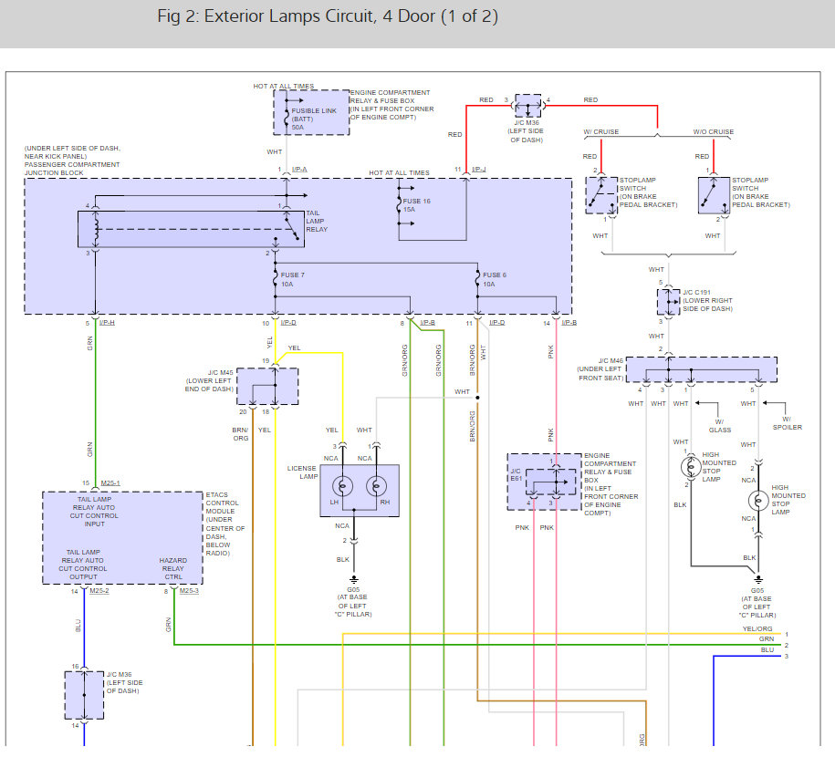
You have a tail light relay that is stuck on and needs to be replaced. Here is a wiring diagram for the running lights so you can see how the system works and a guide to help you test the relay once you find it from the diagrams below.

https://www.2carpros.com/articles/how-to-check-an-electrical-relay-and-wiring-control-circuit

The relay is under the dash on the drivers side here are fuse and relay locations so you can see where to find it. I would save this page in your favorites for future reference.

Check out the diagrams (Below)

Let us know what happens and please upload pictures or videos of the problem.

Cheers, Ken
Was this
answer
helpful?
Yes
No
Tuesday, February 27th, 2018 AT 10:20 AM

Please login or register to post a reply.