2001 Hyundai Elantra parking lites stay on and right mirror

Tiny
JRW3150
  • MEMBER
  • 2001 HYUNDAI ELANTRA
  • 4 CYL
  • FWD
  • MANUAL
  • 104,975 MILES
My 2001 elantra parking lights stay on or come on by
themselves when car is stopped. Also my rightside
power mirror changes it setting by itself. All this happens when ignition is off and car is parked. You come out and find the lights lit. Any clue?
Tuesday, February 3rd, 2009 AT 3:01 PM

3 Replies

Tiny
KHLOW2008
  • MECHANIC
  • 41,814 POSTS
Hi jrw3150,

Thank you for the donation.

This is a very strange phenomenon.

For the lights it might be due to some control unit malfunctioning somewhere. Constant power supply is available even when ignition is off and it could be due to the alarm system malfunctioning.

For the power mirrors, it is not possible for it to happen as it receives power ONLY when ignition switch is in ACC or ON position, so this is baffling.

How do you turn the park lights off when they light up themselves?
Are you able to adjust the mirror without turning on the ignition keys, when they self adjusted? Does it happen each time you you stop the vehicle? How long after stopping when it happens?
Do you have any after market auto start system installed?
Was this
answer
helpful?
Yes
No
Wednesday, February 4th, 2009 AT 3:38 PM
Tiny
JRW3150
  • MEMBER
  • 3 POSTS
Lights will come on about 1 or 2 minutes after ignition is turned off. I remove fuse to shut them off otherwise I don, t have tail lights while driving at night or dash lights if I don't put it back in before driving. I don't have alarm system or remote start The mirror changes posiition while I'm driving or ignition is on only when the switch is in center position. I suspect corrsion on wires inside driver side door. Read about that somewhere. Also when I put fuse back in I see sparks when blades make contact with the connection. I don't think it should be hot when ignition is off. I guess you can tell I have been troubleshooting this for awhile. Anymore idea s will be appreciated. John
Was this
answer
helpful?
Yes
No
Thursday, February 5th, 2009 AT 7:09 AM
Tiny
KHLOW2008
  • MECHANIC
  • 41,814 POSTS
Hi jrw3150,

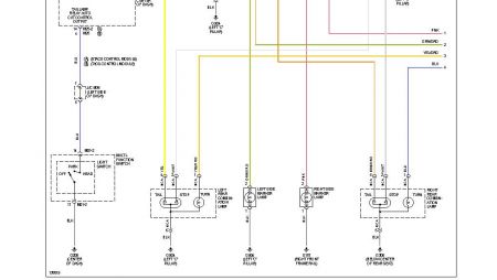
The taillights fuse is hot at all tiems so the ignition switch is not required to be on for it to operate. Either the taillight relay is stuck in the on position or you have a bad switch that is not turning off. Which fuse did you unplug?


https://www.2carpros.com/forum/automotive_pictures/192750_Taillight01Elantra01_1.jpg




https://www.2carpros.com/forum/automotive_pictures/192750_Taillight01Elantra01a_1.jpg



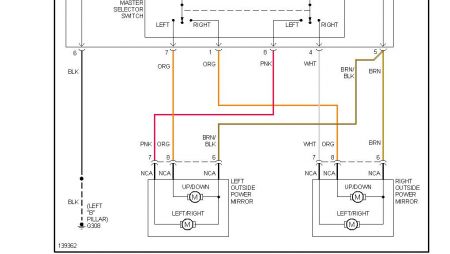
If the switch is at the central position, there should be no power supply to the mirrors therefore if the wiring harness are bad, it should not cause any problem unless power from another source is getting to the mirror circuit. I would suspect the switch to be the culprit.


https://www.2carpros.com/forum/automotive_pictures/192750_Mirror01Elantra01_1.jpg




https://www.2carpros.com/forum/automotive_pictures/192750_Mirror01Elantra01a_1.jpg

Was this
answer
helpful?
Yes
No
Friday, February 6th, 2009 AT 9:36 AM

Please login or register to post a reply.