Friday, February 27th, 2009 AT 7:06 PM
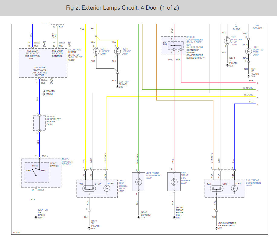
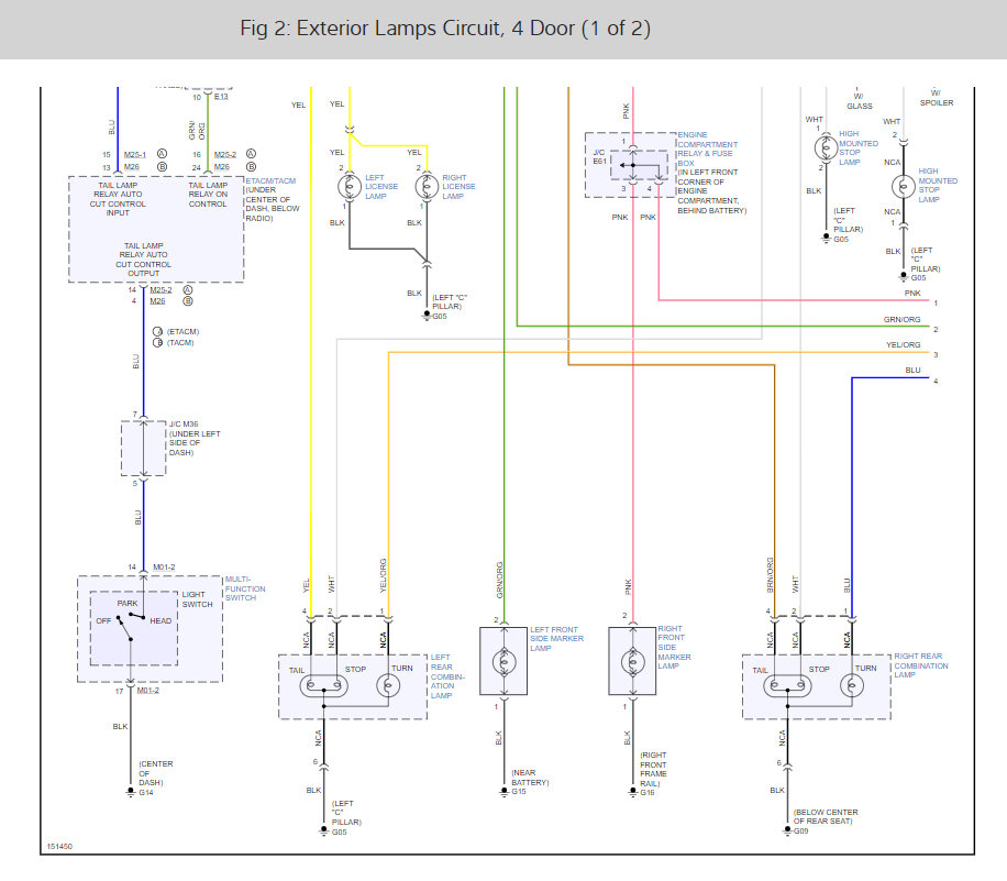
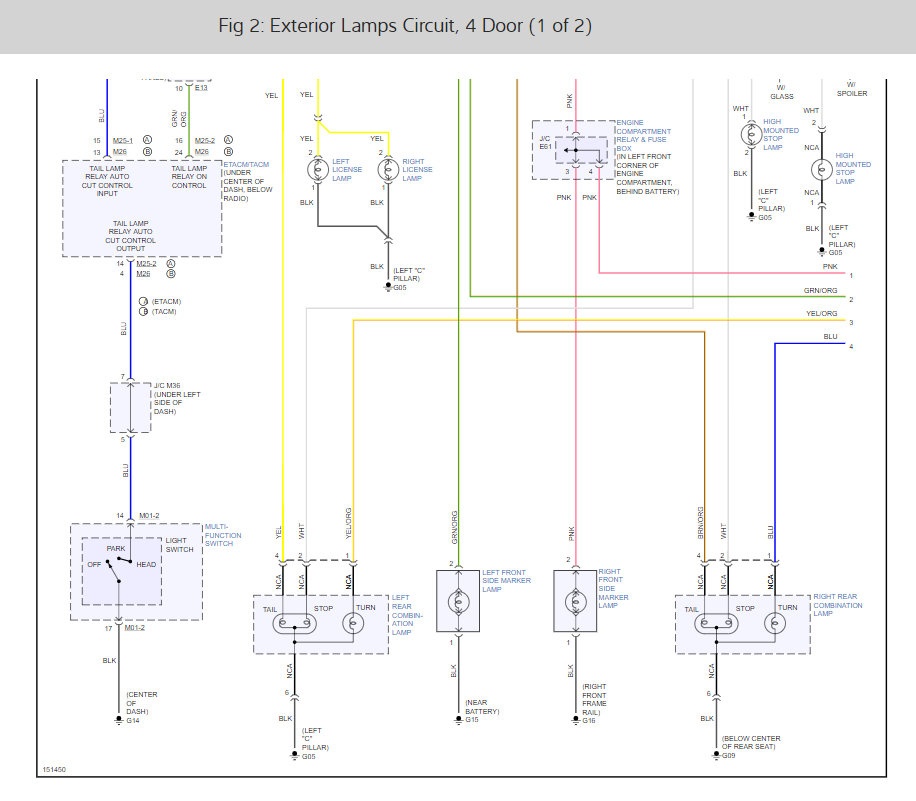
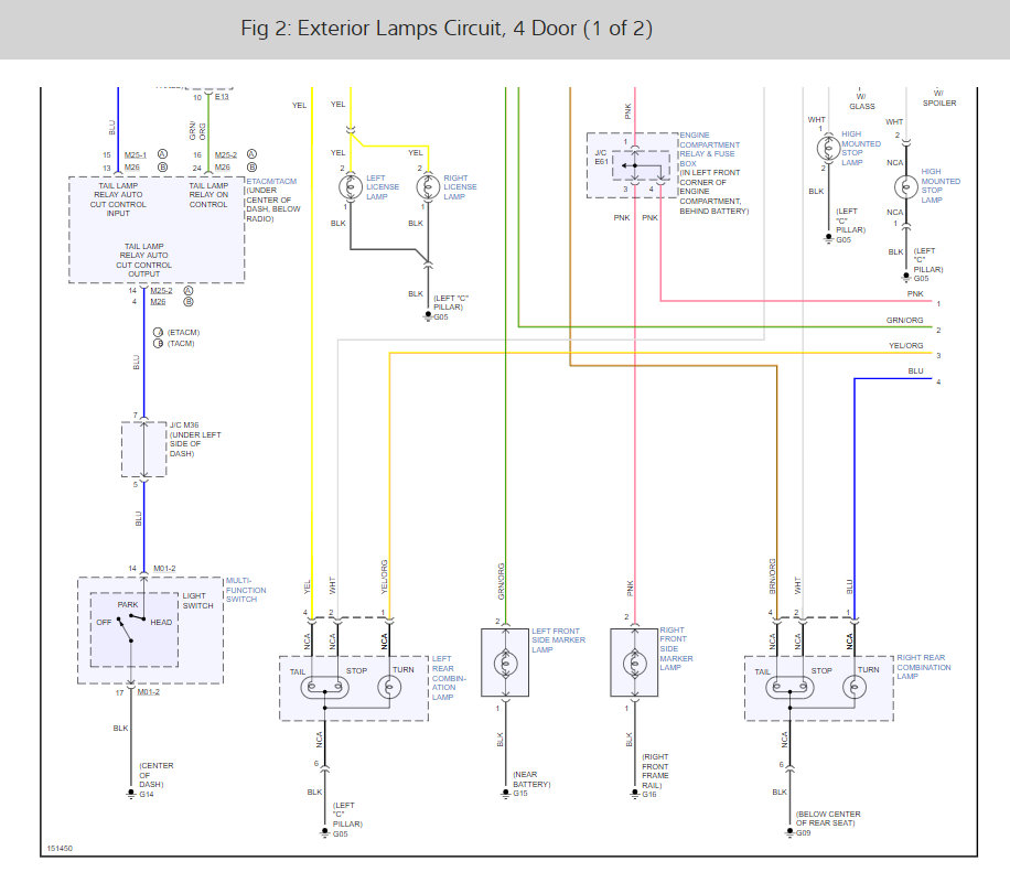
Drivers side tail light will not work. I have changed 2 bulbs now thinking maybe I got a bad one, but the second one did not work either. I literally took each rear end light off, disconnected the lead wires to the lights and pull the harness out of the grommet. I tried the drivers side rear end light on the passenger and it worked, then took the passenger to the drivers and again, did not work. I know there's nothing wrong with the rear end lights both sides work, is there something else I'm missing here? I checked fuses, ok. Also strangely enough, the yellow running light on the "drivers" side, just offset of the headlight is not working either. I also replaced that bulb this time around and it also, did not work, with a brand new bulb. My drivers side night time tail light is out and my drivers side running light is out, neither work with a new bulb. HELP! Tickets suck





