Exterior lights not working

Tiny
CESAR RAMIREZ
  • MEMBER
  • 1999 FORD WINDSTAR
  • 3.8L
  • 6 CYL
  • 2WD
  • AUTOMATIC
  • 140,000 MILES
No taillight, no signal light, no park light, no brake light. Please help
Friday, September 27th, 2019 AT 11:03 AM

1 Reply

Tiny
KEN L
  • MASTER CERTIFIED MECHANIC
  • 55,481 POSTS
Hello,

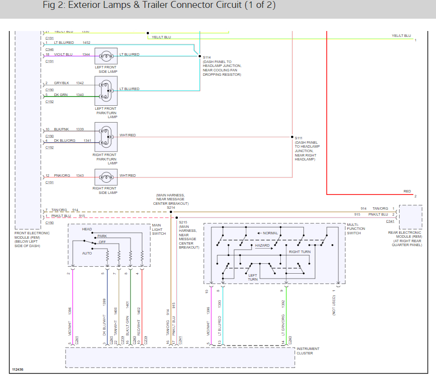
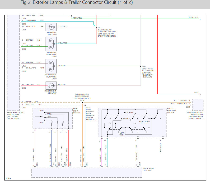
There are 2 fuses and 2 relays that run the system that need to be checked. here are two guides and the fuse and relay locations as well as the blinker and running light wiring diagrams so you can see which fuses and relays to test in the diagrams below:

https://www.2carpros.com/articles/how-to-check-a-car-fuse

and

https://www.2carpros.com/articles/how-to-check-an-electrical-relay-and-wiring-control-circuit

Check out the diagrams (below). Please let us know what you find. We are interested to see what it is.

Was this
answer
helpful?
Yes
No
Sunday, September 29th, 2019 AT 11:13 AM

Please login or register to post a reply.