Tag light brake light not working properly

Tiny
LEOLEO8
  • MEMBER
  • 2008 FORD TAURUS
  • 3.2L
  • 6 CYL
  • 4WD
  • AUTOMATIC
  • 233,000 MILES
When I start my car listed above (Excel) I didn't turn on my headlights and I have no running brake lights or tag light.
Saturday, January 2nd, 2021 AT 3:14 PM

1 Reply

Tiny
KASEKENNY
  • MECHANIC
  • 18,907 POSTS
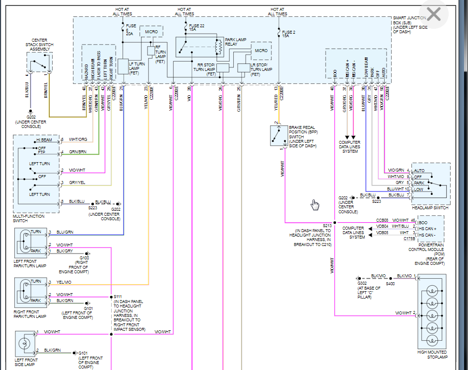
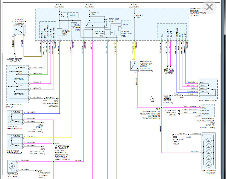
More then likely this is the smart junction box has failed but we need to test voltage coming out of it when the lights are supposed to be on. I am attaching the wiring diagram and here is a guide that will help with doing this testing:

https://youtu.be/Hlna_kUt7As

The SJB is more then a fuse block as it has a microprocessor on it and they are pretty common to cause issues like this.

Let us know what you find with this and we can go from there.
Was this
answer
helpful?
Yes
No
Wednesday, January 6th, 2021 AT 4:06 PM

Please login or register to post a reply.