Turn signal problem

Tiny
NELSON MCCLURG
  • MEMBER
  • 2011 TOYOTA CAMRY
  • 2.4L
  • 4 CYL
  • 2WD
  • AUTOMATIC
  • 201,500 MILES
Headlights work, no turn signals or hazard lights.
Sunday, December 23rd, 2018 AT 7:54 PM

10 Replies

Tiny
DANNY L
  • MECHANIC
  • 5,648 POSTS
Hello, I'm Danny.

First, have you checked the fuses? It is located under hood on the left side. Here is a link showing how to test fuses:

https://www.2carpros.com/articles/how-to-check-a-car-fuse

I've attached a picture of the under hood fuse box and circled the fuse in red. Hope this helps and feel free to ask any questions if needed.Thanks for using 2CarPros.
Danny-
Was this
answer
helpful?
Yes
No
Monday, December 24th, 2018 AT 7:29 PM
Tiny
NELSON MCCLURG
  • MEMBER
  • 6 POSTS
I replaced fuse still not working headlights gauges and meters work could not find flasher.
Was this
answer
helpful?
Yes
No
Monday, December 24th, 2018 AT 7:40 PM
Tiny
JACOBANDNICKOLAS
  • MECHANIC
  • 110,192 POSTS
When you turn the signals or flashers on, do the lights turn on and not blink or does nothing happen?
Was this
answer
helpful?
Yes
No
-1
Monday, December 24th, 2018 AT 8:59 PM
Tiny
NELSON MCCLURG
  • MEMBER
  • 6 POSTS
No head lights, gauges meters work.
Was this
answer
helpful?
Yes
No
Tuesday, December 25th, 2018 AT 7:09 AM
Tiny
JACOBANDNICKOLAS
  • MECHANIC
  • 110,192 POSTS
Hi Nelson and welcome back:

I'm a bit confused. The heading indicates turn signal issues. Post 1 says headlights work. The last one says no headlights. I'm not sure what we are dealing with. Can you confirm so I know what to have you check?

Thanks and I hope you had a nice Holiday,
Joe
Was this
answer
helpful?
Yes
No
Tuesday, December 25th, 2018 AT 6:43 PM
Tiny
NELSON MCCLURG
  • MEMBER
  • 6 POSTS
Lights work from same lever high beam and low.
Was this
answer
helpful?
Yes
No
Tuesday, December 25th, 2018 AT 7:50 PM
Tiny
NELSON MCCLURG
  • MEMBER
  • 6 POSTS
Flashers and hazards is the problem. Danny had me check fuse replaced still nothing.
Was this
answer
helpful?
Yes
No
Tuesday, December 25th, 2018 AT 7:56 PM
Tiny
JACOBANDNICKOLAS
  • MECHANIC
  • 110,192 POSTS
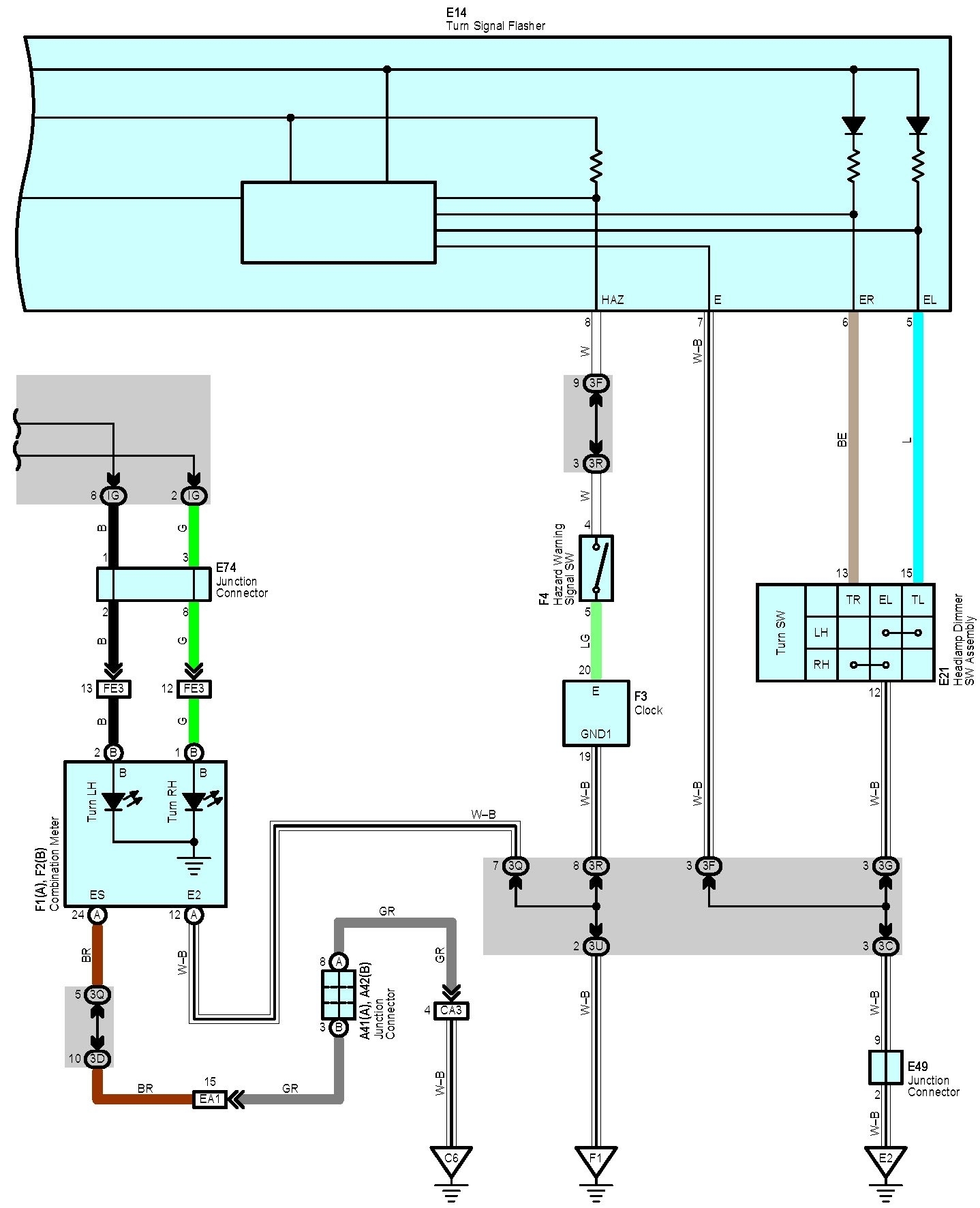
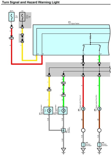
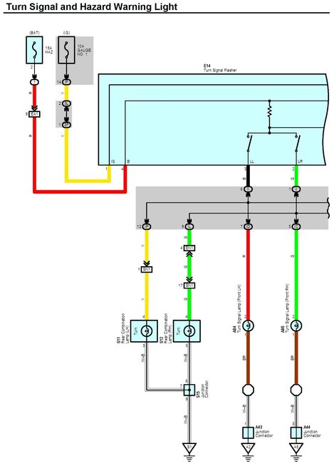
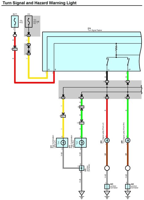
Okay, if the fuse is good and you have power to the fuse, the next thing that needs check is if there is power to the flasher. Take a look at the schematic I attached. It indicates wiring color. You need to make sure power is getting to the flasher and then out of the flasher. Basically, power comes from the fuse, through the flasher, and then to the switch which distributes its destination. The three pictures I attached show the flow of power through these components. The third picture is a legend of ground locations and components.

To trace or check power, you simply will need a test light. Here is a link that shows how one is used. If you didn't check for power at the fuse, use the test light to check.

https://www.2carpros.com/articles/how-to-use-a-test-light-circuit-tester

https://www.2carpros.com/articles/how-to-check-wiring

Let me know if this helps or if you have other questions.

Take care,
Joe
Was this
answer
helpful?
Yes
No
Tuesday, December 25th, 2018 AT 10:25 PM
Tiny
NELSON MCCLURG
  • MEMBER
  • 6 POSTS
Where is turn signal flasher?
I need to trace from fuse box to check power. Found blue wire hanging.
Was this
answer
helpful?
Yes
No
Wednesday, December 26th, 2018 AT 1:44 PM
Tiny
JACOBANDNICKOLAS
  • MECHANIC
  • 110,192 POSTS
It is behind the instrument panel. I attached two pics.

Here are the directions for removal. Picture 3 correlates with these directions.

___________________
Removal
Lighting: turn signal flasher assembly: removal

1. Remove front door scuff plate left hand see: headliner > removal and replacement > removal

2. Remove cowl side trim sub-assembly left hand see: headliner > removal and replacement > removal

3. Remove lower instrument panel finish panel left hand (for TMC made) see: dashboard / instrument panel > removal and replacement > removal

4. Remove lower instrument panel finish panel left hand (for TMMK made) see: dashboard / instrument panel > removal and replacement > removal

5. Remove steering column cover (for TMC made) see: dashboard / instrument panel > removal and replacement > removal

6. Remove steering column cover (for TMMK made) see: dashboard / instrument panel > removal and replacement > removal

7. Remove no. 1 instrument panel sub-assembly (for TMC made) see: dashboard / instrument panel > removal and replacement > removal

8. Remove no. 1 instrument panel sub-assembly (for TMMK made) see: dashboard / instrument panel > removal and replacement > removal

9. Remove lower instrument panel finish panel (for TMC made) see: dashboard / instrument panel > removal and replacement > removal

10. Remove lower instrument panel finish panel (for TMMKmade) see: dashboard / instrument panel > removal and replacement > removal

11. Remove instrument cluster finish panel no.1 see: instrument cluster / carrier > removal and replacement > removal

12. Remove combination meter assembly see: instrument cluster / carrier > removal and replacement > removal

13. Remove turn signal flasher assembly

(a)Disconnect the connector.

See picture 3

(b)Remove the clamp and the turn signal flasher assembly.

_______________________________________

Install:

Installation
Lighting: turn signal flasher assembly: installation

1. Install turn signal flasher assembly

(a)install the clamp and the turn signal flasher assembly.

See pic 3

(b)connect the connector.

2. Install combination meter assembly see: instrument cluster / carrier > removal and replacement > installation

3. Install instrument cluster finish panel no.1 see: instrument cluster / carrier > removal and replacement > installation

4. Install lower instrument panel finish panel (for TMC made) see: dashboard / instrument panel > removal and replacement > installation

5. Install lower instrument panel finish panel (for TMMKmade) see: dashboard / instrument panel > removal and replacement > installation

6. Install no. 1 instrument panel sub-assembly (for TMC made) see: dashboard / instrument panel > removal and replacement > installation

7. Install no. 1 instrument panel sub-assembly (for TMMK made) see: dashboard / instrument panel > removal and replacement > installation

8. Install steering column cover (for TMC made) see: dashboard / instrument panel > removal and replacement > installation

9. Install steering column cover (for TMMK made) see: dashboard / instrument panel > removal and replacement > installation

10. Install lower instrument panel finish panel left hand (for TMC made) see: dashboard / instrument panel > removal and replacement > installation

11. Install lower instrument panel finish panel left hand (for TMMK made) see: dashboard / instrument panel > removal and replacement > installation

12. Install cowl side trim sub-assembly left hand see: headliner > removal and replacement > installation

13. Install front door scuff plate left hand see: headliner > removal and replacement > installation

Let me know what you find,

Joe
Was this
answer
helpful?
Yes
No
Wednesday, December 26th, 2018 AT 6:22 PM

Please login or register to post a reply.