HOME
ASK A QUESTION
REPAIR GUIDES
BECOME A MEMBER
LOG IN
Login with Facebook
OR
Remember me
NOT A MEMBER?
FORGOT PASSWORD?
CONTACT US
PRIVACY POLICY
TERMS AND CONDITIONS
☰
Home
Buick
Lesabre
Body
Window
Wiring
Switch for windows wiring diagram needed
DEBBIESALAS
MEMBER
1998 BUICK LESABRE
10,000 MILES
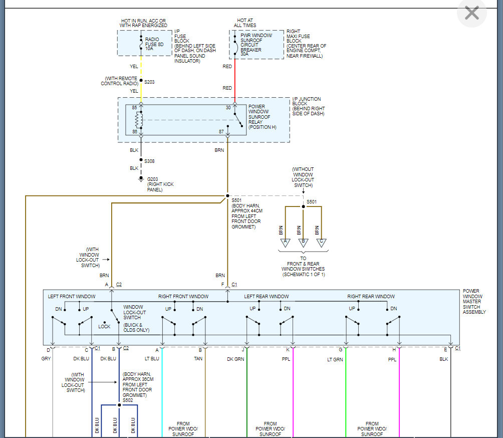
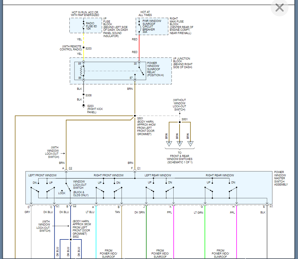
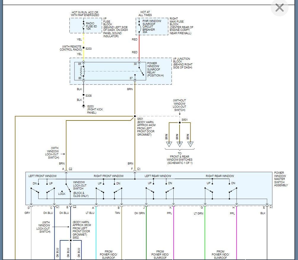
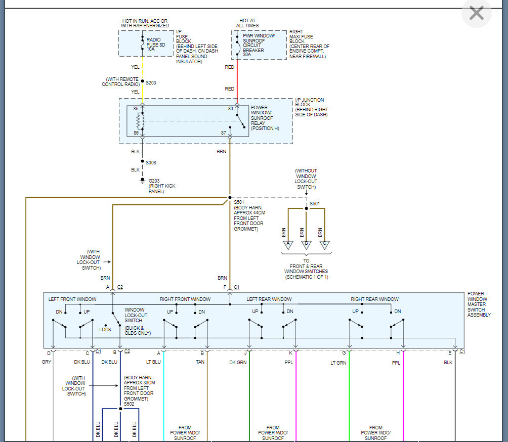
Need to see the wiring diagram for my driver side window switch.
Thursday, July 20th, 2017 AT 7:22 AM
1 Reply
KASEKENNY
MECHANIC
18,907 POSTS
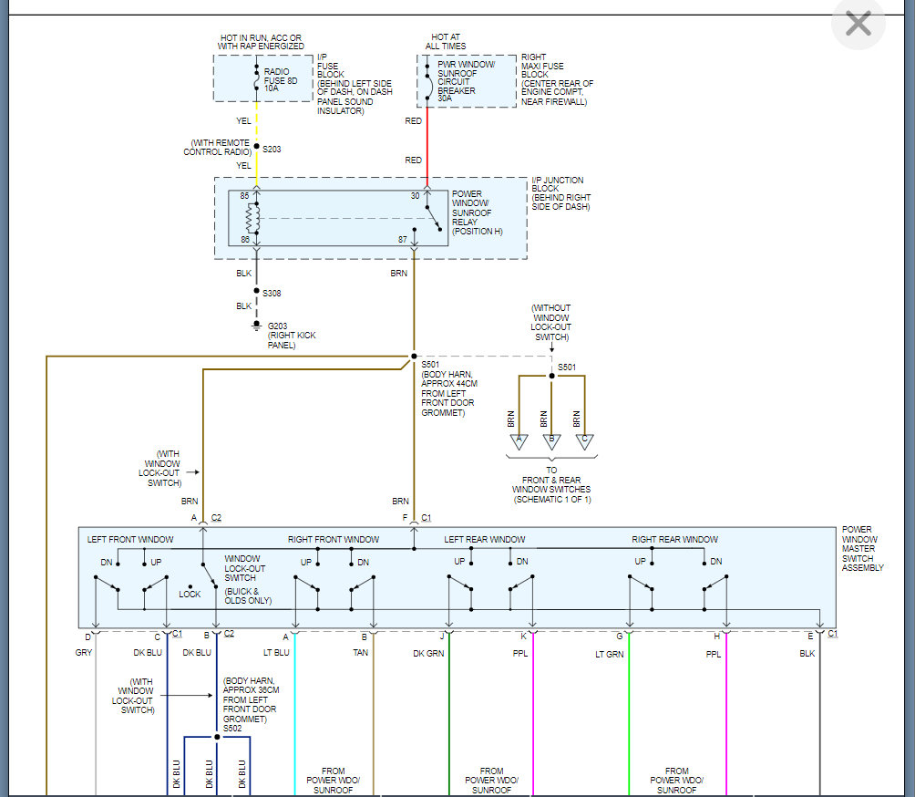
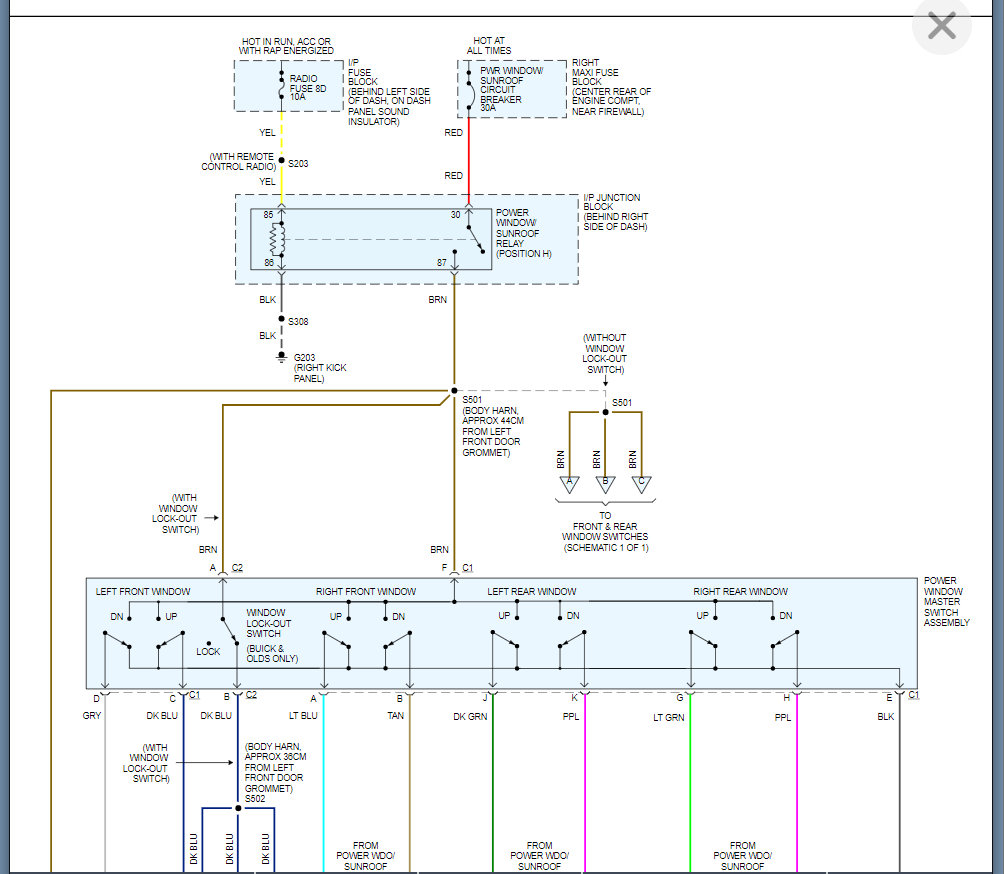
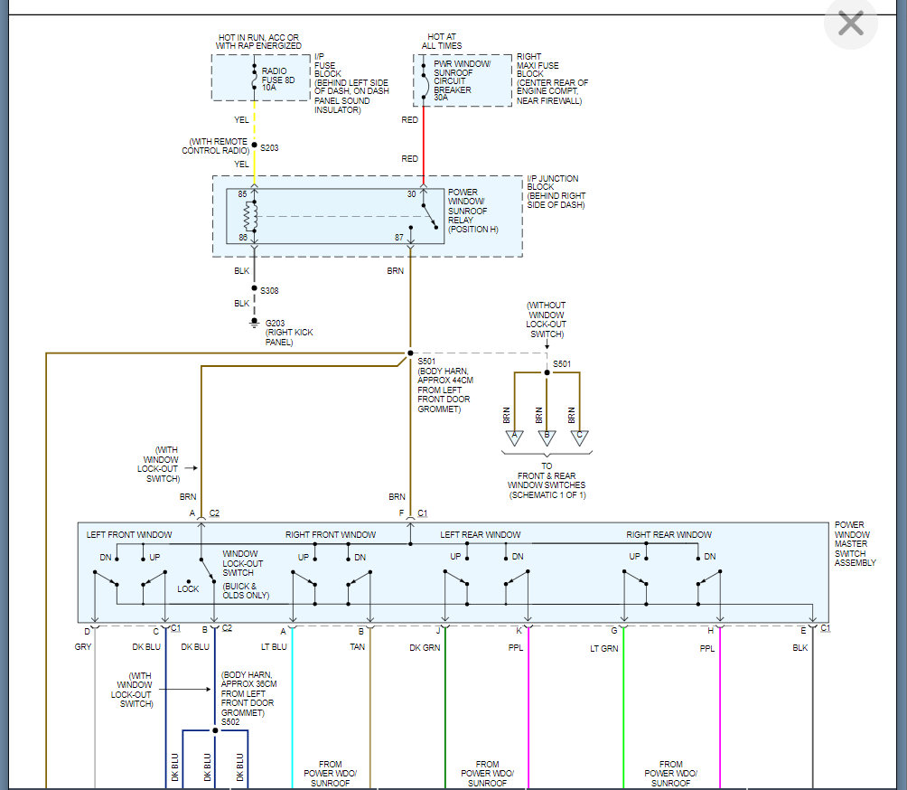
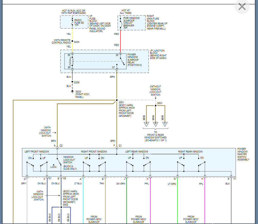
I am attaching the wiring diagram as requested.
Here is a guide that will help with testing these circuits:
https://www.2carpros.com/articles/how-to-check-wiring
https://www.2carpros.com/articles/how-to-use-a-voltmeter
Also, here are a couple guides that will help with testing and replacing the switch.
https://youtu.be/HBFBcJrdym4
https://www.2carpros.com/articles/electric-window-repair
Please see the wiring diagrams below. Let us know what questions you have.
Thanks
Images (Click to make bigger)
Was this
answer
helpful?
Yes
No
+2
Monday, August 16th, 2021 AT 7:27 PM
Please
login
or
register
to post a reply.
Related Window Wiring Content
Power Windows
1998 Buick Lesabre. Driver's Window Was Working Fine As Was Window Lock. All Of A Sudden, Neither Works.I Will Probably Try To Get To The...
Asked by
Uranchan
·
1 ANSWER
1998
BUICK LESABRE
Power Window
Buick 2004 Lesabre Power Windows All Work But The Passenger Side Can't Open The Window From The Main Driver Switch Or The Passenger Switch...
Asked by
rick martin
·
29 ANSWERS
3 IMAGES
2004
BUICK LESABRE
2001 Buick Lesabre Window Off Track
Interior Problem 2001 Buick Lesabre V8 Front Wheel Drive Automatic How Do U Get A Wndow Back On Track
Asked by
alluneednokc
·
1 ANSWER
2001
BUICK LESABRE
Auto Window (driver's Side Is Stuck Down) But Can Hear...
Yes, I Can Hear The Motor Trying To Work For My Driver's Side Window But The Window Is Stuck In The Down Position And It's All The Way Down...
Asked by
kently51
·
1 ANSWER
2002
BUICK LESABRE
Windows
Ok I Have A 2000 Biuick Lesabre Limited. My Window Was Down And Got Wet Some Months Ago. Now I Cant Get Anything From My Windows. My...
Asked by
dhaskins
·
5 ANSWERS
2002
BUICK LESABRE
VIEW MORE
Ask a Car Question. It's Free!
Window Switch Replacement and Test
Door Panel Removal
Door Lock Replacement