Sunday, March 25th, 2018 AT 7:22 AM
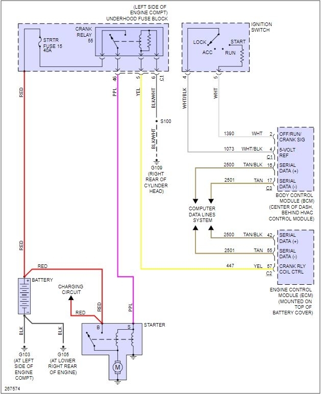
Engine overheated. Next day car would not crank. All the lights come on properly, no codes, no pass-lock. I checked for voltage to the exciter wire to start solenoid and no voltage was present with the key in start position. Removed crank relay and used twelve volt pin to start portion of the relay. Engine will crank but not run, power a second leg and the engine will start and run. But not shut off with the key until I remove the jumper and it eventually shuts off from fuel starvation. Had trouble testing the small pins in the start assembly on the rear of the ignition tumbler and swore I did not have any continuity between two terminal with the key in start position. I am lost without any diagrams right now.


