Suspected headlight relay problem?

Tiny
ANNA_ARGIROS
  • MEMBER
  • 2003 VAUXHALL AGILA
  • 1.2L
  • 2WD
  • MANUAL
  • 110,000 MILES
I suspect my headlight relay fuse (that controls both headlights) has gone out because suddenly my headlights (dipped or main beam) have stopped working at the same time. I have located the fuse box where the relays are, and I currently have 4 relay fuses there in 4 of the 6 possible slots but I don’t know which one controls the headlights as I can’t find the manual. What sort of voltage fuse do I need to get to replace it and how do I find out which relay fuse that’s faulty and needs replacing?
Any advice most appreciated, thank you.
Sunday, July 14th, 2024 AT 12:29 AM

1 Reply

Tiny
KEN L
  • MASTER CERTIFIED MECHANIC
  • 55,512 POSTS
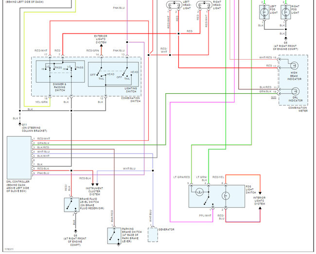
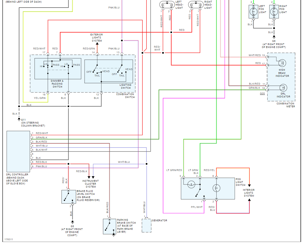
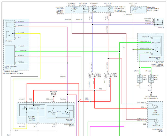
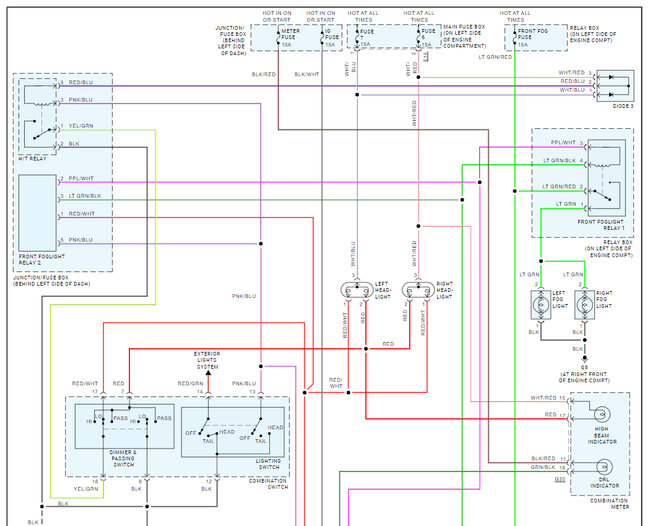
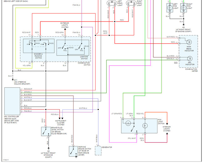
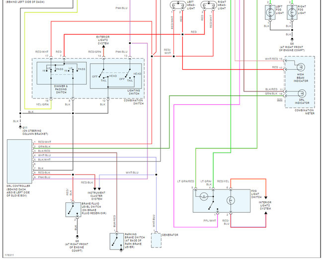
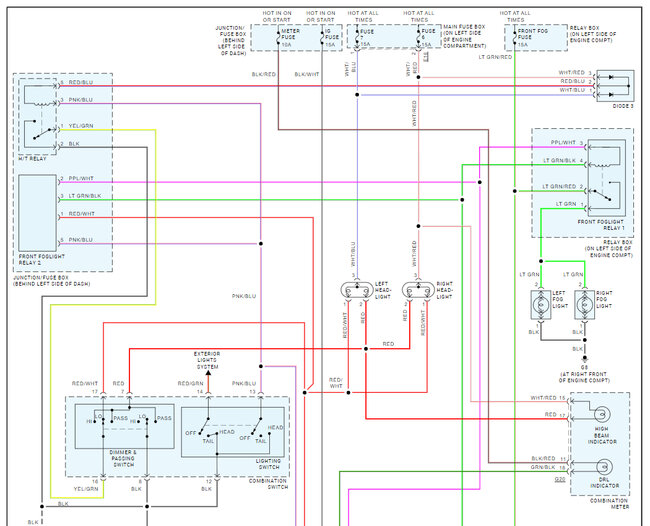
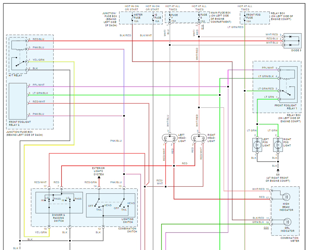
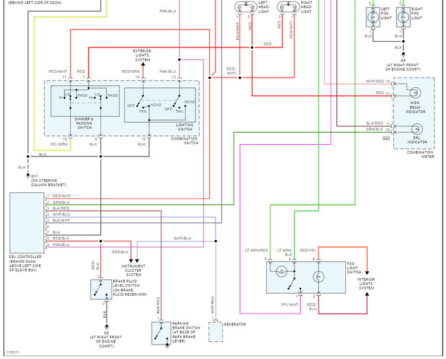
Sure, here are the wiring diagrams for the headlight so you can see how the system works, and which relays do what. Here is a guide to help you test the relays

https://www.2carpros.com/articles/how-to-check-an-electrical-relay-and-wiring-control-circuit

This guide can help you check the fuses and to see if there is power at the fuse as well:

https://www.2carpros.com/articles/how-to-check-a-car-fuse

Turn the headlights on before testing. Check out the images (below). Please upload pictures or videos in your response of any problems so we can see what to help you with.
Was this
answer
helpful?
Yes
No
Sunday, July 14th, 2024 AT 10:53 AM

Please login or register to post a reply.