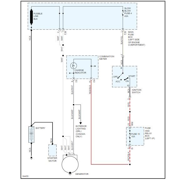
The other night I was driving my car and the battery began to fail. I had just replaced the alternator six months ago, and so I suspected a bad battery. After I turned the car off, it would not start. However, I attempted again after an hour, and it did turn over. The problem, though, quickly repeated and so I ended up at Walmart. I replaced the battery and everything seemed fine, until today, when the same thing happened. I again turned the car off and it wouldn't start, but after letting it sit for an hour, was able to get it to turn over, and again, the problem repeated. Please help.
Thursday, February 22nd, 2007 AT 2:05 PM


