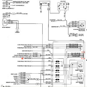
No lights, does not hit the starter nothing. I have changed the battery, and put new ends on the cables. Tested power to the starter and there is power on the positive terminal of hte starter. I moved the automatic shifter back and forth still nothing. Note there is a alarm key under the dash I believe it came with the car. Never beeen a problem in the past.
Friday, March 21st, 2008 AT 7:41 PM


