1995 Subaru Legacy Dash lights won't work.

Tiny
DBAILEY00989
  • MEMBER
  • 1995 SUBARU LEGACY
  • 2.2L
  • 4 CYL
  • AWD
  • MANUAL
  • 230,000 MILES
Every time I turn on my headlights I blow the illumi fuse, I replaced the illumination control unit reading online that it might be the cause. However, I got 3 from the junk yard and none of them made a difference, each time I replaced it with one the fuse would just blow. I have recently changed my stereo but the dash lights worked for like a week before this happened. Which was out of the blue I drove to school, 7:00 pm and it was dark so I turned my lights on. After class which was 10:00 p, m I went out to my car and turned on the head lights. But my dash lights didn't come on like they did earlier. I'm at a lost, I'm about to pull my new stereo out and see if that makes a difference. Any advice would be appreciated, thanks in advance.

David
Friday, September 19th, 2014 AT 11:19 AM

10 Replies

Tiny
HMAC300
  • MECHANIC
  • 48,601 POSTS
You have fuses and relay for each headlight so I am assuming you blew fuse 6 unless you have drl which should mean you replaced the drl module. I'd suspect it's a short in wiring. Wht/yell and wht/grn go for lights in radio unless you have those crossed. Also the illumination module goes to multifunction switch so you could have a short in that as well or in the column.
Was this
answer
helpful?
Yes
No
-1
Friday, September 19th, 2014 AT 12:23 PM
Tiny
DBAILEY00989
  • MEMBER
  • 4 POSTS
All of my lights, high beams, low beams, turn signal, hazard, brakes, reverse all work fine. My interior lights work fine, my radio has light, but my instrument cluster and temp controls don't light up. I'm not sure what a drl is but like I said earlier, I replaced my illumination control unit with 3 different ones, so I doubt that is the problem. And like I also said I'm going to pull out the new stereo and see if that helps any.
Was this
answer
helpful?
Yes
No
Friday, September 19th, 2014 AT 1:32 PM
Tiny
DBAILEY00989
  • MEMBER
  • 4 POSTS
And I don't know what fuse number it is but its called illumi or illumination.
Was this
answer
helpful?
Yes
No
Friday, September 19th, 2014 AT 1:35 PM
Tiny
HMAC300
  • MECHANIC
  • 48,601 POSTS
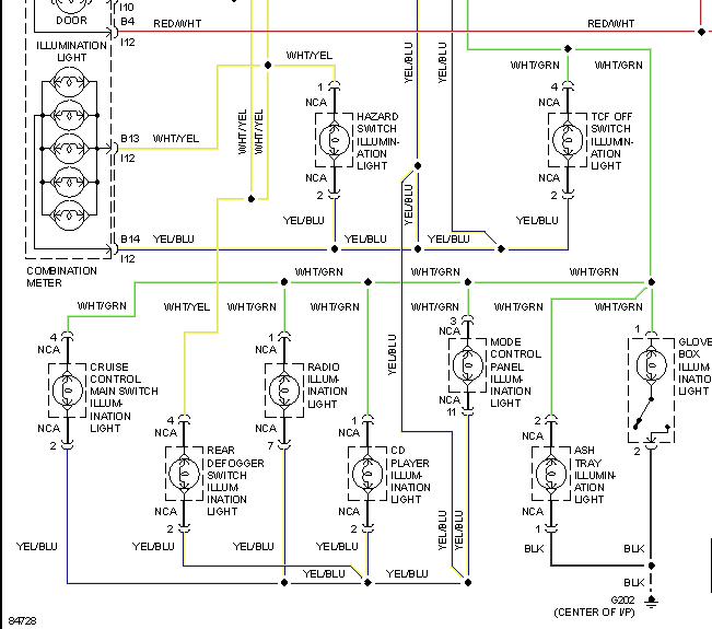
Everything you see in pic attached by agrn/wht wire is what fuse covers. Besides the cluster lights which it doesn't show a wire going to that, so if you have only had the problem since installing the radio disconnect the grn/wht wire and see if it stops it. If it does then it may be an issue in radio or it was wired incorrectly so you will have to go by aftermarket schematic a drl is driving light that comes on when you start your car and put it in gear. Otherwise you have a short somewhere in that wire possilbly by where you did the installation.
Was this
answer
helpful?
Yes
No
Friday, September 19th, 2014 AT 3:06 PM
Tiny
HMAC300
  • MECHANIC
  • 48,601 POSTS
Forgot the pic sorry
Was this
answer
helpful?
Yes
No
Friday, September 19th, 2014 AT 3:07 PM
Tiny
DBAILEY00989
  • MEMBER
  • 4 POSTS
I cant find the agrn/wht wire in the pic, but I did see the wht/grn wire and what it all connects to. Which everything it connects to is fine, but the instrument cluster still isn't working. So I'm guessing one of those wires that are connected to the wht/grn wire is causing the problem. Which that new stereo is one of them and possible my best lead. I'll be checking that tomorrow and get back on to let ya know the results. Thanks again for your time, that pic is really interesting where did you get it?
Was this
answer
helpful?
Yes
No
Friday, September 19th, 2014 AT 7:33 PM
Tiny
HMAC300
  • MECHANIC
  • 48,601 POSTS
Repair manual
Was this
answer
helpful?
Yes
No
Saturday, September 20th, 2014 AT 5:40 AM
Tiny
EXILED4NOW
  • MEMBER
  • 8 POSTS
Well idk what it was, I pulled out the new stereo and it started working, for kicks I put the new stereo back n didn't change anything, and it still works. Weird
Was this
answer
helpful?
Yes
No
Saturday, September 20th, 2014 AT 2:14 PM
Tiny
HMAC300
  • MECHANIC
  • 48,601 POSTS
Then check to make sure the new stereo has a good ground or there was a pinched wire.
Was this
answer
helpful?
Yes
No
Saturday, September 20th, 2014 AT 3:48 PM
Tiny
EXILED4NOW
  • MEMBER
  • 8 POSTS
I checked the ground, and it was good, but there might have been a pinched wire that was taken care of after I pulled it out.
Was this
answer
helpful?
Yes
No
Saturday, September 20th, 2014 AT 9:20 PM

Please login or register to post a reply.