Stuck in drive no start

Tiny
BRENDANKIP
  • MEMBER
  • 2001 HONDA CIVIC
  • 1.7L
  • 4 CYL
  • 2WD
  • AUTOMATIC
  • 22,000 MILES
No crank dash indicator light stuck in "D". Wont let me take key out. Wont go into park or neutral on dash.
Monday, October 21st, 2019 AT 4:43 PM

1 Reply

Tiny
JACOBANDNICKOLAS
  • MECHANIC
  • 110,194 POSTS
Welcome to 2CarPros.

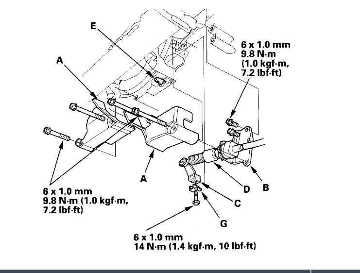
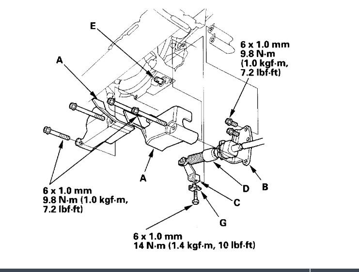
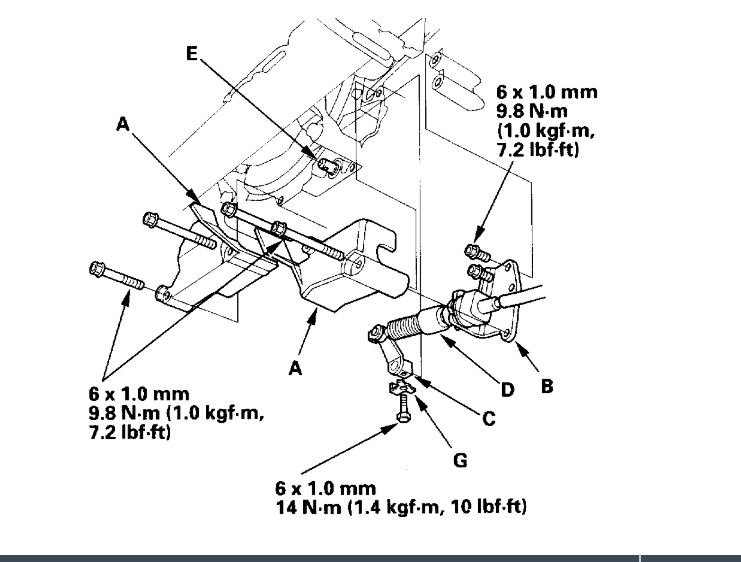
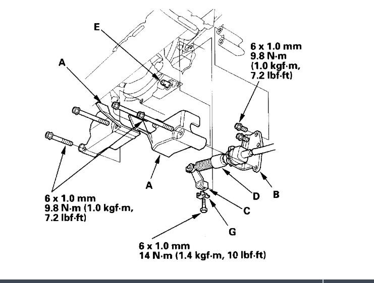
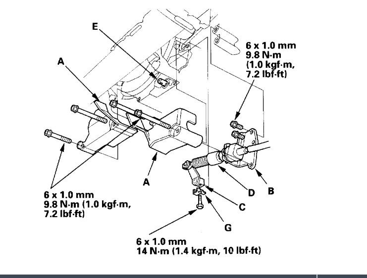
Have you checked the linkage to make sure nothing has come apart? I attached three pics below where I need you to check the shift cable. Do that first. If nothing is loose, disconnected, or damaged.

Also, let me know if the shifter is moving normally.

Joe
Was this
answer
helpful?
Yes
No
Tuesday, October 22nd, 2019 AT 5:32 PM

Please login or register to post a reply.