wiring

2005 FORD F-150
177,000 MILES • 5.4L • V8 • 4WD • AUTOMATIC
Avatar
BRANDON WYATT
  • MEMBER
  • 2 POSTS
My truck shifted into four low and will not come out. no vacuum leaks and just replaced both vacuum hubs. any ideas?
Nov 27, 2017 at 9:02 AM
Advertisement
Avatar
STRAILER
  • CAR REPAIR CONTRIBUTOR
  • 54,274 POSTS
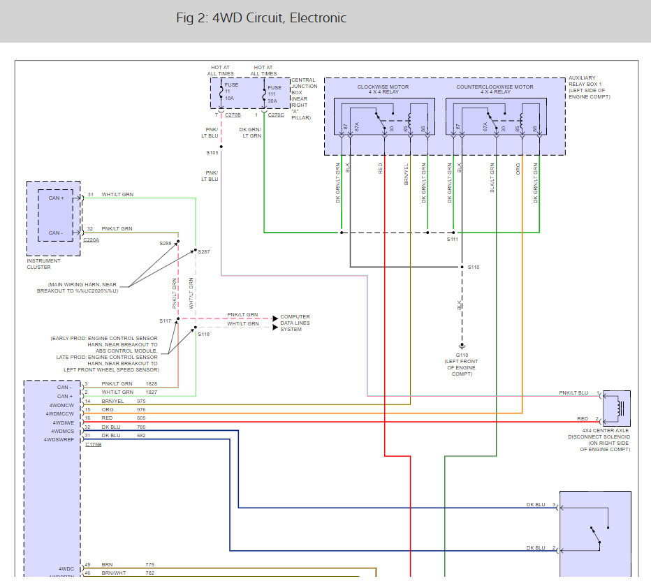
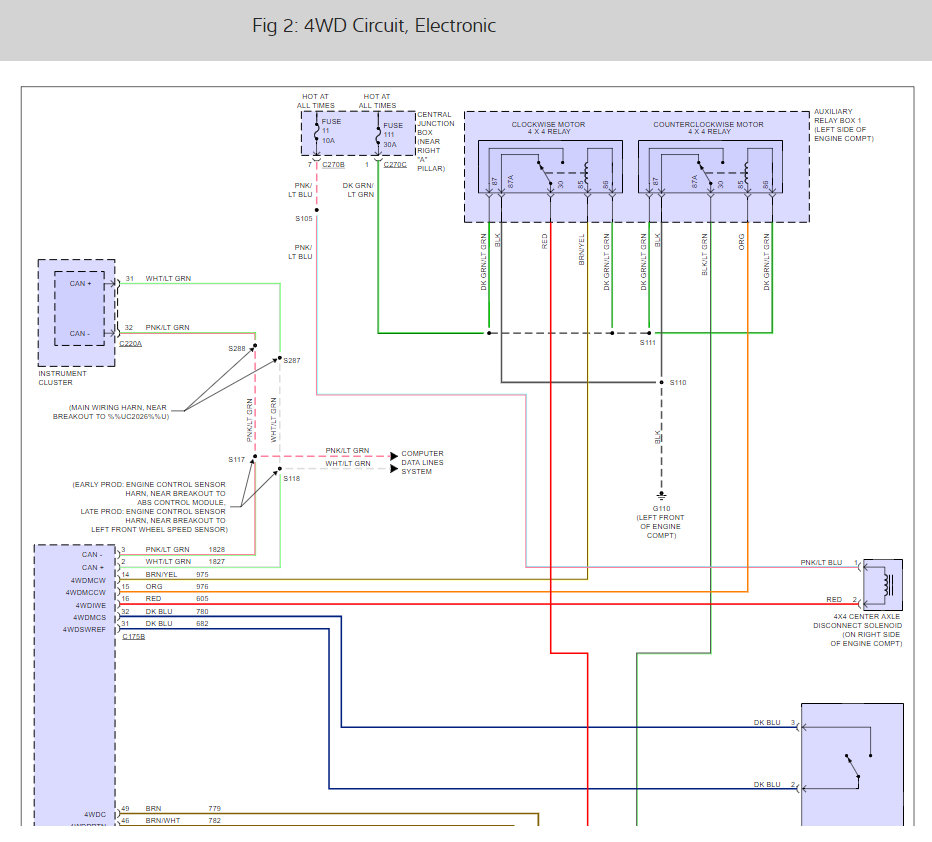
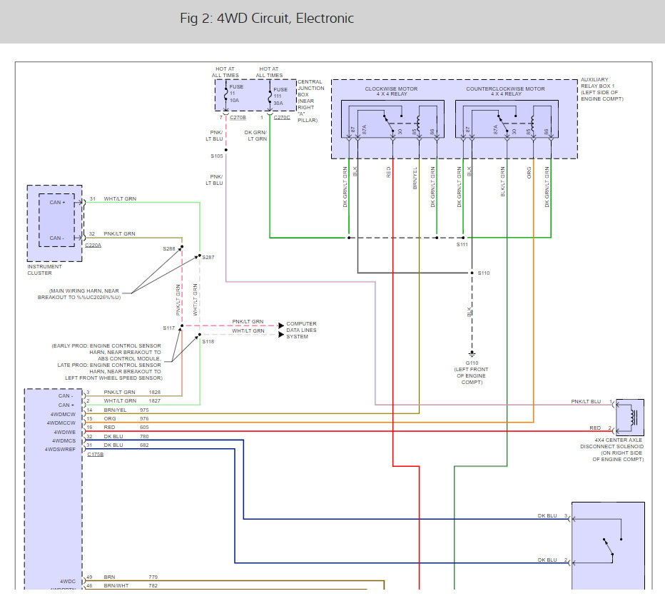
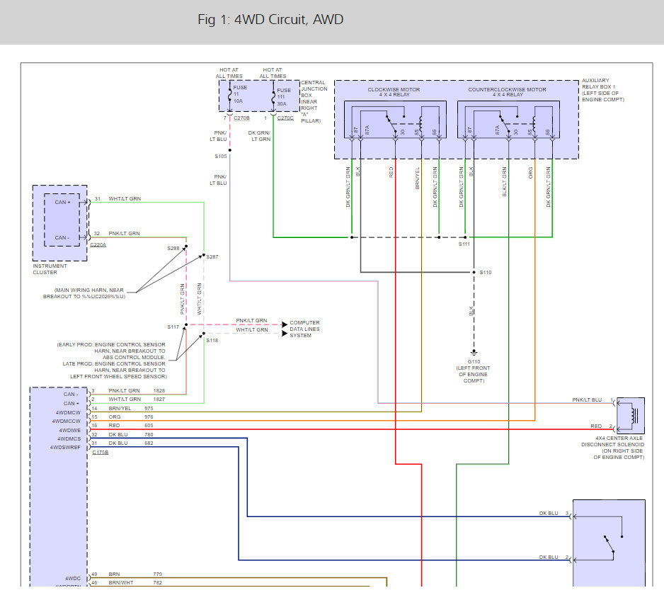
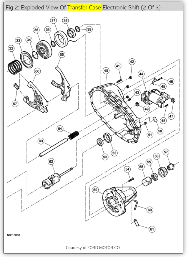
There is a control relay and the encoder motor on the transfer case that sound like may have gone bad. Here is a wiring diagram and a few guides to help us do some simple testing to figure out what the problem is.

https://www.2carpros.com/articles/how-to-check-a-car-fuse

and

https://www.2carpros.com/articles/how-to-check-an-electrical-relay-and-wiring-control-circuit

and

https://www.2carpros.com/articles/how-to-use-a-test-light-circuit-tester

Check the clockwise and counterclockwise relays

Please let us know what you find. We are interested to see what it is.

Cheers, Ken
Apr 12, 2021 at 12:16 PM
Advertisement
Repair Safety Notice: This information is for general instructional purposes only. Vehicle repair can be dangerous. Verify all information, follow manufacturer service procedures, use proper tools and safety equipment, and consult a qualified repair shop when needed.