Strange humming

Tiny
STRYKERP
  • MEMBER
  • 2008 PONTIAC G5
  • 2.4L
  • 4 CYL
  • 2WD
  • AUTOMATIC
  • 82,000 MILES
When car is moving I am hearing a slight humming sound. Sound decreases and increases with speed. Do not hear it when just revving engine. Cannot really tell if humming is from engine, it does not sound like it is. Car starts up normal with no hitches. No engine lights. Transmission seems to be working right, shifting right and does not have any sudden RPM surges. Brakes are good. Does not seem to be bearing in wheels either. A few months ago I had the coolant fan replaced and don't remember hearing hum then. I physically checked that and does not seem loose. I did get an engine light a little bit before the sound and it said it was a camshaft actuator so I replaced both intake and exhaust solenoids. Sound still there. It does not seem to be getting worse but just steady. Can you think of possible cause?
Tuesday, January 15th, 2019 AT 4:20 PM

1 Reply

Tiny
JACOBANDNICKOLAS
  • MECHANIC
  • 110,194 POSTS
Hi and thanks for using 2CarPros.

If the sound changes with vehicle speed, my first guess is a wheel bearing. You indicated you don't believe that is the cause. How was it checked?

Is there anything you can do to change the sound? Does turning change the pitch?

Here are directions to diagnose a hum or vibration. Pictures 1 and 2 correlate with these directions and describe how and what to check.

Vibration Analysis - Hub and/or Axle Input

Test Description

The numbers below refer to the step numbers on the diagnostic table:
2. This test will determine the effect of turning input on the vibration.
6. This test will determine the effect of an initial heavy torque load on the vibration.
7. Damaged or worn wheel drive shafts may cause a noise or vibration that may be transferred into the passenger compartment.
8. Damaged or worn wheel bearings may cause a noise or vibration that may be transferred into the passenger compartment.
9. Damaged or worn suspension components may cause a noise or vibration that may be transferred into the passenger compartment.
10. Damaged or worn power-train mounts and/or exhaust mounts may cause a noise or vibration that may be transferred into the passenger compartment.
11. Incorrect trim height may cause binding and/or interference between components that may produce a vibration.

_____________________________________________

If you determine it is a wheel bearing, which is what I suspect based on your description, here is a link that shows in general how to replace one:

https://www.2carpros.com/articles/bearing-hub-replacement

Here are the directions specific to your vehicle for replacement:

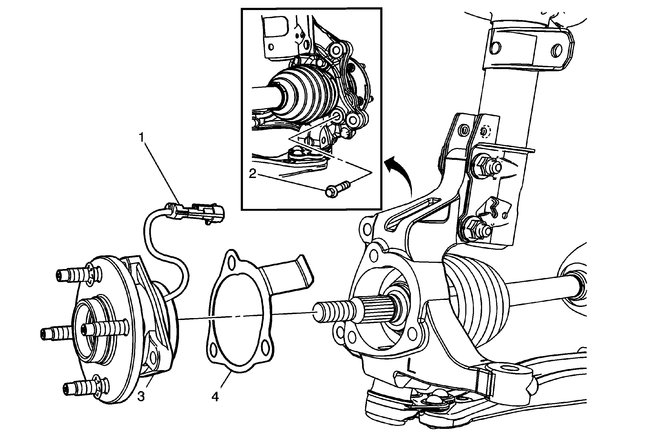
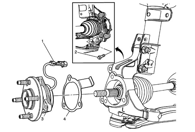
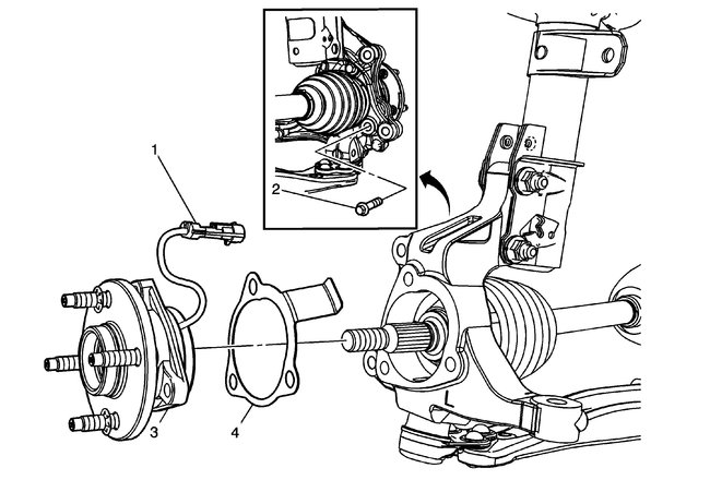
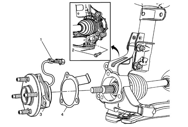
Front hub bearing see pictures 3 and 4

__________________________

Rear bearing replacement with disc brakes:

Rear Wheel Bearing and Hub Replacement (Disc Brake)

Removal Procedure

1. Raise and support the vehicle. Refer to Lifting and Jacking the Vehicle .
2. Remove the tire and wheel assembly. Refer to Tire and Wheel Removal and Installation (See: Wheels and Tires > Removal and Replacement > Tire and Wheel Removal and Installation) .
3. Without disconnecting the hydraulic brake flex hose, remove and support the rear brake caliper and bracket as an assembly, and remove the rear brake rotor. Refer to Rear Brake Rotor Replacement .
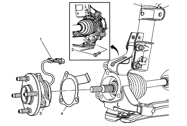
4. Disconnect the electrical connector from the wheel speed sensor.

See picture 5

5. Remove the wheel bearing/hub assembly mounting nuts.
6. Remove the wheel bearing/hub assembly and the disc brake backing plate from the rear axle assembly.

Installation Procedure

See picture 5

1. Install the wheel bearing/hub assembly and the brake backing plate to the rear axle assembly.

Notice: Refer to Fastener Notice .

2. Install the wheel bearing/hub assembly mounting nuts to the axle assembly. Tighten the nuts evenly, in a cross-pattern.

Tighten the nuts to 45 N.m (33 lb ft) plus 30 degrees.

3. Connect the electrical connector to the wheel speed sensor.
4. Install the brake rotor, and install the brake caliper and bracket as an assembly. Refer to Rear Brake Rotor Replacement .
5. Install the tire and wheel assembly. Refer to Tire and Wheel Removal and Installation (See: Wheels and Tires > Removal and Replacement > Tire and Wheel Removal and Installation) .
6. Lower the vehicle.

______________________________

with rear drum brakes:

Rear Wheel Bearing and Hub Replacement (Drum Brake)

Removal Procedure

1. Raise and support the vehicle. Refer to Lifting and Jacking the Vehicle .
2. Remove the tire and wheel assembly. Refer to Tire and Wheel Removal and Installation (See: Wheels and Tires > Removal and Replacement > Tire and Wheel Removal and Installation) .
3. Remove the brake drum. Refer to Brake Drum Replacement .

See picture 5
4. Remove the plug from the drum brake actuator access hole in the backing plate. Using the access hole, install a support (1) for the brake backing plate.
5. Disconnect the electrical connector (2) from the wheel speed sensor, if equipped with ABS.
6. Remove the wheel bearing/hub assembly mounting nuts (3).

See picture 6

7. Remove the wheel bearing/hub assembly from the rear axle assembly and brake backing plate.

Installation Procedure

See picture 6

1. Install the wheel bearing/hub assembly to the brake backing plate and the rear axle assembly.

See picture 5

Notice: Refer to Fastener Notice .

2. Install the wheel bearing/hub assembly mounting nuts (3) to the axle assembly. Tighten the nuts evenly, in a cross-pattern.

Tighten the nuts to 45 N.m (33 lb ft) plus 30 degrees.

3. Connect the electrical connector (2) to the wheel speed sensor, if equipped with ABS.
4. Remove the support (1) from the brake backing plate.
5. Install the plug to the drum brake actuator access hole in the backing plate.
6. Install the brake drum. Refer to Brake Drum Replacement .
7. Install the tire and wheel assembly. Refer to Tire and Wheel Removal and Installation (See: Wheels and Tires > Removal and Replacement > Tire and Wheel Removal and Installation) .
8. Lower the vehicle.

______________________________

Let me know if this helps.

Joe
Was this
answer
helpful?
Yes
No
Tuesday, January 15th, 2019 AT 6:20 PM

Please login or register to post a reply.