stop/start option is not working?

2015 JEEP CHEROKEE
39,000 MILES • 3.2L • 6 CYL • 4WD • AUTOMATIC
Avatar
WISEALEX53
  • MEMBER
  • 2 POSTS
My stop/start system is not working, it says that the battery is not fully charged. What do i need to check for? the battery is fully charged. and the stop/start option has not worked for over a year.
Sep 18, 2023 at 8:03 AM
Advertisement
Avatar
STRAILER
  • CAR REPAIR CONTRIBUTOR
  • 54,279 POSTS
The battery might be fully charged but it may be getting weak, and the sensor can tell this, let's try a battery load test, please follow this guide or remove the battery and take it to an auto parts store for testing:

https://www.2carpros.com/articles/car-battery-load-test

If the battery tests good let's run a CAN scan to see what codes are stored. You can get a CAN scanner (Controller Area Network) which will work on most cars from Amazon.

Here is a video to show you how:

https://youtu.be/u-4syLc-ifQ


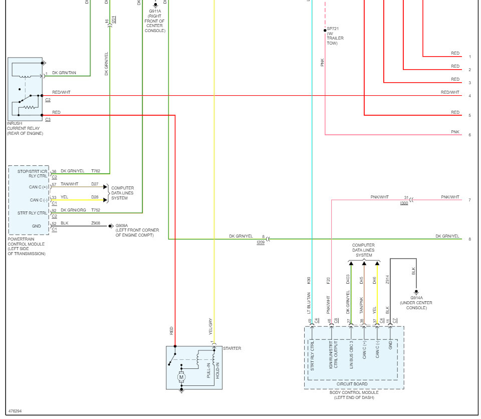
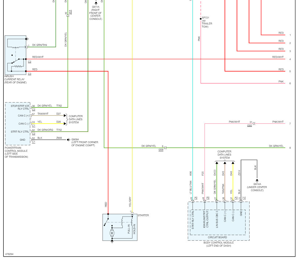
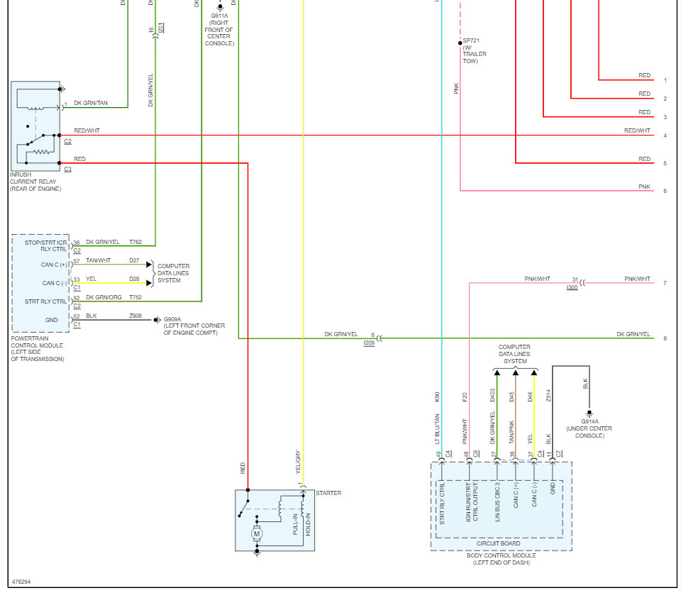
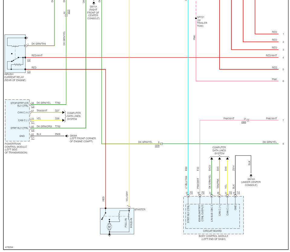
Also, let's check the fuses, here is guide that can help and I have included the starter wiring diagrams so you can see how the system works and which fuses to test, also there are two starter relays I would try to swap out to see if that makes a difference.

https://www.2carpros.com/articles/how-to-check-a-car-fuse

Check out the images (below). Let us know what happens and please upload pictures or videos of the problem so we can see what's going on.
Sep 18, 2023 at 5:02 PM
Advertisement
Repair Safety Notice: This information is for general instructional purposes only. Vehicle repair can be dangerous. Verify all information, follow manufacturer service procedures, use proper tools and safety equipment, and consult a qualified repair shop when needed.