After getting fuel while driving engine started chugging and shut off, will not start

Tiny
DAVIDKAZEE
  • MEMBER
  • 21 POSTS
The wires are in the correct places. When I replaced the distributor cap I removed and replaced one wire at a time so I wouldn’t get them confused.
Was this
answer
helpful?
Yes
No
Sunday, June 14th, 2020 AT 8:46 PM
Tiny
JACOBANDNICKOLAS
  • MECHANIC
  • 110,194 POSTS
Is there any backfire or putter from the engine when you used starting fluid? I have to be honest, there should have been.
Was this
answer
helpful?
Yes
No
Sunday, June 14th, 2020 AT 8:53 PM
Tiny
JACOBANDNICKOLAS
  • MECHANIC
  • 110,194 POSTS
Is it possible for you to record the engine cranking so we can hear it? In most cases, I can tell if there is a timing issue.

Thanks,
Joe
Was this
answer
helpful?
Yes
No
Sunday, June 14th, 2020 AT 9:03 PM
Tiny
DAVIDKAZEE
  • MEMBER
  • 21 POSTS
No puttering, the starting fluid made no difference. I can record it in the morning, but it sounds normal to my untrained ear. I’ll send it ASAP tomorrow morning. Thanks again
Was this
answer
helpful?
Yes
No
Sunday, June 14th, 2020 AT 9:11 PM
Tiny
JACOBANDNICKOLAS
  • MECHANIC
  • 110,194 POSTS
We will watch for the video. Also, I need you to pull a couple spark plugs after you try starting it to see if they are dry or wet. We'll get this figured out.

Joe
Was this
answer
helpful?
Yes
No
Sunday, June 14th, 2020 AT 9:42 PM
Tiny
DAVIDKAZEE
  • MEMBER
  • 21 POSTS
Okay, here’s the video. We sprayed starting fluid directly into the intake and it just turns over still. Exactly like in the video.
Was this
answer
helpful?
Yes
No
Monday, June 15th, 2020 AT 7:09 AM
Tiny
DAVIDKAZEE
  • MEMBER
  • 21 POSTS
The spark plugs are extremely hard to get to but the number 6 is not soaked but wet.
Was this
answer
helpful?
Yes
No
Monday, June 15th, 2020 AT 7:36 AM
Tiny
ASEMASTER6371
  • MECHANIC
  • 52,796 POSTS
Okay, this all started with the fuel pump. You had next to know pressure.

Did you double check you installation to be sure nothing, in particular, wiring, got pinched with the installation?

This sounds like a fuel delivery issue. Are there any codes set in the ECM?

Roy
Was this
answer
helpful?
Yes
No
Monday, June 15th, 2020 AT 7:47 AM
Tiny
DAVIDKAZEE
  • MEMBER
  • 21 POSTS
I just found out how to check the codes with out a computer, but just FYI I pushed the pressure valve while the engine wash turning over and it sprayed fuel out like a super soaker. So I know for sure the fuel pump is working.
Was this
answer
helpful?
Yes
No
Monday, June 15th, 2020 AT 1:54 PM
Tiny
DAVIDKAZEE
  • MEMBER
  • 21 POSTS
I’m going to try to pull the codes now.
Was this
answer
helpful?
Yes
No
Monday, June 15th, 2020 AT 1:54 PM
Tiny
ASEMASTER6371
  • MECHANIC
  • 52,796 POSTS
You need a code reader to pull the codes.

I know you said it had 61 pounds.

When you checked spark, did you check at the spark plug? I am wondering if you have a burnt rotor where the spark can get into the cap but not out to the plugs.

Roy
Was this
answer
helpful?
Yes
No
Monday, June 15th, 2020 AT 1:57 PM
Tiny
DAVIDKAZEE
  • MEMBER
  • 21 POSTS
I replaced the rotor with the distributor. Is it possible to install the rotor incorrectly?
Was this
answer
helpful?
Yes
No
Monday, June 15th, 2020 AT 3:03 PM
Tiny
ASEMASTER6371
  • MECHANIC
  • 52,796 POSTS
If you did, it would backfire.

Did you check for spark at the plug wire at the spark plug?

Any luck on any codes? I think we are getting close to an ECM failure.

Roy
Was this
answer
helpful?
Yes
No
Monday, June 15th, 2020 AT 3:14 PM
Tiny
DAVIDKAZEE
  • MEMBER
  • 21 POSTS
Okay sorry I broke my phone, but I have no spark at the spark plug. And every 5 seconds of the engine turning over it sparks the tiniest little spark on plug wire #6. And it’s not a blue spark, it’s more like orange or yellow. But the spark is significantly smaller than say the one on my lawnmower and the spark on my lawnmower is blue. Any ideas?
Was this
answer
helpful?
Yes
No
Sunday, June 28th, 2020 AT 10:28 AM
Tiny
ASEMASTER6371
  • MECHANIC
  • 52,796 POSTS
This sounds like the ignition coil is not putting out too much spark.

How old is the coil?

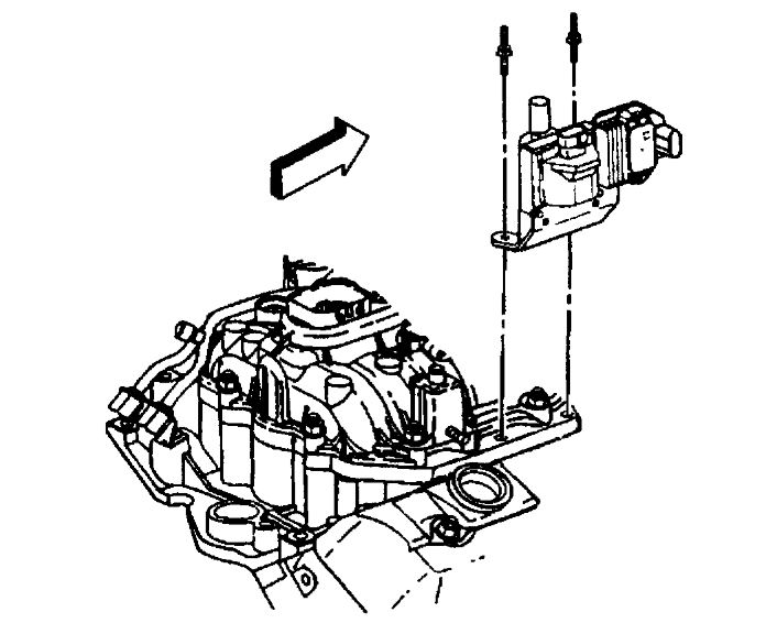
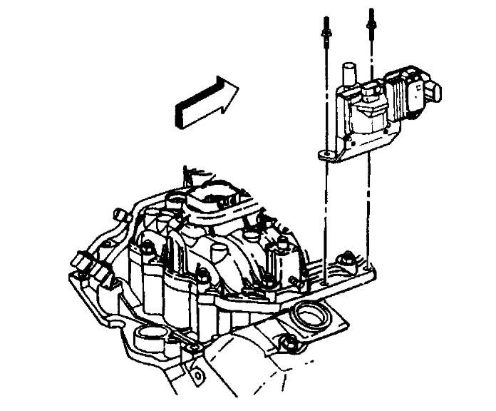
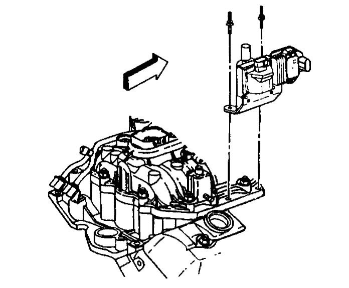
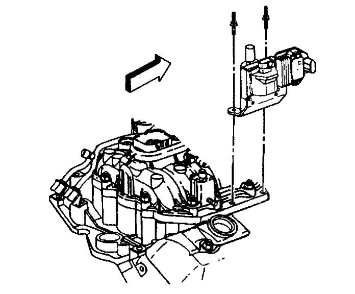
I attached pictures of the replacement.

Roy
Was this
answer
helpful?
Yes
No
Sunday, June 28th, 2020 AT 3:57 PM
Tiny
DAVIDKAZEE
  • MEMBER
  • 21 POSTS
The coil is original so about 20 years.
Was this
answer
helpful?
Yes
No
Monday, June 29th, 2020 AT 11:52 AM
Tiny
ASEMASTER6371
  • MECHANIC
  • 52,796 POSTS
That would be a good start. I would replace it and see if it is a brighter spark.

Roy
Was this
answer
helpful?
Yes
No
Monday, June 29th, 2020 AT 12:00 PM
Tiny
DAVIDKAZEE
  • MEMBER
  • 21 POSTS
I will replace it tomorrow and I will let you know what happens. Thank you for your time and patience.
Was this
answer
helpful?
Yes
No
Tuesday, June 30th, 2020 AT 6:48 PM
Tiny
ASEMASTER6371
  • MECHANIC
  • 52,796 POSTS
You are welcome.

We are always glad to help.

Roy
Was this
answer
helpful?
Yes
No
Wednesday, July 1st, 2020 AT 3:39 AM

Please login or register to post a reply.