Stereo wiring diagrams?

Tiny
JASON SWIFT
  • MEMBER
  • 2017 VOLKSWAGEN PASSAT
  • 50 MILES
I'm trying to find the remote wire for the car listed above.
Friday, October 16th, 2020 AT 10:23 AM

8 Replies

Tiny
STEVE W.
  • MECHANIC
  • 15,679 POSTS
If you mean a remote control feed that turns on an amplifier or other module there isn't one. It uses the CANBUS network to interface the system with the vehicle.
Was this
answer
helpful?
Yes
No
Friday, October 16th, 2020 AT 12:13 PM
Tiny
JASON SWIFT
  • MEMBER
  • 3 POSTS
Do how do I hook up the amp for the stereo?
Was this
answer
helpful?
Yes
No
Friday, October 16th, 2020 AT 2:42 PM
Tiny
STEVE W.
  • MECHANIC
  • 15,679 POSTS
What stereo and amp set up do you have? That will dictate what you need to do to get it to work. None of the factory parts have an individual control wire like aftermarket units do. That is because they are very integrated into the vehicle with hands free, navigation and back up cameras along with speed controlled volume and more which all get inputs from the cars systems. There are amplifiers that turn on when they see a signal input to the speakers but I'm not sure how that would work with a stock stereo as things like the warning chimes and such come through the OEM unit and would be turning the amp on and off a lot. The other option would be to wire the amp in using a relay to a switched power feed, then it would turn on with the key, but it would be on all the time, even when the stereo was off.
Was this
answer
helpful?
Yes
No
+1
Friday, October 16th, 2020 AT 4:06 PM
Tiny
KEN L
  • MASTER CERTIFIED MECHANIC
  • 55,322 POSTS
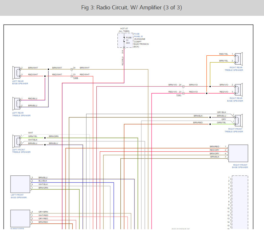
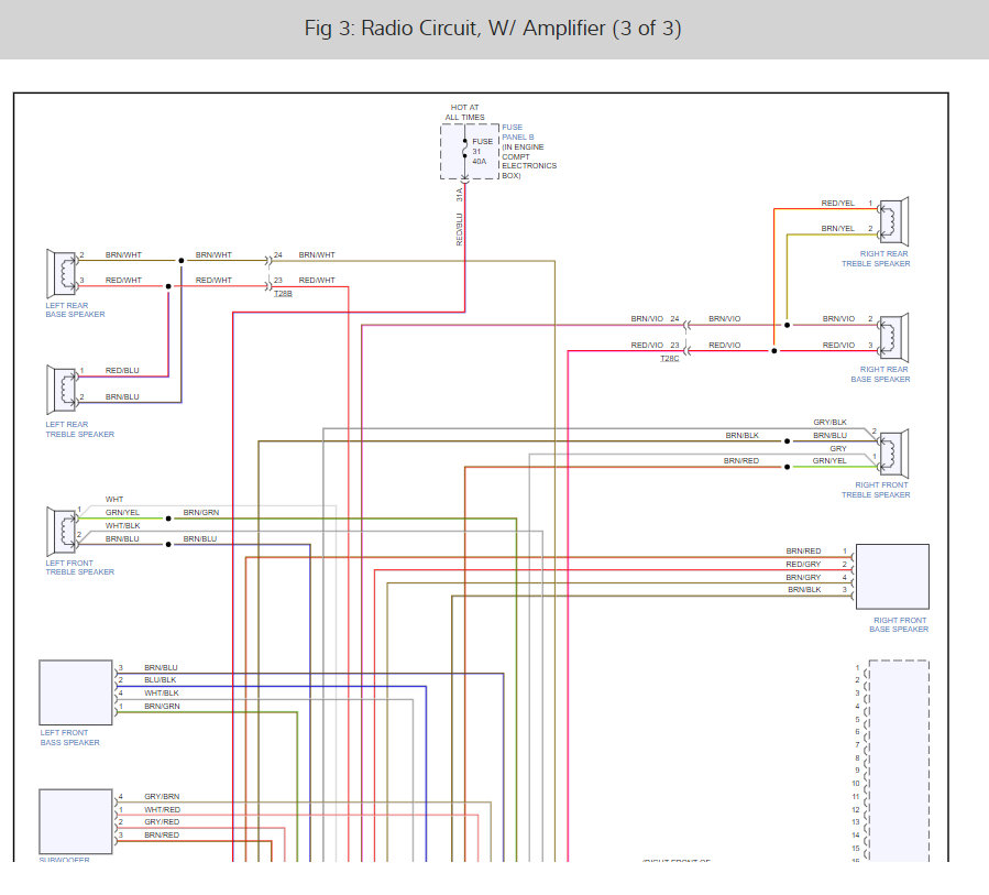
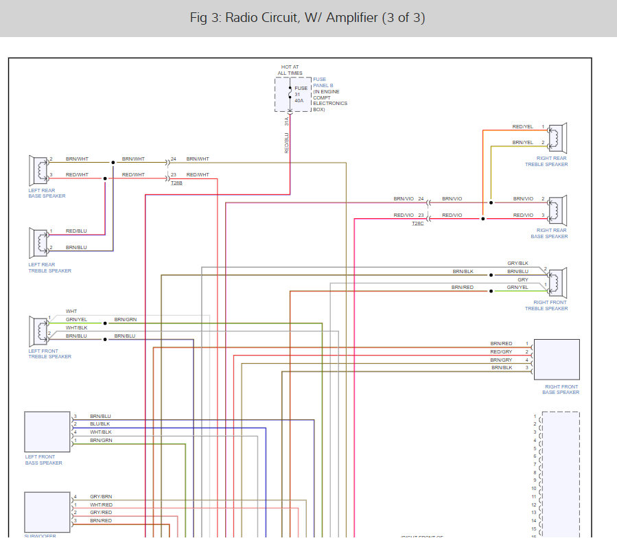
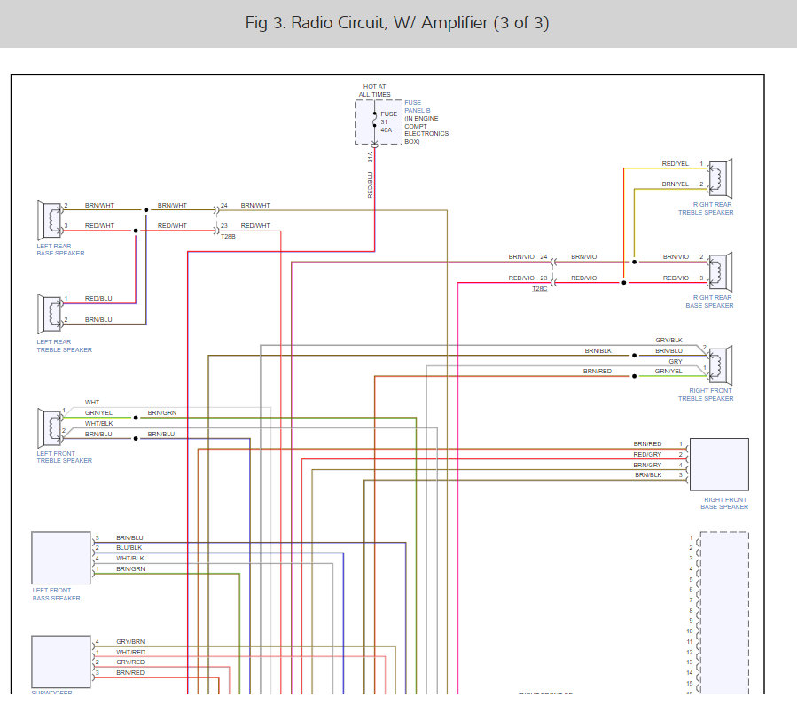
Here are the radio wiring diagrams so you can see how the system works and a guide to help test the connections:

https://www.2carpros.com/articles/how-to-check-wiring

Check out the diagrams (below). Please let us know what happens.

Was this
answer
helpful?
Yes
No
Monday, October 19th, 2020 AT 10:13 AM
Tiny
JASON SWIFT
  • MEMBER
  • 3 POSTS
  • 2017 VOLKSWAGEN PASSAT
  • 50 MILES
I'm trying to hook up at sub and Amber and I need to know where the remote wire is or where can I run the wire to hook up to stereo? I mean amp.
Was this
answer
helpful?
Yes
No
Monday, October 19th, 2020 AT 10:16 AM (Merged)
Tiny
DANNY L
  • MECHANIC
  • 5,648 POSTS
Hello, I'm Danny.

Does your car come with or without an amplifier from factory audio system? I will attach factory diagram. Usually power turn on for an amplifier is the blue wire which is amplifier turn on also power antenna. Let us know and I'll send diagram. Hope this helps and thanks for using 2CarPros.
Was this
answer
helpful?
Yes
No
Monday, October 19th, 2020 AT 10:16 AM (Merged)
Tiny
DANNY L
  • MECHANIC
  • 5,648 POSTS
Hello again
I've attached the wiring diagrams below for the audio system. The first 3 pictures are for the audio system with a factory amplifier. The other 2 pictures are for the audio system without a factory amplifier. Hope this helps and thanks again for using 2CarPros.

Danny-
Was this
answer
helpful?
Yes
No
Monday, October 19th, 2020 AT 10:16 AM (Merged)
Tiny
STEVE W.
  • MECHANIC
  • 15,679 POSTS
Okay, so you're trying to use the factory head unit and add an amp and sub to it and have the amp power on with the stereo. The OEM system doesn't use an individual wire to turn the amp on like other systems, it is all run through the computer to control the amp and volume and all the rest. There are add on boxes that can take the control signal from the OEM computer and turn on the power to the remote amp but they are vehicle specific because the signal that VW uses won't be the same as the one BMW uses or Ford. The trick is to find the correct one.
If yours has the USB interface there might be a way to use that if it uses a way to power or charge the unit plugged into it, that information isn't in the service information but a call to VW's assistance line might get you an answer.
Was this
answer
helpful?
Yes
No
Monday, October 19th, 2020 AT 2:08 PM

Please login or register to post a reply.