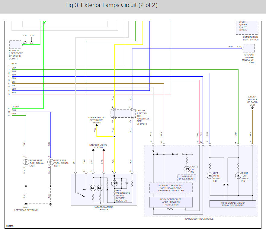
Installed new Backup lights led blew fuse, now gauges won't work, backup lights, and turn signals
I purchased a set of Led backup lights online that was specifically made for my car, or I was told. Apparently the seller was incorrect, when I removed the old bulb and put in the new it worked for a minute then light turned off. They weren't snug so I removed the one led bulb installed immediately and put back in the old one. I noticed when putting back in the old bulb it wasn't lighting up and neither was the other one I hadn't touched yet. I had a friend in the car with the reverse in gear. Then checked the headlights and taillights were fine but blinkers didn't work. Neither did the dash gauges. So obviously a fuse was blown due to these Led lights.
I just need to know what fuse exactly or control module is blown and needs to be replaced and I know a Honda technician would be able to tell me this.
Please let me know what fuse or control module needs to be replaced so I can get rolling again. I bought a bunch of fuses and will be waiting to hear back from you.
Thanks, Craig Babb
Friday, January 17th, 2020 AT 6:37 PM











