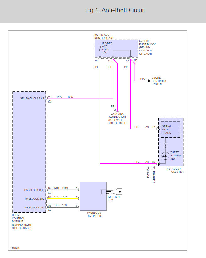
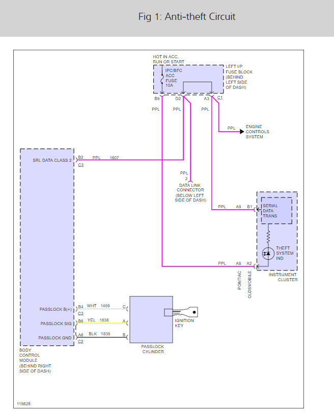
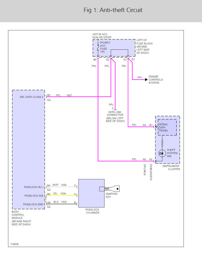
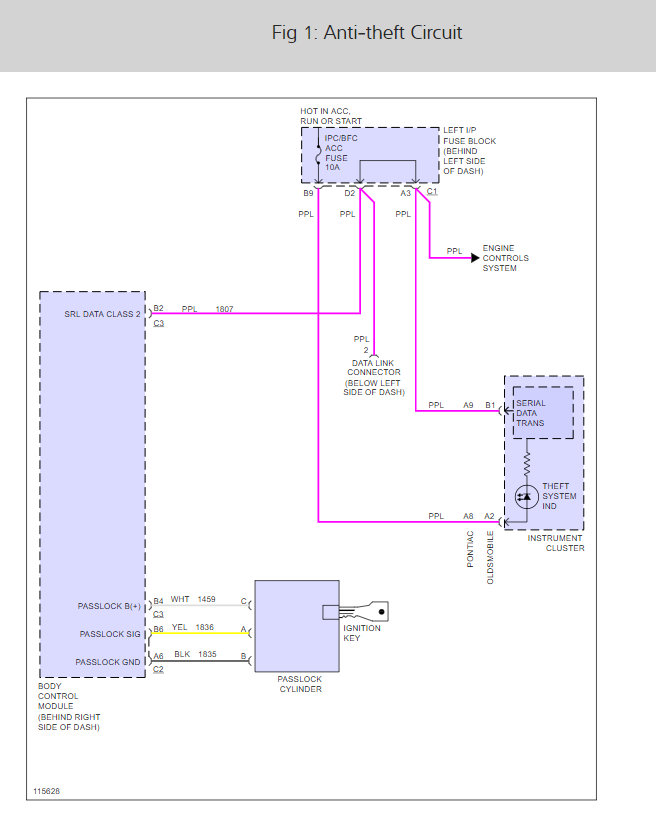
Monday, April 8th, 2019 AT 10:08 AM
I came out to start my car for work and the car started but shut off shortly thereafter. We're not sure what's going on. I've got good fuel pressure and the car isn't putting out any codes. It will keep starting but it also keeps shutting off a couple seconds after ignition. The security is not shutting it off.









