Monday, May 18th, 2020 AT 6:42 AM
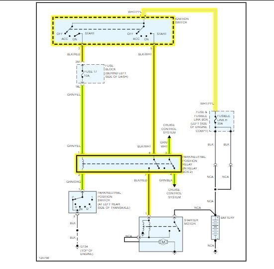
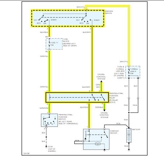
When starting holding key in start position 15 to 20 seconds after it starts it will stay running. Nothing on instrument panel works. Took car to dealer they had it more than a week they could not find the problem.




