HOME
ASK A QUESTION
REPAIR GUIDES
BECOME A MEMBER
LOG IN
Login with Facebook
OR
Remember me
NOT A MEMBER?
FORGOT PASSWORD?
CONTACT US
PRIVACY POLICY
TERMS AND CONDITIONS
☰
Home
Ford
Windstar
Engine
Symptoms
Not Cranking Over
Starter does not engage when trying to start
BILL HOGG
MEMBER
1996 FORD WINDSTAR
3.8L
6 CYL
2WD
AUTOMATIC
150,000 MILES
I have replaced the ignition switch, tumbler, fuses, relay's, along with a new starter. Help
Sunday, August 2nd, 2020 AT 5:03 AM
1 Reply
ASEMASTER6371
MECHANIC
52,796 POSTS
Good morning,
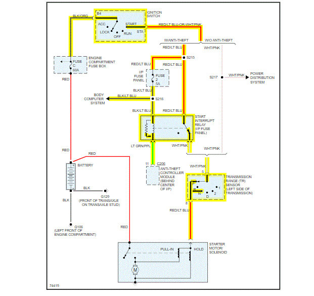
I attached the wiring diagram for you to view.
https://www.2carpros.com/articles/how-to-check-wiring
Do you have a test light or voltmeter to do some testing? We need to verify powers for the system and controls.
https://www.2carpros.com/articles/how-to-check-an-electrical-relay-and-wiring-control-circuit
https://www.2carpros.com/articles/how-to-check-a-car-fuse
Roy
Images (Click to make bigger)
Was this
answer
helpful?
Yes
No
Tuesday, April 6th, 2021 AT 7:15 PM
Please
login
or
register
to post a reply.
Related Engine Not Cranking Over Content
1996 Ford Windstar Cranking The Car
Electrical Problem 1996 Ford Windstar 6 Cyl Two Wheel Drive Automatic When I Crank My Van In Can Not Turn It Back Off The Rod In The...
Asked by
shine360_1999
·
4 ANSWERS
1996
FORD WINDSTAR
VIDEO
Car Not Cranking? Try This | EASY
Instructional repair video
GUIDE
Starter Not Working
This guide is designed to help you identify whether the issue with your non-working starter motor is due to an electrical problem or a fault within the starter motor itself...
My Car Wont Startup It
My Car Wont Startup It Has Power To Crank The Engine Over But It Wont Fire Up Why?
Asked by
Michaeldenton
·
1 ANSWER
2003
FORD WINDSTAR
When You Turn The Key To Try And Start It Everything...
Battery Has Full Charge. With Key In The On Position All Gauges Work, Radio Works, Windows Work. When You Turn The Key To Try And Start It...
Asked by
Peoplesme
·
2 ANSWERS
2003
FORD WINDSTAR
Engine Won't Crank And Battery Drains Quick When...
I Changed Fuse 104 In Power Distribution Box For Front Power Seat And Changed Spark Plug Wires Because #4 Wire Had A Short And Already Fried...
Asked by
Bengalfiremedic
·
4 ANSWERS
2002
FORD WINDSTAR
Engine Will Not Turn Over
I Have A 2000 Ford Expidetion That The Engine Is Locked. My Son Was Driving And Ignored The Oil Light. The Engine Turned Off And Will Not...
Asked by
dfrank24
·
3 ANSWERS
FORD WINDSTAR
VIEW MORE
Ask a Car Question. It's Free!
Car Not Cranking? Try This | EASY
Battery Replacement Dodge
Battery Replacement Toyota