Starting issues

Tiny
MYCLE75
  • MEMBER
  • 1995 ISUZU RODEO
  • 3.2L
  • 6 CYL
  • 4WD
  • AUTOMATIC
  • 250,000 MILES
My truck will not turn over. When the ignition is engaged, there is a clicking noise emitting from the fuse/relay box under the hood. As best as I can tell it is coming from the ECM relay, but replacing the relay made no difference.

Any suggestions?
Sunday, November 22nd, 2020 AT 2:55 PM

1 Reply

Tiny
JACOBANDNICKOLAS
  • MECHANIC
  • 110,194 POSTS
Hi,

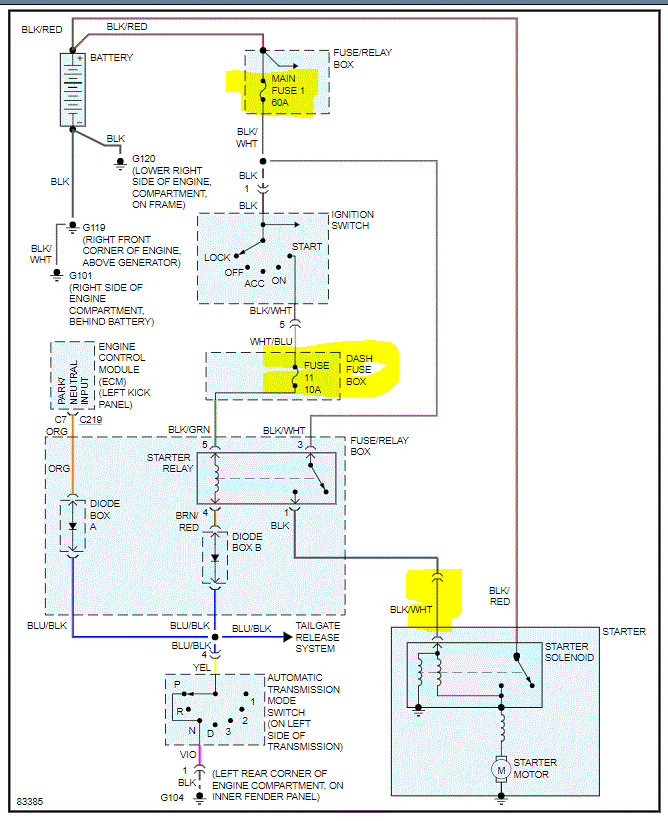
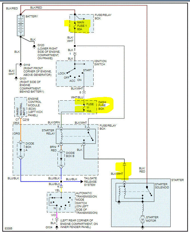
I attached a wiring schematic below. My only concern regarding the schematic is it could be different based on vehicle production date. So we will have to confirm that.

First, check fuse 1 in the fuse relay box under the hood. If it is good, then inspect fuse 11 in the fuse box under the dash. In addition to checking the fuse's condition, confirm there is power to and from it. Here is a link that you may find helpful:

https://www.2carpros.com/articles/how-to-check-a-car-fuse

If both fuses are good, see if placing the transmission in neutral makes a difference when trying to start it.

If that doesn't, switch the starter relay with a different one in the relay box having the same part number.

If that still doesn't work, then we need to check if there is power to the smaller wire on the starter when the key is in the start position. You will need a helper for that. If there is power, then chances are the starter is bad.

I highlighted the fuses and which wire to test on the starter in the pic below. Here is a link you may find helpful when testing the starter:

https://www.2carpros.com/articles/starter-not-working-repair

Let me know what you find or if you have other questions. Note: Please confirm the battery is good and the battery terminals are clean and tight.

Let me k now if this helps.

Joe

Was this
answer
helpful?
Yes
No
Sunday, November 22nd, 2020 AT 7:16 PM

Please login or register to post a reply.