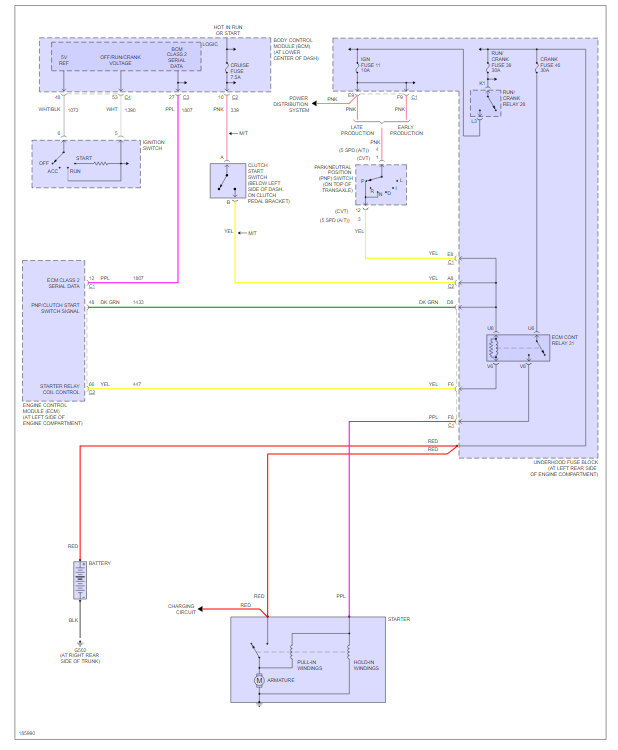
Tuesday, February 12th, 2019 AT 9:45 AM
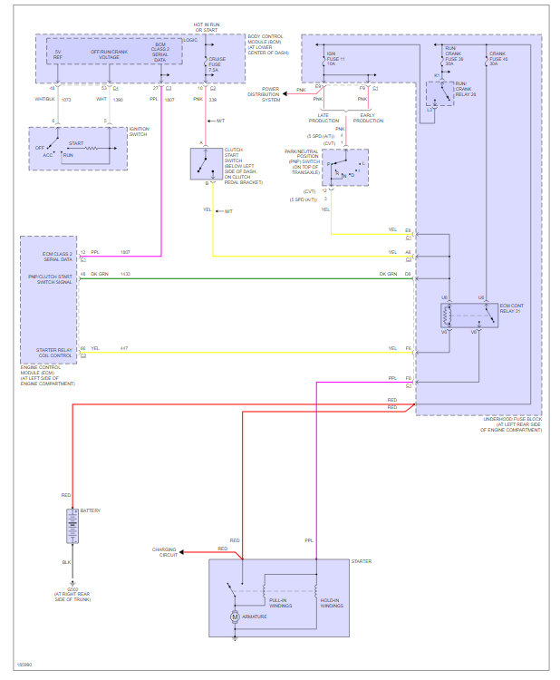
Periodically it will not start nor attempt to turn over like the battery is dead. Wait ten minutes roughly and it will start right up. I have had battery checked it's good thought maybe it was the solenoid on the starter. So I put new starter in being the one that was in there looked like it was in bad shape. Thought ignition switch but buddy said it looked fine, I do not know. Any ideas?













