Lost all power then tried to start turn over but no start?

Tiny
MARY PLOECKELMAN
  • MEMBER
  • 2007 HONDA PILOT
  • 100,000 MILES
Put my vehicle listed above in reverse went about 5 feet lost all power then tried to start turn over but no start cannot put car in neutral when key tur b Ed over either recently had part of ignition replaced was starting fine before this.
Sunday, April 7th, 2024 AT 8:19 PM

2 Replies

Tiny
AL514
  • MECHANIC
  • 5,595 POSTS
Hello, is this a 2wd or 4wd (AWD)? And when you were backing out were you turning the steering wheel or pressing the brake pedal when the engine stalled out? And you are not able to move the shifter into Park or Neutral. Is that correct? If so, with the key in the on position, when you press the brake pedal do you hear a click in the Steering Column?

Do a visual inspection first of the Brake Pedal and make sure there are no wiring concerns you can see, and that the brake pedal switch is fully plugged in.
You are at a Crank, No Start condition, correct? What part of the Ignition system did you have replaced? Do you mean the Ignition switch, or are you referring to Ignition Coils? Sorry for so many questions, I just want to be sure of what is exactly happening.
Was this
answer
helpful?
Yes
No
Monday, April 8th, 2024 AT 9:03 AM
Tiny
AL514
  • MECHANIC
  • 5,595 POSTS
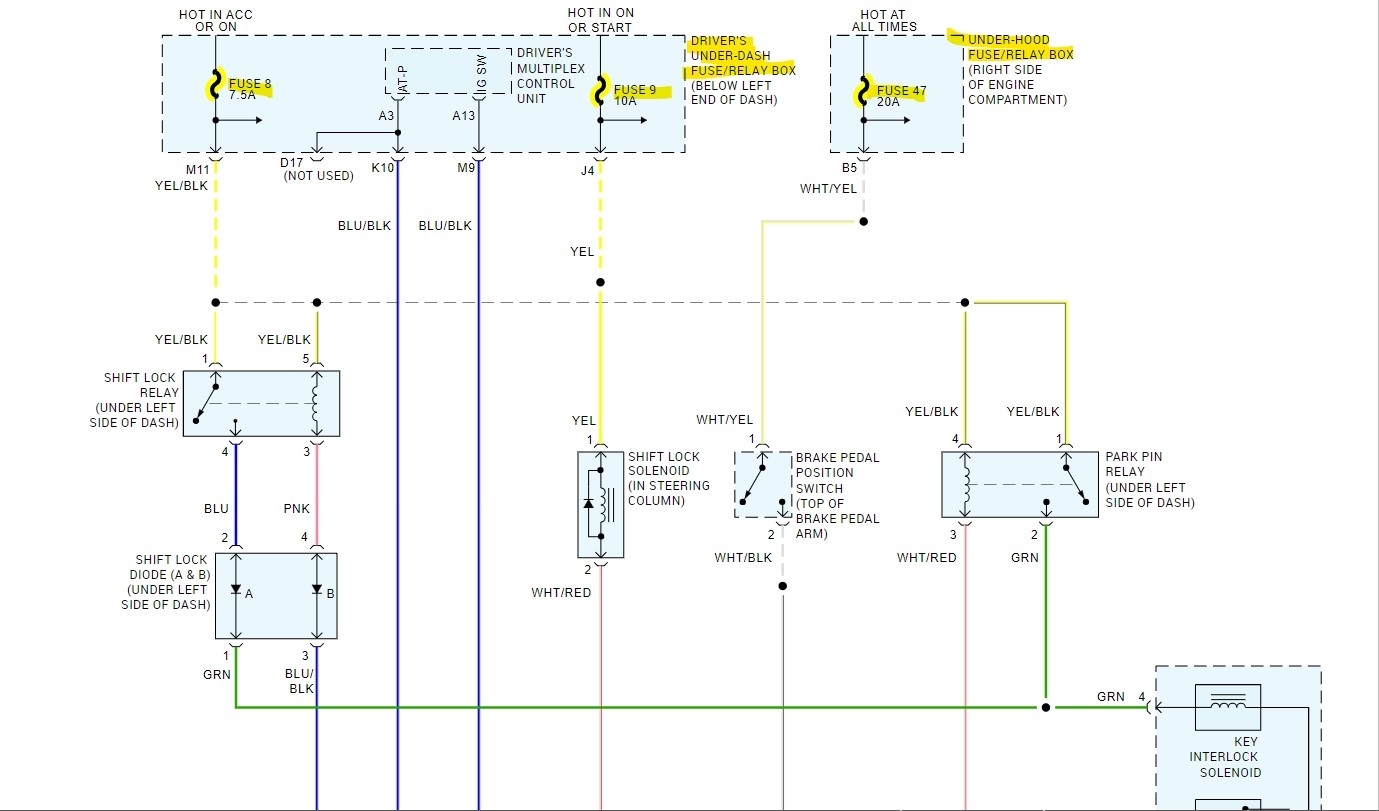
Here are a couple of guides to help you go through and check for any blown fuses in the engine compartment fuse block and the fuse block under the dash on the driver's side. I would go through and check all the fuses, but these are ones to focus on as well, these deal with the Shift Interlock, which is a solenoid that is activated when the brake pedal is depressed and allows you to move the shift lever to drive or other gears. In some cases, the brake pedal needs to be depressed for the vehicle to start. So, these components need to all work together for the engine computer to receive the correct inputs to start.
Using a test light is the quickest way to check fuses, making sure they have power on both sides of the fuse.
So, start there, and let us know what you find, this way we will have some more direction with the diagnosis.

https://www.2carpros.com/articles/how-to-use-a-test-light-circuit-tester

https://www.2carpros.com/articles/how-to-check-a-car-fuse
Was this
answer
helpful?
Yes
No
Monday, April 8th, 2024 AT 9:31 AM

Please login or register to post a reply.