No crank no start issue?

Tiny
SHAWN KELSEY
  • MEMBER
  • 1995 CADILLAC DEVILLE
  • V8
  • 2WD
  • AUTOMATIC
  • 132,000 MILES
When I try to turn it over you can hear the starter turning, but the motor does not crank.
Wednesday, December 14th, 2022 AT 4:52 AM

3 Replies

Tiny
KEN L
  • MASTER CERTIFIED MECHANIC
  • 55,535 POSTS
This can happen if the battery is low on charge, or the starter needs to be replaced. If you turn the headlights on when you crank the engine over, do they go almost out? If they stay bright, then chances are you need a new starter if they go out you need a new battery.

Here are to guides to help fix the car with instructions below so you can fix your car:

https://www.2carpros.com/articles/car-battery-load-test

and

https://www.2carpros.com/articles/how-to-replace-a-starter-motor

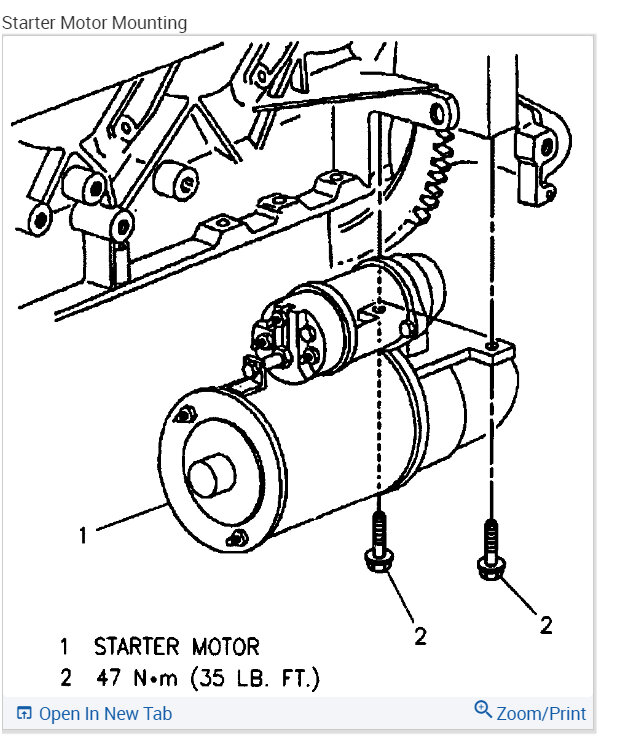
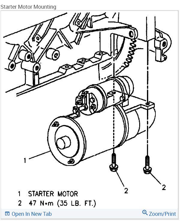
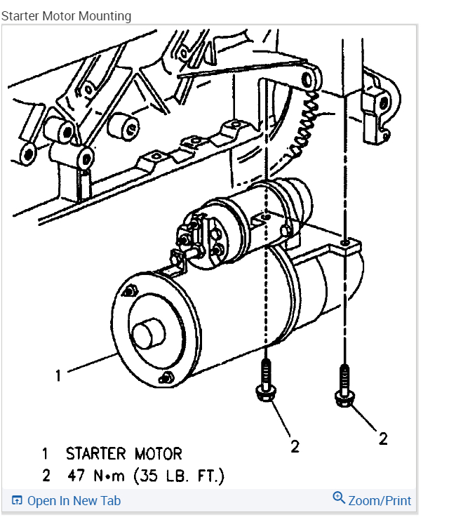
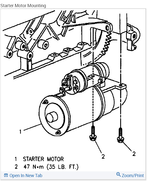
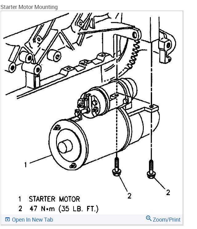
Check out the images below for instructions for your car. It looks like the intake manifold will need to be removed so let's hope it is the battery. Check out the images (below). Let us know what happens and please upload pictures or videos of the problem.

Was this
answer
helpful?
Yes
No
Thursday, December 15th, 2022 AT 12:30 PM
Tiny
SHAWN KELSEY
  • MEMBER
  • 1 POST
I was just wondering. I noticed instructions were for a V8 for 4.6 l have the 4.9 V8 Northstar would it make a difference on the diagram of the starter. Okay I got the starter figured out and I guess that the other night it was just raining and then it froze we got a lot of snow so I'm thinking maybe my starter just froze but now the other issue I got is when I start it, it cranks over the engine just fine but I don't even smell fuel going to the motor so maybe my gas lines are froze and if that's the case what do I do to unfreeze them right now I got my block heater plugged in, so I thinking that maybe it might be enough heat to unthaw but if that's not the case, what can I do to unfreeze those gas lines?

Shawn Kelsey
Was this
answer
helpful?
Yes
No
Thursday, December 15th, 2022 AT 4:35 PM
Tiny
KEN L
  • MASTER CERTIFIED MECHANIC
  • 55,535 POSTS
Yep, the cold can cause issues for sure. Lucky you, the NorthStar engine starter is on the left side of the engine block. Here are the instructions on how to replace it in the images below. Please let us know what happens.
Was this
answer
helpful?
Yes
No
+1
Friday, December 16th, 2022 AT 11:38 AM

Please login or register to post a reply.