Sunday, August 7th, 2022 AT 5:12 PM
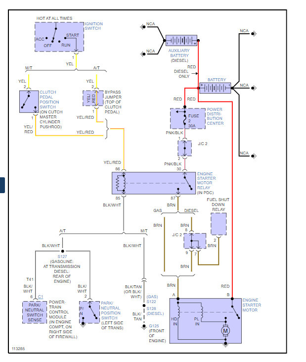
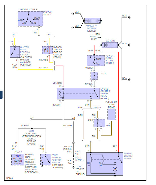
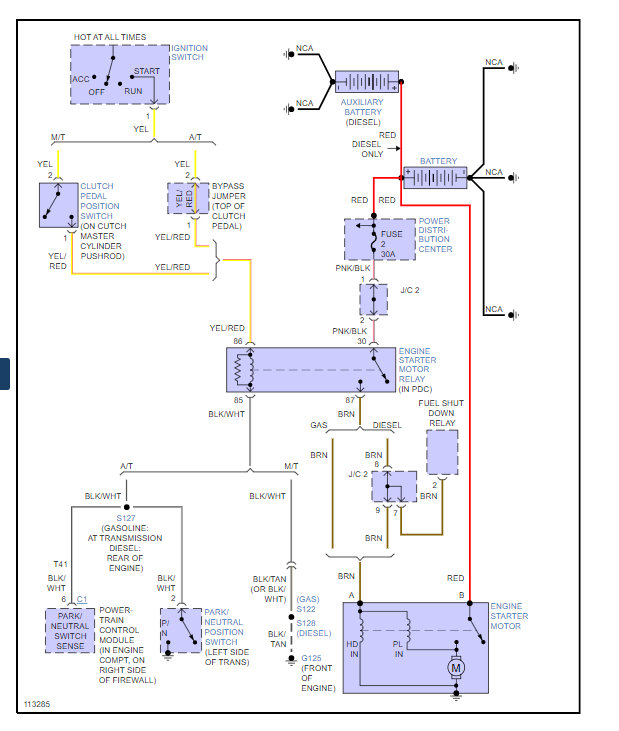
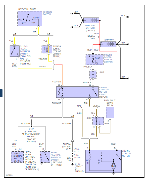
When the starter is cold, it will start. Drive until the motor is warm, then shut it off, and it will not restart until it is completely cold again, about 10 hours later. It is currently the height of summer heat. I replaced the battery, the starter, the battery cables, and starter relay. Won't start with a jump when it's hot, either. Sometimes it will click, other times no noise at all.



