Saturday, June 12th, 2021 AT 8:25 AM
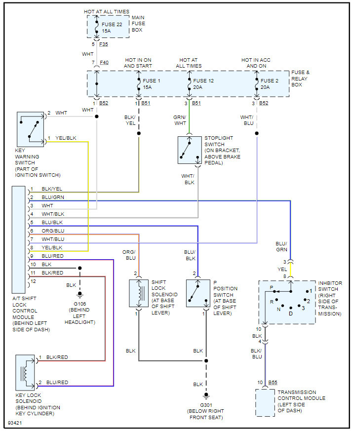
Hi, if you want to start it, you must make sure to push the gear shift all the way up to P and sometimes give it a jiggle. Additionally, in the last week or two, the key doesn't turn smoothly anymore, and it takes jiggling, repositioning of the key, jiggling the gear shift, and the stars and moon aligned just-so and it will finally start. Today though, it started but won't shut off! I disconnected the battery cable, and my suspicion is that the problem is within the ignition cylinder. Does this sound right? And if so, is this something relatively easy to replace? Thanks!










