Starter wiring diagram needed?

Tiny
U ETTE
  • MEMBER
  • 2003 CHEVROLET IMPALA
  • 3 CYL
  • AUTOMATIC
  • 250,000 MILES
Somebody replaced my starter, and they didn't do the wires correctly, and so we need to know where the wires go because there's some that are off and don't know where they go.
Thursday, January 25th, 2024 AT 11:40 PM

1 Reply

Tiny
BORIS K
  • MECHANIC
  • 836 POSTS
Hello,

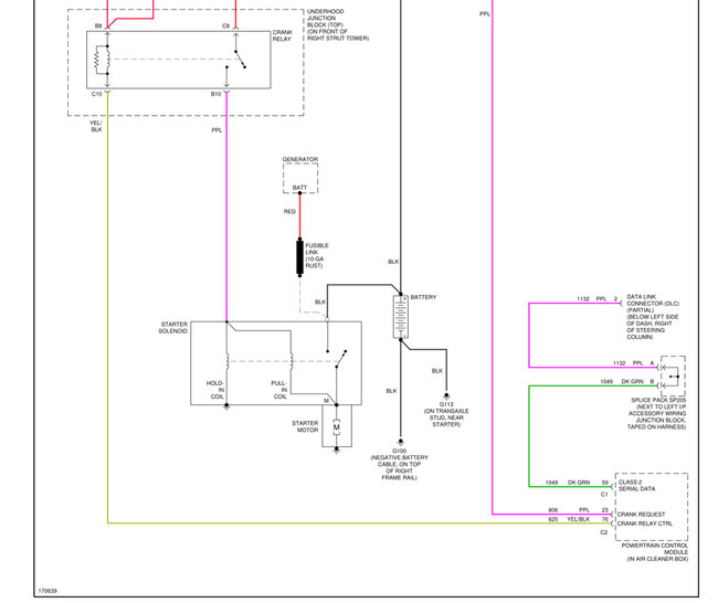
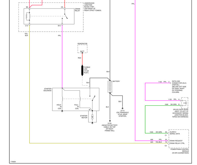
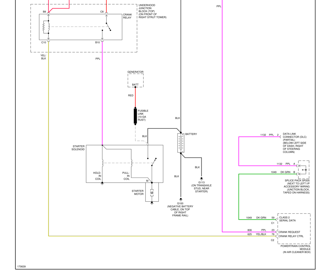
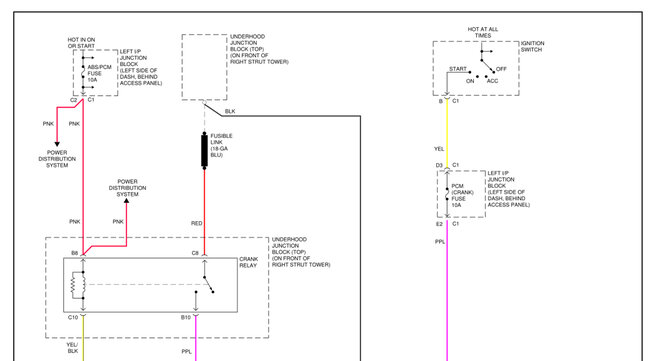
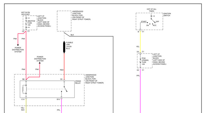
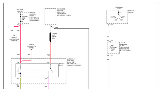
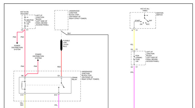
Please see diagrams below for starter wiring layout.

The crank request comes from the ignition switch, pin B, yellow wire.
The voltage is then transferred via the PCM crank fuse(10A) in left instrument panel junction block.
From there via purple wire to the PCM pin 23, connector C2.
The PCM then outputs a switched ground at pin 76, connector C2, yellow/black wire to terminal C10 at the crank relay in the under-hood junction block.
This then switches the crank relay on to transmit 12V via terminal B10 out on purple wire to the starter solenoid.

The crank relay is supplied with ignition 12V at terminal B8 from ABS/PCM fuse (10A) in left instrument panel junction block and with constant 12V at terminal C8.

You can check 12V or ground by using a test light or voltmeter.

How to use:
https://www.2carpros.com/articles/how-to-use-a-test-light-circuit-tester
and
https://www.2carpros.com/articles/how-to-use-a-voltmeter

How to test relay:
https://www.2carpros.com/articles/how-to-check-an-electrical-relay-and-wiring-control-circuit

How starter works:
https://www.2carpros.com/articles/how-a-starter-and-solenoid-works

Hope this helps.

Cheers, Boris
Was this
answer
helpful?
Yes
No
Friday, January 26th, 2024 AT 7:27 AM

Please login or register to post a reply.