Monday, April 3rd, 2023 AT 12:28 PM
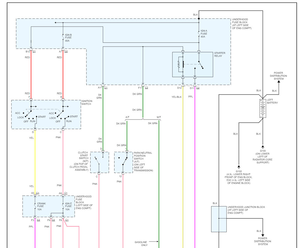
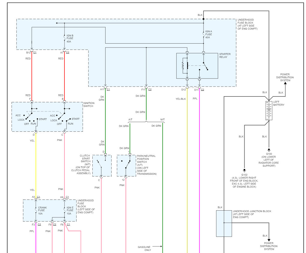
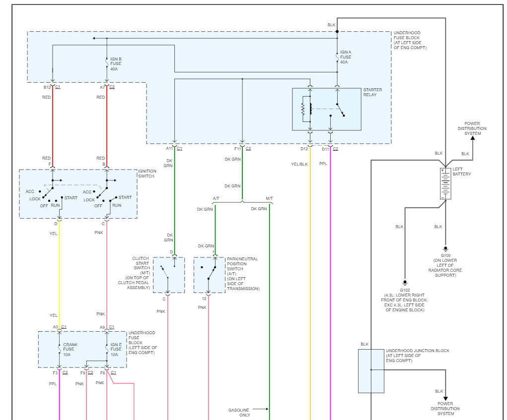
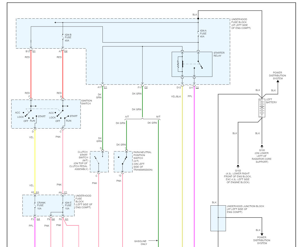
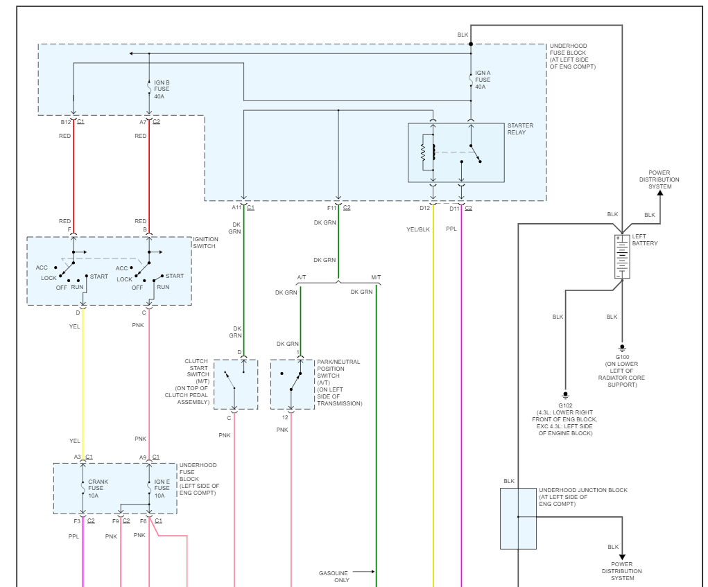
Starter will not engage when turning the key but will start when jumping from the starter relay. I have replaced the battery, starter relay, ignition relay, ignition switch and alternator, one note, when releasing the key from the start position the starter will "bump" for a split second, but only when releasing the key for s split second. All fuses look to be okay.























