Starter tests good will not engage flywheel

Tiny
JOEDONALD
  • MEMBER
  • 2001 MITSUBISHI ECLIPSE
  • 2.4L
  • 6 CYL
  • MANUAL
  • 150,000 MILES
Tried pop starting it with plenty of speed wont turn over. What are some things to look at?
Wednesday, January 8th, 2020 AT 4:35 PM

3 Replies

Tiny
JACOBANDNICKOLAS
  • MECHANIC
  • 110,192 POSTS
Hi,

Does the starter turn at all? If it does and it has been tested, have you checked for broken or missing teeth on the flywheel?

Now, the no start when trying to manually starting is something other, but all can be related to an electrical issue. If the engine turns but fails to start, you need to check for spark and fuel to the engine. You can check fuel pressure without the engine turning, but spark is another issue. Take a look through these links. They explain how to check for spark and fuel.

https://www.2carpros.com/articles/how-to-check-fuel-system-pressure-and-regulator

https://www.2carpros.com/articles/how-to-test-an-ignition-system

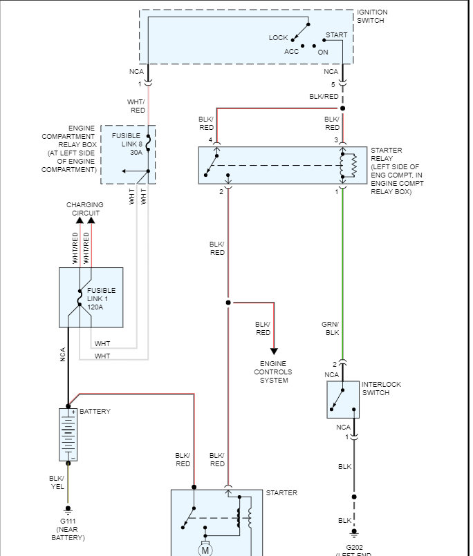
Also, I attached a picture of the starting system schematic for you to see. If nothing happens when the key is turned, check the clutch switch to make sure it isn't causing an issue.

Please let me know if the starter is doing anything so I know which way to direct you.

Take care,
Joe
Was this
answer
helpful?
Yes
No
Wednesday, January 8th, 2020 AT 8:23 PM
Tiny
JOEDONALD
  • MEMBER
  • 2 POSTS
Thank you the starter is spinning making a whir noise but not cranking engine over. Starter tested out good at auto parts store when I removed it and got it tested pushed the gear out and good amps too.
Was this
answer
helpful?
Yes
No
Thursday, January 9th, 2020 AT 1:11 AM
Tiny
JACOBANDNICKOLAS
  • MECHANIC
  • 110,192 POSTS
The idea that it won't engage leads me to believe there could be an issue with the flywheel. You need to remove the starter and check the flywheel. However, before doing that, record the sound it makes when the starter is engaged. I need to hear what it's doing to make sure it is a problem with the starter system and not something other.

______________________

Here are directions for removal and replacement of the starter. The attached picture correlate with the directions (actually are the directions).

_____________________

2001 Mitsubishi Eclipse RS L4-2350cc 2.4L SOHC MFI
Removal and Installation
Vehicle Starting and Charging Starting System Starter Motor Service and Repair Removal and Replacement Removal and Installation
REMOVAL AND INSTALLATION
Starter Motor Assembly

see pic 1

____________________

Again, I need to hear what it is doing. You may have a broken timing belt which could allow the engine to turn really fast.

Let me know.
Joe
Was this
answer
helpful?
Yes
No
Thursday, January 9th, 2020 AT 5:52 PM

Please login or register to post a reply.

Related Engine Not Cranking Over Content