Starter stays engaged after engine starts

Tiny
KGUN74
  • MEMBER
  • 2008 KIA SPORTAGE
  • 2.0L
  • 4 CYL
  • 2WD
  • AUTOMATIC
  • 170,000 MILES
Starter stays engaged after engine starts unless you place it in drive or reverse. Changed key switch and starter no difference.

As soon as you turn key to on position (not start) the engine cranks and starts. Never need to turn key to start position. If you shift into park, you hear the grinding of the starter drive turning against the flex plate/flywheel, only way to stop it is keep in drive or reverse. When shutting car off must leave in drive, turn off key, after engine shuts down, then to park, remove key. Anytime you are in park or neutral you'll hear the loud grinding noise. So, we turn key on and slap reverse asap. Then into drive asap to limit the grinding noise. I thought about cutting the wire and installing a toggle switch to start but starter wire is too short to get to and work with extending to inside car to a switch.I also removed the fuse box cover under the hood and took out the starter relay, and only then can I turn key on without engine cranking but downside is car won't start at all. Replaced with a new relay, same issue, no difference.
Friday, June 25th, 2021 AT 9:04 AM

15 Replies

Tiny
KASEKENNY
  • MECHANIC
  • 18,907 POSTS
You can do that and cut the power to the starter but that is really not needed. More than likely you just need to replace the starter as the solenoid is shorted inside the starter motor.

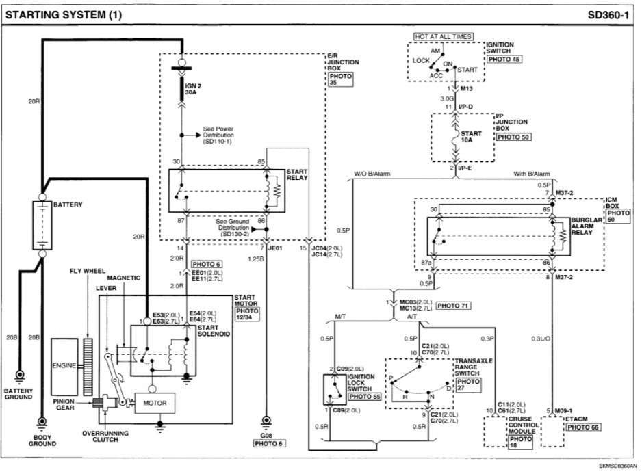
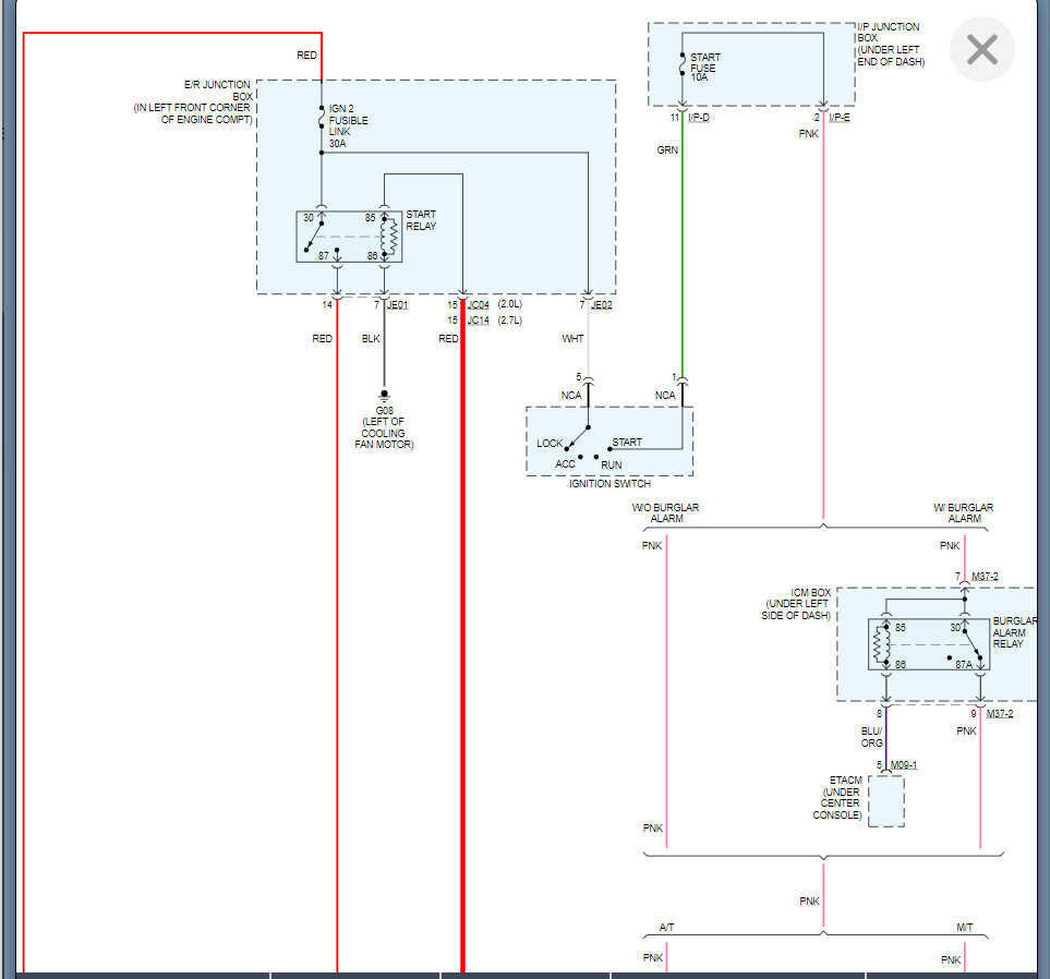
The way to prove this is to test the voltage on the control wire from the relay when you release the ignition switch. You should only have 12 volts on this wire when you are cranking the engine. Then when you release it, it should cut the voltage.

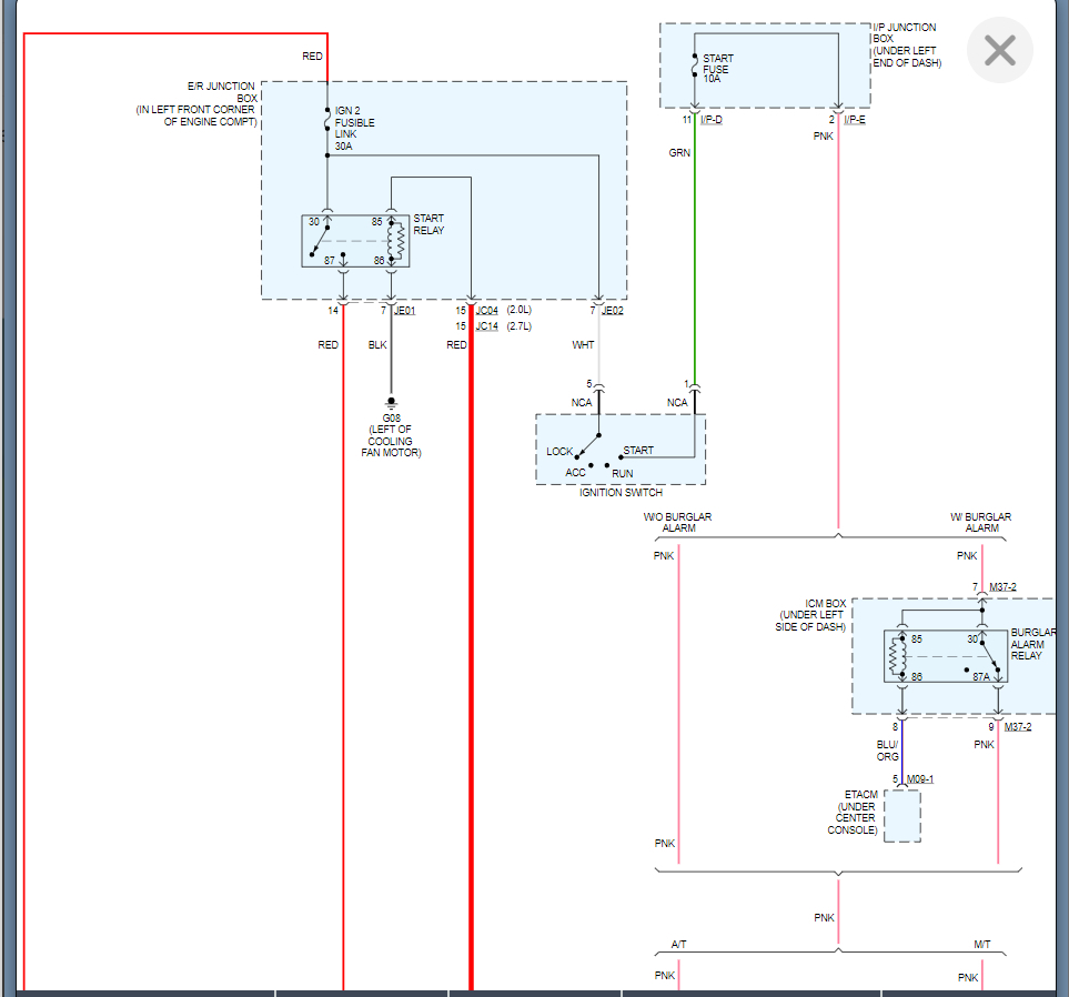
Here is a guide that will help with this:

https://www.2carpros.com/articles/how-to-check-wiring

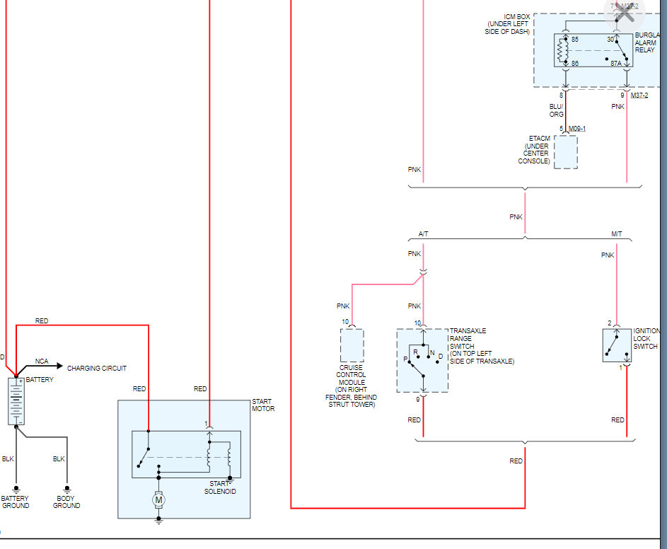
As you will see from the wiring diagram below the starter has an internal solenoid. If this is shorted then the switch will remain engaged and the starter will not shut off which means replacing the starter will correct this.

https://www.2carpros.com/articles/how-to-replace-a-starter-motor

If it were me, I would replace the starter but if you want to confirm it by checking for voltage on the control wire then the wiring diagram is below to do that.

Please let us know how you make out. Thanks
Was this
answer
helpful?
Yes
No
Saturday, June 26th, 2021 AT 8:24 AM
Tiny
KGUN74
  • MEMBER
  • 10 POSTS
Well, it's a new starter, the last one burned up. And we don't release the ignition switch, cause we never turn key to start position, it cranks by itself. In the "key on" position, never turn to start position.

Starter shuts off in drive and reverse only. Will look at the diagrams and see if I can figure it out.
Was this
answer
helpful?
Yes
No
-1
Saturday, June 26th, 2021 AT 9:48 AM
Tiny
KGUN74
  • MEMBER
  • 10 POSTS
I guess when I get time, and more money I will look for a new starter and replace it, but while the starter is down I will attach another wire for a toggle switch just in case it doesn't fix the problem. Too hard to get at the wires to work on when starter is on the car, so I'll do that before I re install to make sure I have plenty of wire to work with if need be-thanks.

This was my daughters car and a shop replaced the starter once before. Trouble all started when another shop installed a inter lock unit for her DUI. Year later, Now they removed it and problem is still there-they said they didn't do it but prior there were no issues.
Was this
answer
helpful?
Yes
No
Saturday, June 26th, 2021 AT 10:04 AM
Tiny
KASEKENNY
  • MECHANIC
  • 18,907 POSTS
Did this issue start after you replaced the starter? I understand the other failed but was it because of this issue?

If you are turning to the on position and it engages then you are correct that you are getting power on the control wire when you should not but that points more towards an issue with the new starter solenoid unless this was doing it prior.

If it was not then I would return the starter and have them exchange it as this is defective.
Was this
answer
helpful?
Yes
No
Saturday, June 26th, 2021 AT 10:09 AM
Tiny
KGUN74
  • MEMBER
  • 10 POSTS
Issue started after the interlock was installed, daughter didn't know what the noise was and sat in park with it engaged until it started smoking, starter burned up. Not sure how long or how often she did this but, after towed in a new starter was installed by the tow driver. Car now starts but noise is still there but at least she had a car to drive at that time. Towed to a local shop, replaced starter but mechanic didn't test drive cause he didn't want to blow into interlock device-height of COVID 19 at that time, so she took the car and drove it-when I found out I told her to slap into gear as soon as it started and shut off in drive. Been this way for little over a year now. So yes doing prior, in fact right after the interlock was installed, but after they took it off, still doing it. Their fault or just a coincidence? Don't know.
Was this
answer
helpful?
Yes
No
Saturday, June 26th, 2021 AT 10:27 AM
Tiny
KGUN74
  • MEMBER
  • 10 POSTS
Oh, they said what they did had no bearing on this issue-they told me key switch was bad, so when I got control of vehicle I replaced the key switch, pretty easy after watching a video. No difference, same problem. So, I guess I will try a starter when I get time but will still try to install a wire of some type for a toggle switch just as a backup measure.
Was this
answer
helpful?
Yes
No
Saturday, June 26th, 2021 AT 10:30 AM
Tiny
KASEKENNY
  • MECHANIC
  • 18,907 POSTS
Okay. That is valuable info. I think I understand now.

So if this started after the ignition interlock was installed then depending on what circuit they tapped into then they most likely connected the incorrect wires that causes the starter to engage in the on position and not solely on the start position.

This means we need to run a new wire from where you find voltage on this control wire in the on position.

Take a look at the wiring diagram that I attached again below. Basically just put the key in the on position and go to the ignition switch or where ever they tapped this in and check for voltage.

Either they damaged/shorted the ignition switch, or put the wrong wires together when they installed it.

When you find this, I would just run a new wire to bypass the issue unless it is the switch itself. At that point you will have to replace it.

Does that make sense?
Was this
answer
helpful?
Yes
No
Saturday, June 26th, 2021 AT 10:37 AM
Tiny
KGUN74
  • MEMBER
  • 10 POSTS
If I turn the key on to do any testing the starter will crank the engine and start, along with grinding the Bendix against the flywheel. That's one problem. I'll need to jack up the car and remove the trigger wire first from the starter. Ignition switch was replaced with a new one, no change, still the same. I do not know where they tapped in, I wish I did. If I knew what they messed with it would help but they won't say anything except what they did had no bearing on this issue and they said the removed it and car did the same thing, then they re connected until her year was up. I still think they were the cause but I have no idea where to look where they could have done something. I will try looking at diagram but a toggle switch is looking easier from trigger wire to inside the car. I wish I could find trigger wire under the hood so it was easier to reach.
Was this
answer
helpful?
Yes
No
Saturday, June 26th, 2021 AT 12:53 PM
Tiny
KGUN74
  • MEMBER
  • 10 POSTS
Diagrams help but the printing of the words, well it's so small I can't see it clearly.
Was this
answer
helpful?
Yes
No
Saturday, June 26th, 2021 AT 12:55 PM
Tiny
KASEKENNY
  • MECHANIC
  • 18,907 POSTS
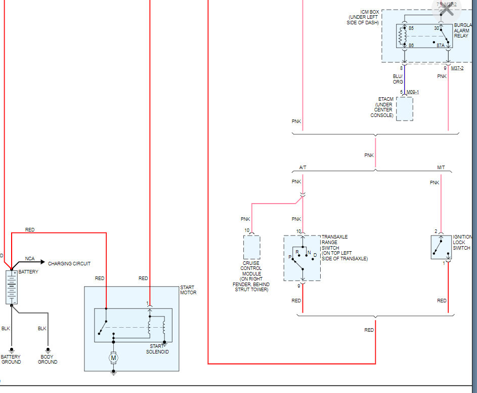
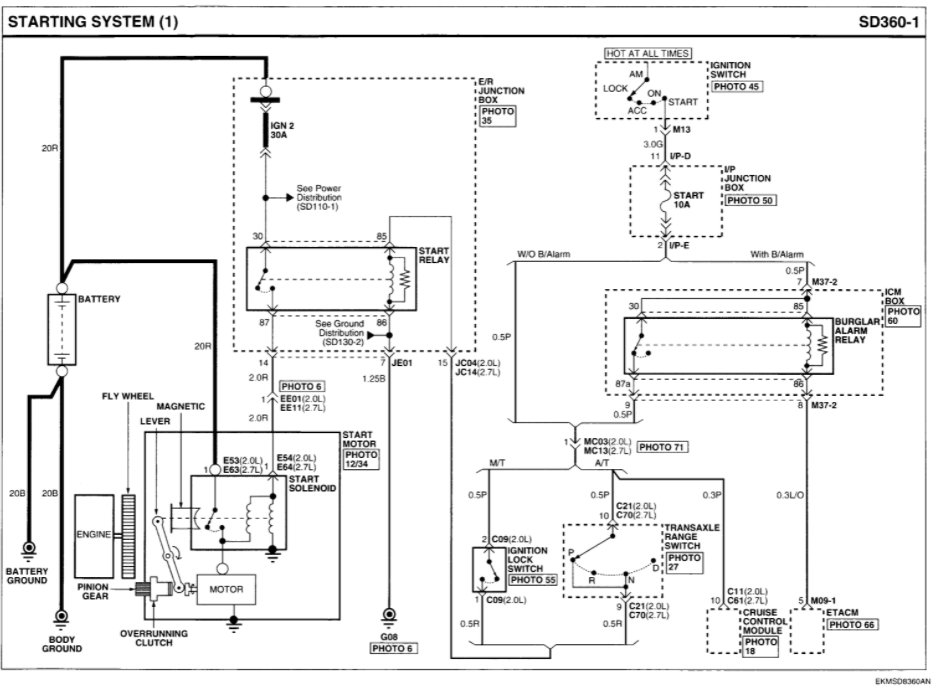
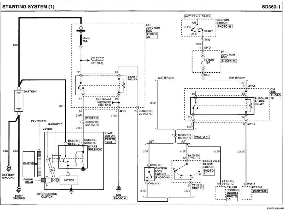
Sorry. It looks fine on my computer so it is hard to know how yours looks. If you are using a phone it can be small. If you have an iPhone you should be able to zoom in on it.

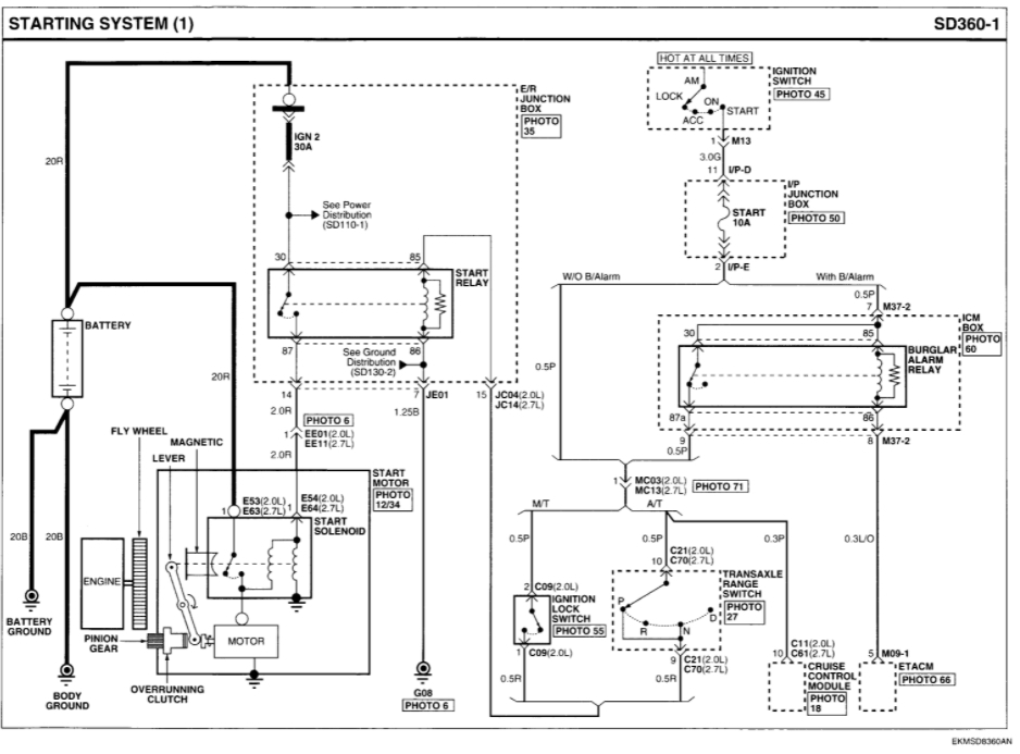
However, let's try the OEM diagram as they write in a little more bold print. If this doesn't work then I will zoom in and cut it into more sections. Thanks
Was this
answer
helpful?
Yes
No
+1
Saturday, June 26th, 2021 AT 12:59 PM
Tiny
KGUN74
  • MEMBER
  • 10 POSTS
That image is much better thanks. It's going to be a few days until I get the car back in the garage and do any work on it but this should help. Too hot outside to do it. Thanks again.
Was this
answer
helpful?
Yes
No
Saturday, June 26th, 2021 AT 2:05 PM
Tiny
KGUN74
  • MEMBER
  • 10 POSTS
Just for the record I have an old imac, very very old. Sorry
Was this
answer
helpful?
Yes
No
Saturday, June 26th, 2021 AT 2:08 PM
Tiny
KASEKENNY
  • MECHANIC
  • 18,907 POSTS
Haha. Totally understand. Not an issue. Just glad that worked better for you.

Please take your time. Whenever you get to it, just update this link as it will always be there. Thanks for the update. We will wait to hear back.
Was this
answer
helpful?
Yes
No
Saturday, June 26th, 2021 AT 2:10 PM
Tiny
KGUN74
  • MEMBER
  • 10 POSTS
Well, I tried in vein to locate where they might have hooked up & later removed the ignition interlock-they won't tell me?

Some of those wires are all wrapped together in a harness and much to hard to reach to hunt for one wire. I'm not gumby, much to old and non flexible-most won't even know who gumby is !

So, I replaced the starter again with a new one, no change. As a last ditch effort I cut the trigger wire going to the starter and there is not much in length to work with, ran that wire inside the car. Had to drill and then seal the hole I drilled in the floor near the floor console, sent wire to a toggle switch mounted under the dash below the steering wheel, then the other side wire back through the hole in floor to the starter trigger wire on the starter. Note, wires were wrapped inside a larger diameter, 2" long section of vacuum hose and sealed so metal edges from drilled hole in floor would not wear the wires through. Took a long time and a major pain in the butt, however my problem is gone. Turn key to on position, when ready, flip toggle switch to start, and after engine starts flip switch the other direction. I used the toggle switch cause I had a few laying around. Later I plan to purchase old time push button starter switch. They are about $8.00 and will work better but the bull work is done. So, after replacing the ignition switch, starter, and countless hours of checking and testing wires, the toggle switch and a few feet of wire solved the problem. Note: did not fix the original problem caused by the installer of ignition interlock. Have searched the internet and found those installers messed up a lot of vehicles during install but never accept the fact that it was something they did, found many people unhappy saying their car has never been the same. But daughter got caught DUI and had to have it installed to drive, now dad has to spend his money to resolve it as usual. Now, I own the car again. Thanks for the help trying to find the problem, hope this may help someone else down the road.
Was this
answer
helpful?
Yes
No
Monday, July 5th, 2021 AT 5:09 AM
Tiny
KASEKENNY
  • MECHANIC
  • 18,907 POSTS
Wow. What a headache that turned into. However, that was a pretty good fix for a cluster that they caused with installing that lockout.

Thanks for the update and glad you got it figured out. Please come back in the future if you have other issues. Thanks
Was this
answer
helpful?
Yes
No
Monday, July 5th, 2021 AT 6:43 PM

Please login or register to post a reply.