I get a "click" sometimes when trying to start the car

Tiny
CANNON1349
  • MECHANIC
  • 2006 JEEP LIBERTY
  • 4 CYL
  • 4WD
  • AUTOMATIC
  • 200,000 MILES
Hi,

Eventually it will start. I can hear the relay click with a stethoscope and the "click" is the starter arm engaging. Does this mean the starter motor is bad and needs replacement?

Battery, alternator and starter tested good at Advance Auto.
Thursday, August 8th, 2019 AT 12:18 PM

15 Replies

Tiny
ASEMASTER6371
  • MECHANIC
  • 52,796 POSTS
Good afternoon,

Does it eventually start? If it does, it is not the relay.

https://www.2carpros.com/articles/starter-not-working-repair

If it does not, testing needs to be done in the starting system.

https://www.2carpros.com/articles/how-to-replace-a-starter-motor

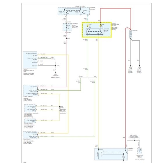
I attached a wiring diagram for you to view. You need to test the fuse for power on both sides.

Roy
Was this
answer
helpful?
Yes
No
Thursday, August 8th, 2019 AT 12:24 PM
Tiny
CANNON1349
  • MECHANIC
  • 913 POSTS
Yeah. It starts. And I had a helper start while I used a stethoscope on the relay. Even when it doesn't start, the relay clicks, and the starter clicks.
Was this
answer
helpful?
Yes
No
Thursday, August 8th, 2019 AT 12:28 PM
Tiny
ASEMASTER6371
  • MECHANIC
  • 52,796 POSTS
Then it sounds like the starter motor has failed. It has a dead spot on the armature.

Roy
Was this
answer
helpful?
Yes
No
Thursday, August 8th, 2019 AT 12:29 PM
Tiny
CANNON1349
  • MECHANIC
  • 913 POSTS
What's the procedure? Removing the front driveshaft?
Was this
answer
helpful?
Yes
No
Thursday, August 8th, 2019 AT 12:30 PM
Tiny
ASEMASTER6371
  • MECHANIC
  • 52,796 POSTS
Procedure below.

No to the driveshaft.

Roy

1. Disconnect and isolate negative battery cable.
2. Raise and support vehicle.
3. Disconnect solenoid wire connector (2) from solenoid terminal.
4. Remove battery cable eyelet (4) from stud on starter solenoid.

ImageOpen In New TabZoom/Print

5. Remove three starter mounting bolts (2).
6. Remove starter (1) from transmission bellhousing.
Was this
answer
helpful?
Yes
No
Thursday, August 8th, 2019 AT 12:34 PM
Tiny
CANNON1349
  • MECHANIC
  • 913 POSTS
Sorry. This is a v6 not a 4 cylinder.
Was this
answer
helpful?
Yes
No
Thursday, August 8th, 2019 AT 12:42 PM
Tiny
ASEMASTER6371
  • MECHANIC
  • 52,796 POSTS
That makes a difference. Correct information always helps.

Roy

REMOVAL
1. Disconnect and isolate negative battery cable.
2. Raise and support vehicle.
3. Remove 2 flange bolts securing left exhaust downpipe to crossover pipe. Lower pipe slightly to allow front propeller shaft removal.
4. Remove front propeller shaft.

ImageOpen In New TabZoom/Print

5. Remove two starter heat shield bolts (3) at side of starter.
6. Remove starter heat shield nut at front of starter.
7. Remove starter heat shield.

ImageOpen In New TabZoom/Print

8. Remove solenoid wire connector (3) from solenoid terminal.
9. Remove battery cable eyelet (2) from stud on starter solenoid.

ImageOpen In New TabZoom/Print

10. Remove two starter mounting bolts (2).
11. Position front of starter to face rear of vehicle. Rotate starter until solenoid position is located below starter.
12. Remove starter from vehicle by passing it between exhaust pipe and transmission bellhousing.
Was this
answer
helpful?
Yes
No
Thursday, August 8th, 2019 AT 12:48 PM
Tiny
CANNON1349
  • MECHANIC
  • 913 POSTS
This is ridiculous. I don't know what I'm missing here, but it wont come through because of the catalytic converter. Every video online people are just sliding the starter between it but I do not have room like in the videos. Picture attached.
Was this
answer
helpful?
Yes
No
Friday, August 9th, 2019 AT 6:15 PM
Tiny
CANNON1349
  • MECHANIC
  • 913 POSTS
Also the year is 2002, not 2006. But the procedure should be the same.
Was this
answer
helpful?
Yes
No
Friday, August 9th, 2019 AT 7:13 PM
Tiny
ASEMASTER6371
  • MECHANIC
  • 52,796 POSTS
Okay, it makes a big difference with the right year and the right engine.

The exhaust has to be dropped as in the procedure I attached. 2002 is different than in 2006.

Roy

REMOVAL
1. Disconnect and isolate negative battery cable.
2. Raise and support vehicle.
3. Remove 2 flange bolts securing left exhaust down pipe to crossover pipe. Lower pipe slightly to allow front propeller shaft removal.
4. Remove front propeller shaft.
Was this
answer
helpful?
Yes
No
Saturday, August 10th, 2019 AT 4:26 AM
Tiny
CANNON1349
  • MECHANIC
  • 913 POSTS
I lowered the exhaust to remove the propeller shaft. You're saying unbolt the rest from the head?
Was this
answer
helpful?
Yes
No
Saturday, August 10th, 2019 AT 4:27 AM
Tiny
ASEMASTER6371
  • MECHANIC
  • 52,796 POSTS
Correct. It has to come down low enough to remove the starter.

Roy
Was this
answer
helpful?
Yes
No
Saturday, August 10th, 2019 AT 4:36 AM
Tiny
CANNON1349
  • MECHANIC
  • 913 POSTS
Anything special about that procedure?
Was this
answer
helpful?
Yes
No
Saturday, August 10th, 2019 AT 5:15 AM
Tiny
ASEMASTER6371
  • MECHANIC
  • 52,796 POSTS
No, not at all. Straight forward procedure.

Roy
Was this
answer
helpful?
Yes
No
Saturday, August 10th, 2019 AT 5:21 AM

Please login or register to post a reply.