Friday, November 12th, 2021 AT 7:11 PM
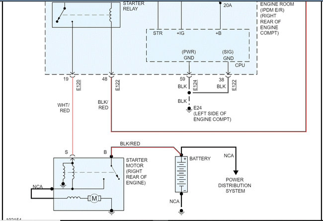
Was running great stopped went inside came out and would not turn over. All accessories' lights everything worked but would not turn over. Ran self-diagnostic everything checked out good. Replaced ECM relay replaced the IPDM relay and checked the fusible link at battery and it checked out running out of things to try. Really hope it is not starter under plenum, but it never made any noises or acted up at all. Any help would be appreciated, thanks. By the way, i'm a heavy equipment mechanic so I know my way around a motor just not good on electrical.










