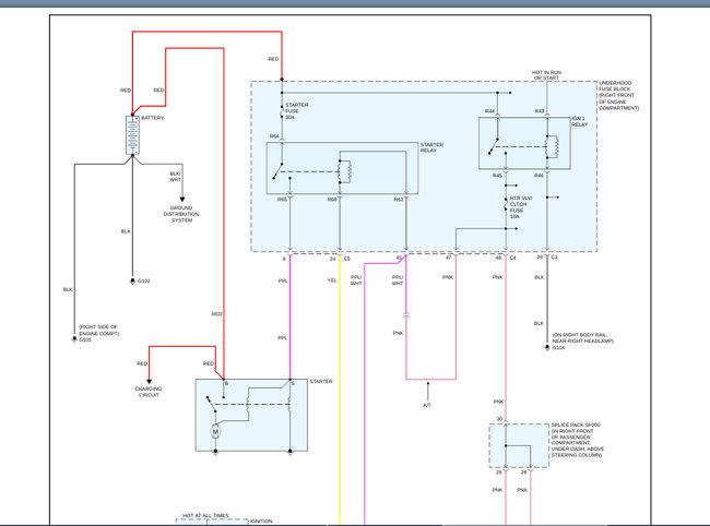
Also the terminal is moving so how keep still so get inside connect or what?
Please help.
Thanks very much
Also, I have power but battery definitely not fully charged, but should I try it with screwdriver while cables are hooked up charging? Enduring battery is from trying to start it for the screwdriver but I guess on the right place.
Sunday, January 12th, 2020 AT 10:10 PM








