HOME
ASK A QUESTION
REPAIR GUIDES
BECOME A MEMBER
LOG IN
Login with Facebook
OR
Remember me
NOT A MEMBER?
FORGOT PASSWORD?
CONTACT US
PRIVACY POLICY
TERMS AND CONDITIONS
☰
Home
Toyota
Yaris
Engine
Symptoms
Not Running
Not starting
SALIH ALSHAMRANI
MEMBER
2008 TOYOTA YARIS
1.3L
4 CYL
4WD
AUTOMATIC
220,500 MILES
Does not started despite of present electricity?
Friday, October 16th, 2020 AT 7:03 PM
1 Reply
KASEKENNY
MECHANIC
18,907 POSTS
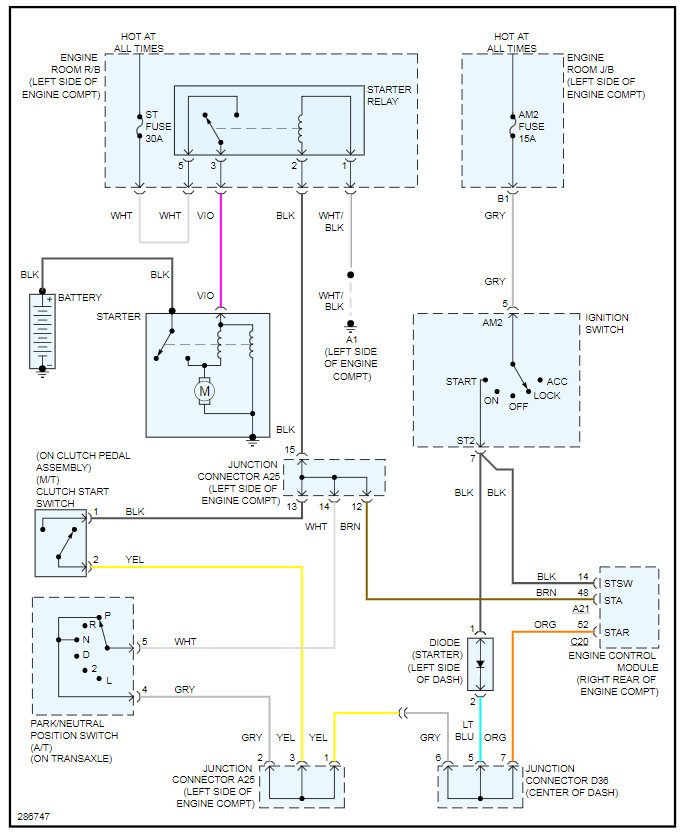
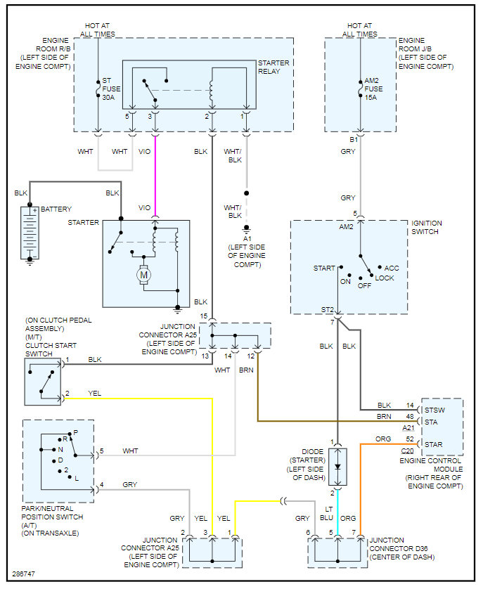
If you have voltage at the starter on both wires when cranking the engine then the starter is the issue.
https://www.2carpros.com/articles/starter-not-working-repair
https://www.2carpros.com/articles/how-to-replace-a-starter-motor
Take a look at all this information and confirm that you have voltage on the black and purple wire when the engine is cranking and if so, I would replace it.
Let me know what questions you have.
Images (Click to make bigger)
Was this
answer
helpful?
Yes
No
Saturday, October 17th, 2020 AT 8:14 AM
Please
login
or
register
to post a reply.
Related Engine Not Running Content
2013 Toyota Yaris Engine Wont Start.
I Have Bought A 2013 Yaris Se. The Car Engine Has Got Overheated And Now It Won't Start. I Took The Car To A Mechanic He Checked It. The Car...
Asked by
Ahmed_055
·
5 ANSWERS
2013
TOYOTA YARIS
VIDEO
Car Cranking but Not Starting? Try This
Instructional repair video
GUIDE
Engine Not Starting
Over the past 20 years at 2CarPros we have identified the top problems that are easily fixed. This guide can save you a trip to the repair garage or calling a tow truck and...
2013 Toyota Yaris Toyota Yaris Starts, Dont Idle
When I Start Up The Car, It Starts Perfect, But After About 30seconds, It Just Die. After Dying, When I Start It Again It Still Starts...
Asked by
gtronics
·
9 ANSWERS
2013
TOYOTA YARIS
Started To Overheat Turned Off Engine Now Will Not...
Car Was Working Normally, No Issues Of Any Kind. I Noticed The Over Heating Sign And Stopped Immediately. I Tried Starting The Car And It...
Asked by
Ecally77
·
2 ANSWERS
2008
TOYOTA YARIS
Car Revs Without Pressing Accelerator Pedal
Hi All, Sorry To Post Another Question Here. I Am Getting Mad With My Second Hand Car. You Better Never Buy A Second Hand Car Like Me...
Asked by
valjeanlk
·
3 ANSWERS
2008
TOYOTA YARIS
Engine Shake Problem
Four Cylinder Front Wheel Drive Automatic 77,000 Miles. Hello Everyone, I Have Had The Car For Three Years Now And It Has Been Great...
Asked by
al87
·
12 ANSWERS
2007
TOYOTA YARIS
VIEW MORE
Ask a Car Question. It's Free!
How to fix an engine that wont start
Car Cranking but Not Starting? Try This
Crankshaft Sensor Replacement