How do you find a wiring diagram to replace starter?

Tiny
LISA RANKIN
  • MEMBER
  • 1997 DODGE RAM
  • 1,890,000 MILES
Wiring diagram to replace starter needed.
Tuesday, August 23rd, 2022 AT 7:59 AM

1 Reply

Tiny
KEN L
  • MASTER CERTIFIED MECHANIC
  • 55,281 POSTS
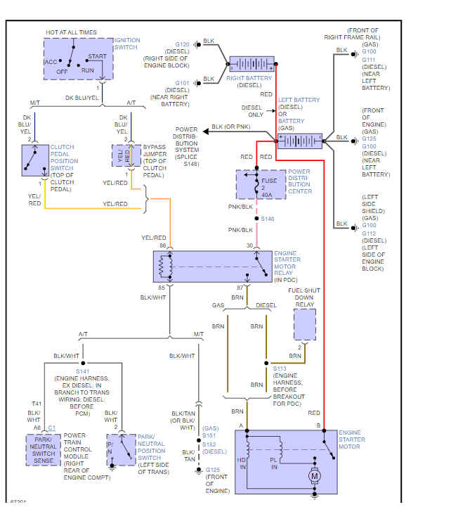
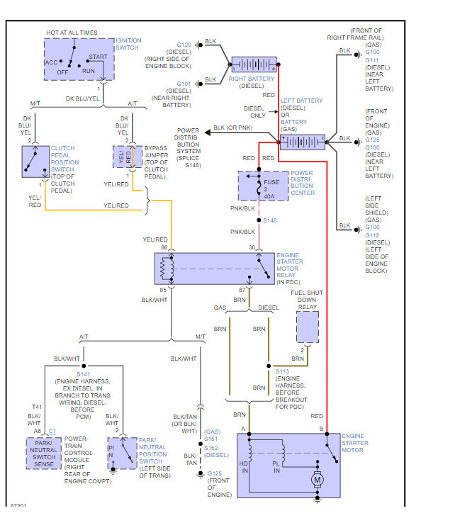
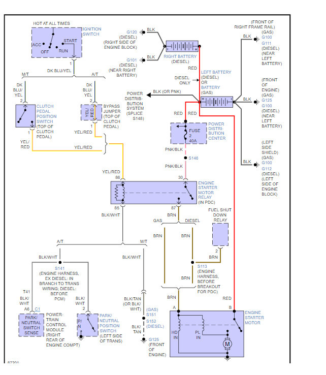
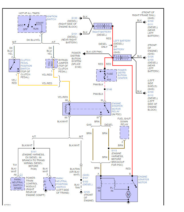
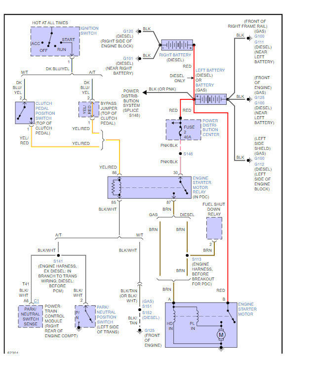
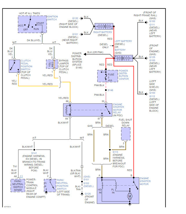
Here is how you can change out the starter and the starter wring diagram to help you understand the system and how to connect the wires in the images below. Also, this generic guide can help you understand what you are getting yourself into when doing the job:

https://www.2carpros.com/articles/how-to-replace-a-starter-motor

Check out the diagrams (below). Please let us know if you need anything else to get the problem fixed.

Was this
answer
helpful?
Yes
No
Tuesday, August 23rd, 2022 AT 11:00 AM

Please login or register to post a reply.